LEMON Manuals: Even more car manuals for everyone
Home >> Isuzu >> 2003 >> Rodeo LSE, 2.2 D >> Repair and Diagnosis >> Engine Performance >> Remove, Overhaul & Install >> Engine Controls - Component Removal & Installation >> Computerized Engine Control >> Power Train Control Module >> Removal & Installation (Ascender 5.3L)

Removal & Installation (Ascender 5.3L)

CAUTION: Electronic components used in control systems are designed to carry very low voltages. As little as a 30-volt charge created by static electricity can cause a total or degrading failure in PCM or other electronic components containing integrated circuits. Before servicing PCM, technician must ground themself and the work area to discharge static electricity.
CAUTION: DO NOT remove part from packaging until ready to install. Ground any static-proof package before opening. DO NOT touch electrical terminals of components unless properly grounded. DO NOT lay electrical components on car seat, carpeting or dashboard. Use electrostatic protection mat and ground strap whenever possible.
NOTE: Before replacing PCM, carefully inspect all wiring and control components. Failure to test for short circuits may result in repeated PCM failure due to shorts and Quad-Driver failure. To prevent internal damage to PCM, ensure ignition switch is in OFF position when connecting or disconnecting PCM electrical connectors or any electrical components. Inspect PCM connector gaskets and ensure they are installed correctly. PCM connector gaskets prevent contaminants from entering PCM.
NOTE: Use the correct fastener in the correct location. Replacement fasteners must be the correct part number for that application. Fasteners requiring replacement or fasteners requiring the use of thread locking compound or sealant are identified in the service procedure. Do not use paints, lubricants, or corrosion inhibitors on fasteners or fastener joint surfaces unless specified. These coatings affect fastener torque and joint clamping force and may damage the fastener. Use the correct tightening sequence and specifications when installing fasteners in order to avoid damage to parts and systems.
  1. Disconnect the negative battery cable.
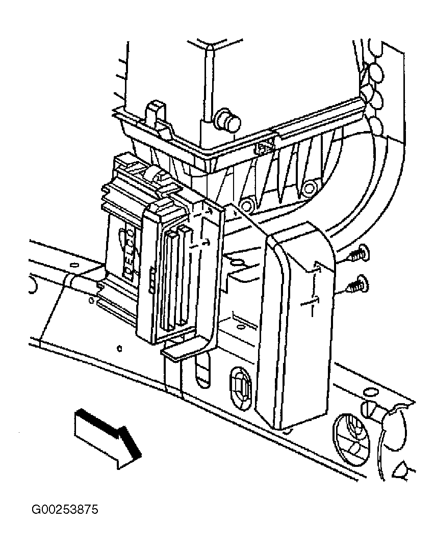
  2. Remove the PCM cover retainers. See Fig 1 .
  3. Remove the PCM cover.
  4. Release the spring latch from the PCM.
  5. Release the PCM mounting tabs from the PCM. See Fig 2 .
  6. Remove the PCM.
    CAUTION: Remove any debris from around the PCM connector surfaces before servicing the PCM. Inspect the PCM module connector gaskets when diagnosing or replacing the PCM. Ensure that the gaskets are installed correctly. The gaskets prevent contaminant intrusion into the PCM.
  7. Loosen the PCM electrical connector bolts.
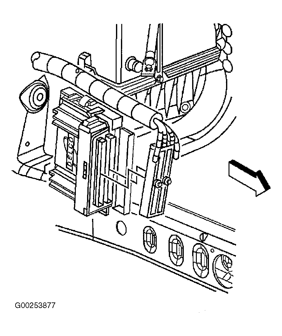
  8. Disconnect the PCM electrical connectors. See Fig 3 .
  9. Remove the PCM from the vehicle.
  10. To install, reverse removal procedure. Tighten the PCM electrical connector bolts. Tighten the bolts to specification. See TORQUE SPECIFICATIONS  . If the PCM was replaced the replacement PCM must be programmed. See POWERTRAIN CONTROL MODULE (ASCENDER)  under PROGRAMMING.
Fig 1: Removing & Installing Powertrain Control Module Cover (Ascender 5.3L)
G00253875Courtesy of GENERAL MOTORS CORP.
Fig 2: Removing & Installing Powertrain Control Module (Ascender 5.3L)
G00253876Courtesy of GENERAL MOTORS CORP.
Fig 3: Removing & Installing Powertrain Control Module Electrical Connectors (Ascender 5.3L)
G00253877Courtesy of GENERAL MOTORS CORP.