LEMON Manuals: Even more car manuals for everyone
Home >> Isuzu >> 2003 >> Rodeo LS, 2.2 D >> Repair and Diagnosis >> Transmission >> Transmission Control Systems >> Driveline Control System >> Shift On The Fly System >> Wiring Diagram

Shift On The Fly System: Wiring Diagram

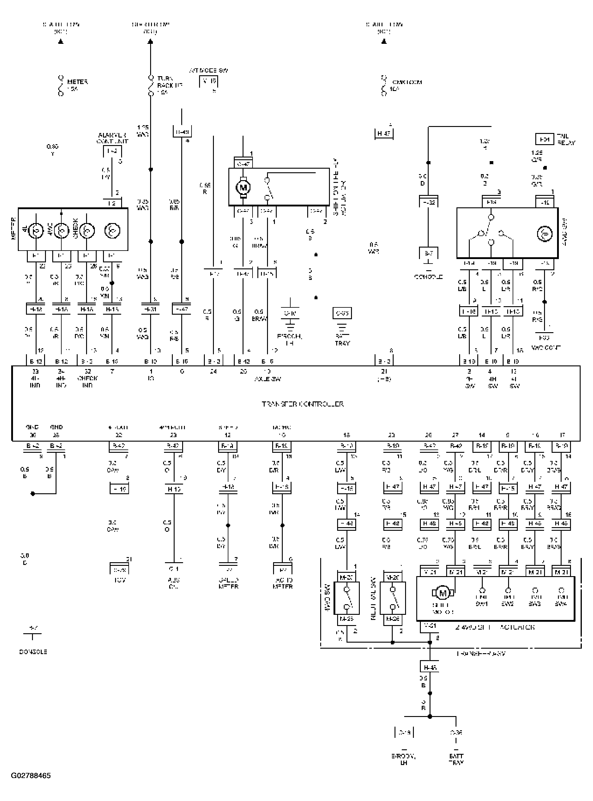
Fig 1: Shift On The Fly System Wiring Diagram
G02788465Courtesy of ISUZU MOTOR CO.