LEMON Manuals: Even more car manuals for everyone
Home >> Isuzu >> 2003 >> Axiom Base, 4WD >> Repair and Diagnosis >> Engine Performance >> System >> Transmission Control System >> General Description >> Powertrain Control Module (PCM)

Powertrain Control Module (PCM)

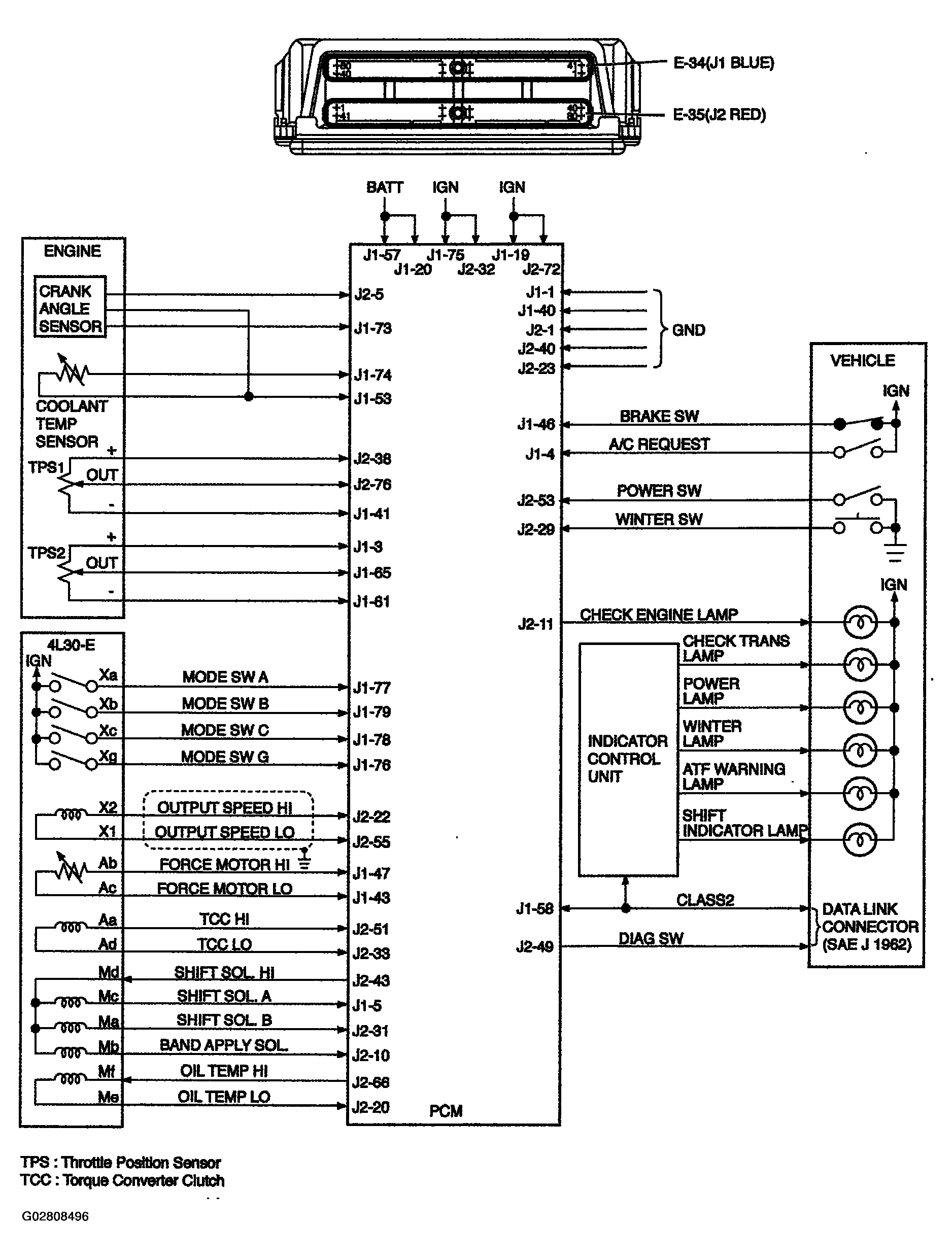
Fig 1: Identifying Powertrain Control Module (PCM)
G02808496Courtesy of ISUZU MOTOR CO.