LEMON Manuals: Even more car manuals for everyone
Home >> Infiniti >> 2021 >> Q60 Pure, AWD >> Repair and Diagnosis >> Engine Performance >> Engine Control Systems >> Engine Control System (Diagnostics) (1 Of 4) >> Description >> System >> Engine Control System >> Circuit Diagram >> Except for Mexico

Except for Mexico

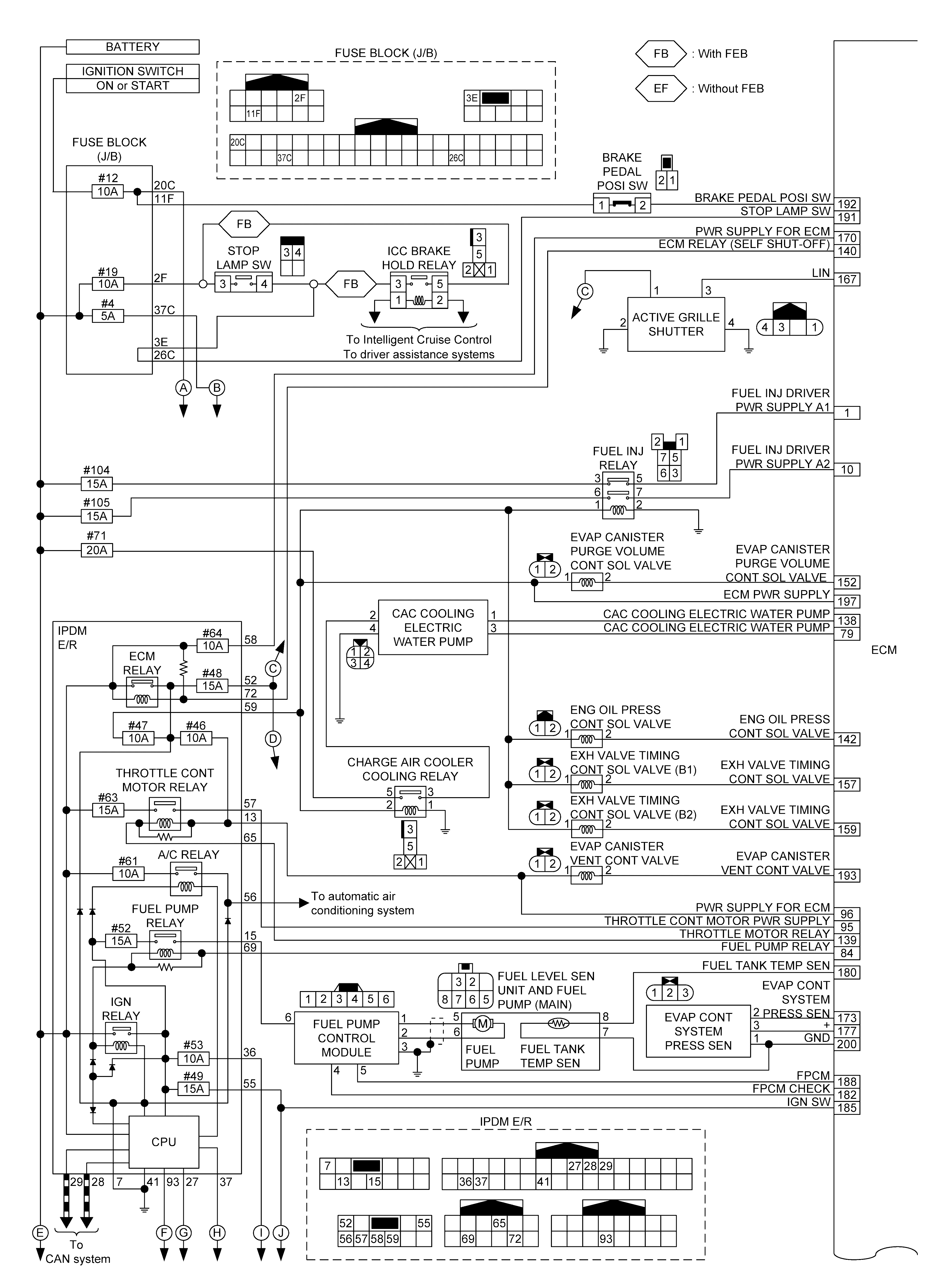
Turbo high pressure models 

GNSILL0319018Courtesy of NISSAN NORTH AMERICA, INC.
GNSILL0319019Courtesy of NISSAN NORTH AMERICA, INC.
GNSILL0332994Courtesy of NISSAN NORTH AMERICA, INC.
GNSILL0332995Courtesy of NISSAN NORTH AMERICA, INC.

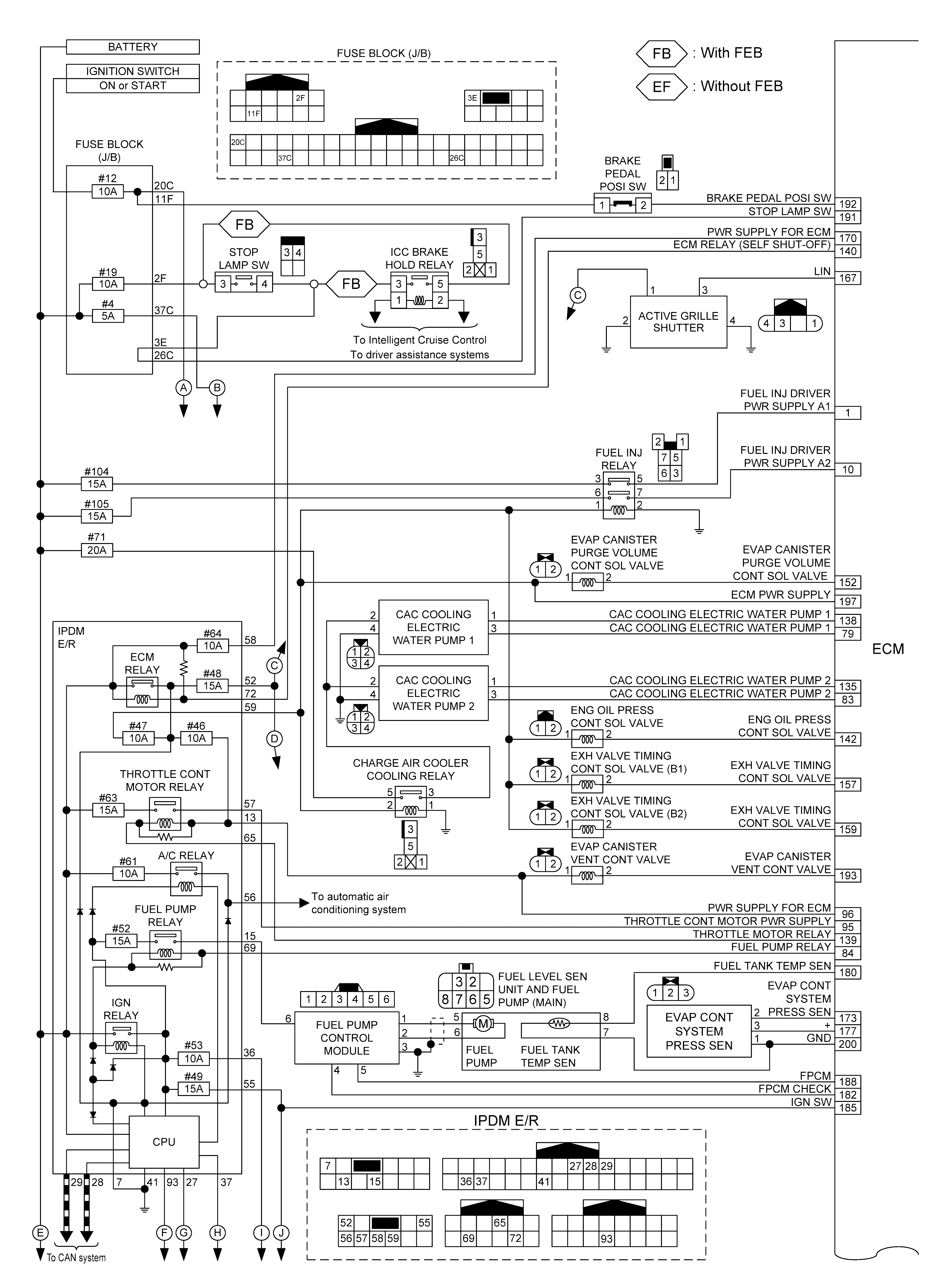
Turbo low pressure models 

GNSILL0319022Courtesy of NISSAN NORTH AMERICA, INC.
GNSILL0319023Courtesy of NISSAN NORTH AMERICA, INC.
GNSILL0332996Courtesy of NISSAN NORTH AMERICA, INC.
GNSILL0332997Courtesy of NISSAN NORTH AMERICA, INC.