LEMON Manuals: Even more car manuals for everyone
Home >> Infiniti >> 2018 >> QX30 Base >> Repair and Diagnosis >> External Pages >> Different car >> Section 8 (Security Control System) >> System Description >> System >> INFINITI Vehicle Immobilizer System-NATS >> Circuit Diagram >> For VR30DDTT Engine Models

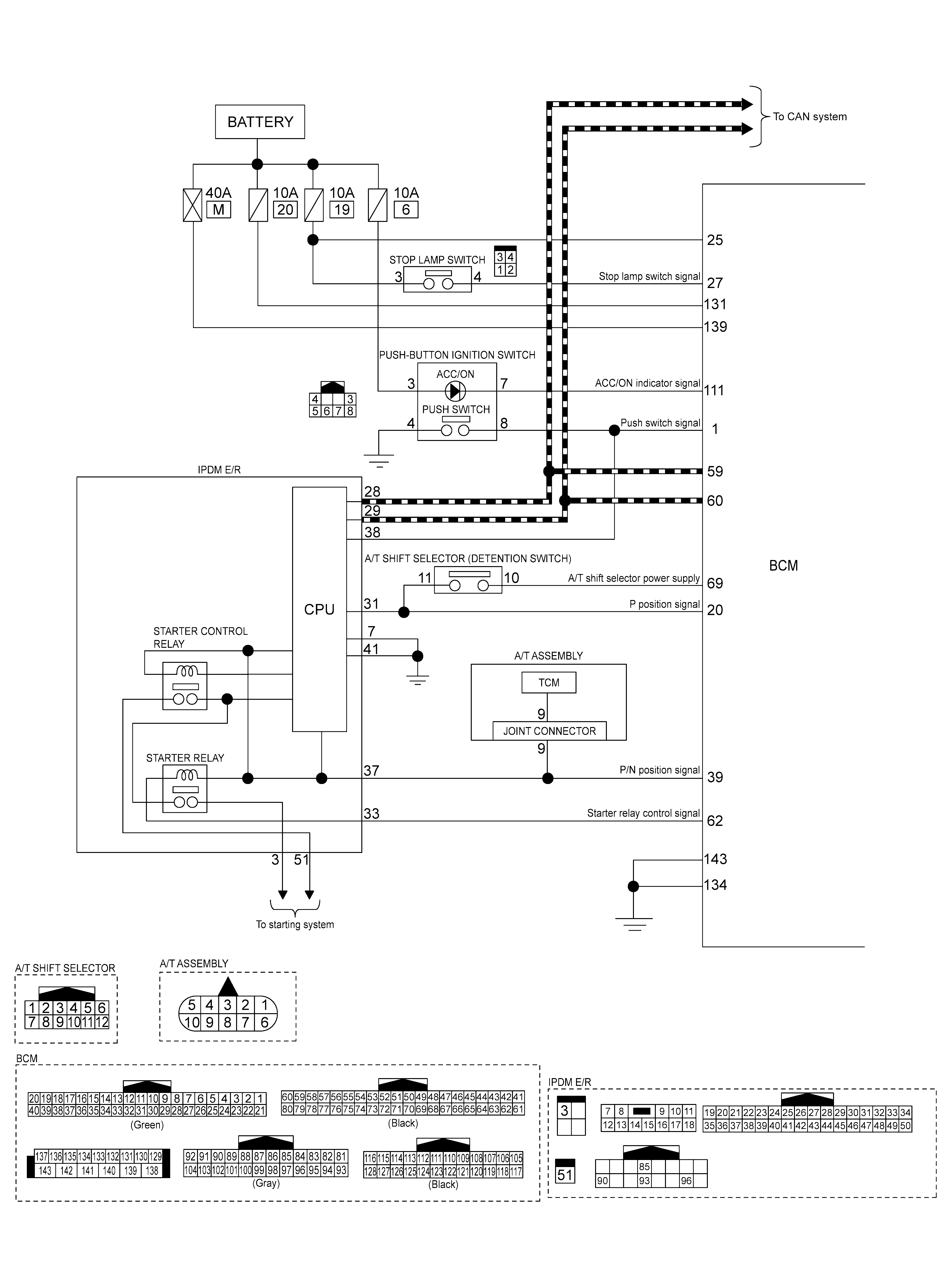
For VR30DDTT Engine Models

WARNING: This page is about a different car, the 2018 Infiniti Q60. However, it is still accessible from the selected car via links, so may be relevant.
GNSJMKIB7505GB-505Courtesy of NISSAN NORTH AMERICA, INC.
GNSJMKIB7506GB-506Courtesy of NISSAN NORTH AMERICA, INC.