LEMON Manuals: Even more car manuals for everyone
Home >> Infiniti >> 2018 >> QX30 Base >> Repair and Diagnosis >> External Pages >> Different car >> Section 8 (Security Control System) >> System Description >> System >> Circuit Diagram >> For VR30DDTT Engine Models

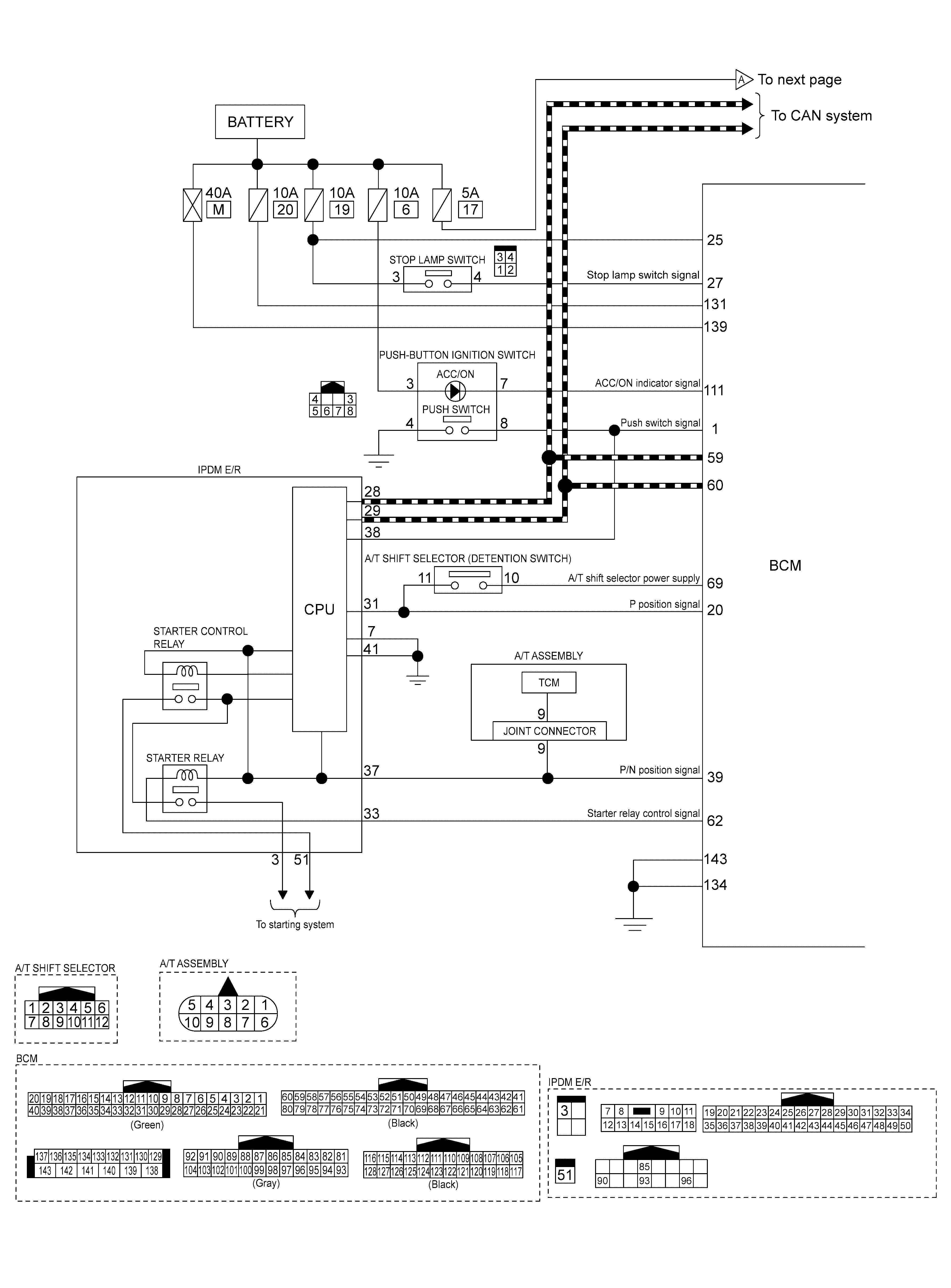
For VR30DDTT Engine Models

WARNING: This page is about a different car, the 2018 Infiniti Q60. However, it is still accessible from the selected car via links, so may be relevant.
GNSJMKIB7503GB-503Courtesy of NISSAN NORTH AMERICA, INC.
GNSJMKIB7497GB-497Courtesy of NISSAN NORTH AMERICA, INC.