LEMON Manuals: Even more car manuals for everyone
Home >> Infiniti >> 2017 >> QX80 Base, AWD >> Repair and Diagnosis >> External Pages >> Different car >> Section 20 (Power Control System (Power Distribution System) (DTC/Circuit Diagnosis)) >> DTC/Circuit Diagnosis >> Power Distribution System >> Wiring Diagram - PDS (Power Distribution System) -

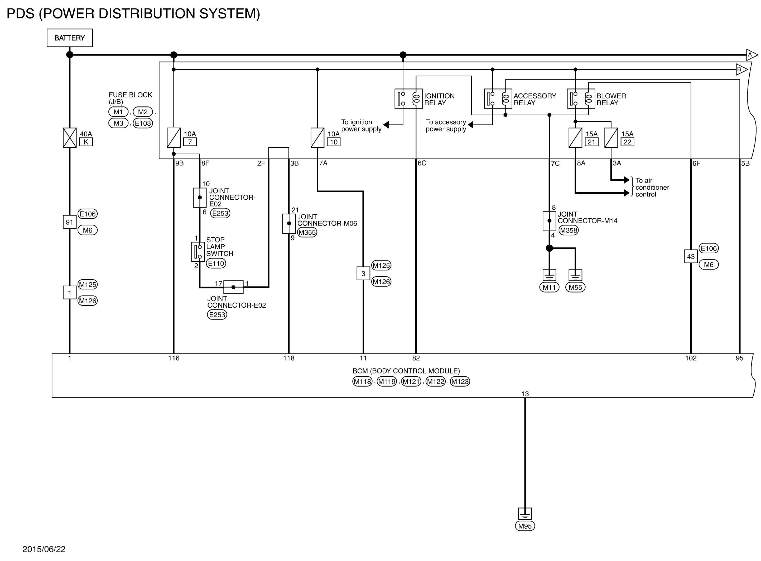
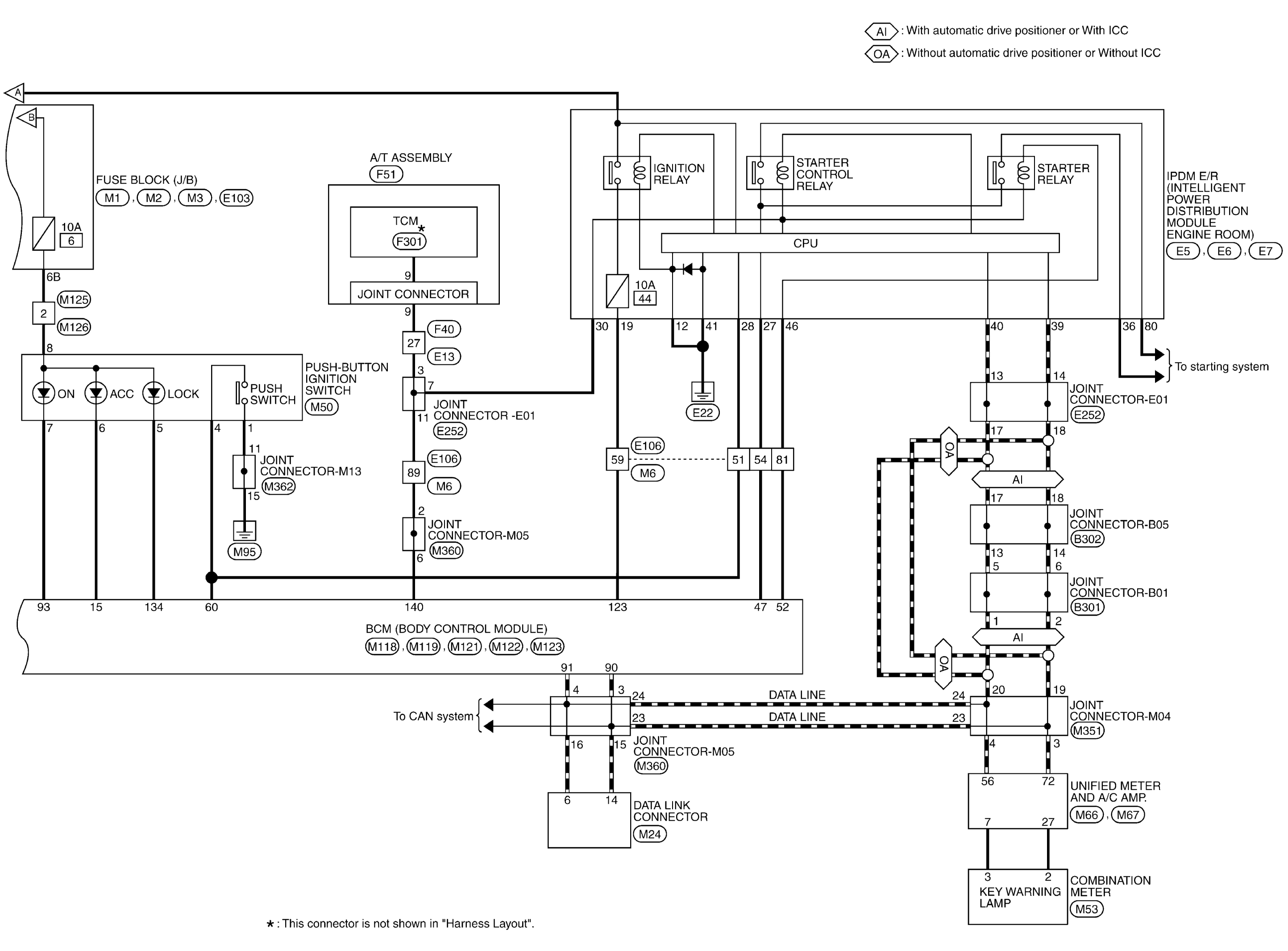
Wiring Diagram - PDS (Power Distribution System) -

WARNING: This page is about a different car, the 2016 Infiniti QX50. However, it is still accessible from the selected car via links, so may be relevant.
GNSJRMWI3778GB-778Courtesy of NISSAN NORTH AMERICA, INC.
GNSJRMWI3779GB-779Courtesy of NISSAN NORTH AMERICA, INC.
GNSJRMWI3780GB-780Courtesy of NISSAN NORTH AMERICA, INC.
GNSJRMWI3781GB-781Courtesy of NISSAN NORTH AMERICA, INC.
GNSJRMWI3782GB-782Courtesy of NISSAN NORTH AMERICA, INC.
GNSJRMWI3783GB-783Courtesy of NISSAN NORTH AMERICA, INC.
GNSJRMWI3784GB-784Courtesy of NISSAN NORTH AMERICA, INC.
GNSJRMWI3785GB-785Courtesy of NISSAN NORTH AMERICA, INC.
GNSJRMWI3786GB-786Courtesy of NISSAN NORTH AMERICA, INC.