LEMON Manuals: Even more car manuals for everyone
Home >> Infiniti >> 2017 >> QX80 Base, AWD >> Repair and Diagnosis >> External Pages >> Different car >> Section 19 (Security Control System (DTC/Circuit Diagnosis)) >> DTC/Circuit Diagnosis >> Vehicle Security System >> Wiring Diagram - Vehicle Security System -

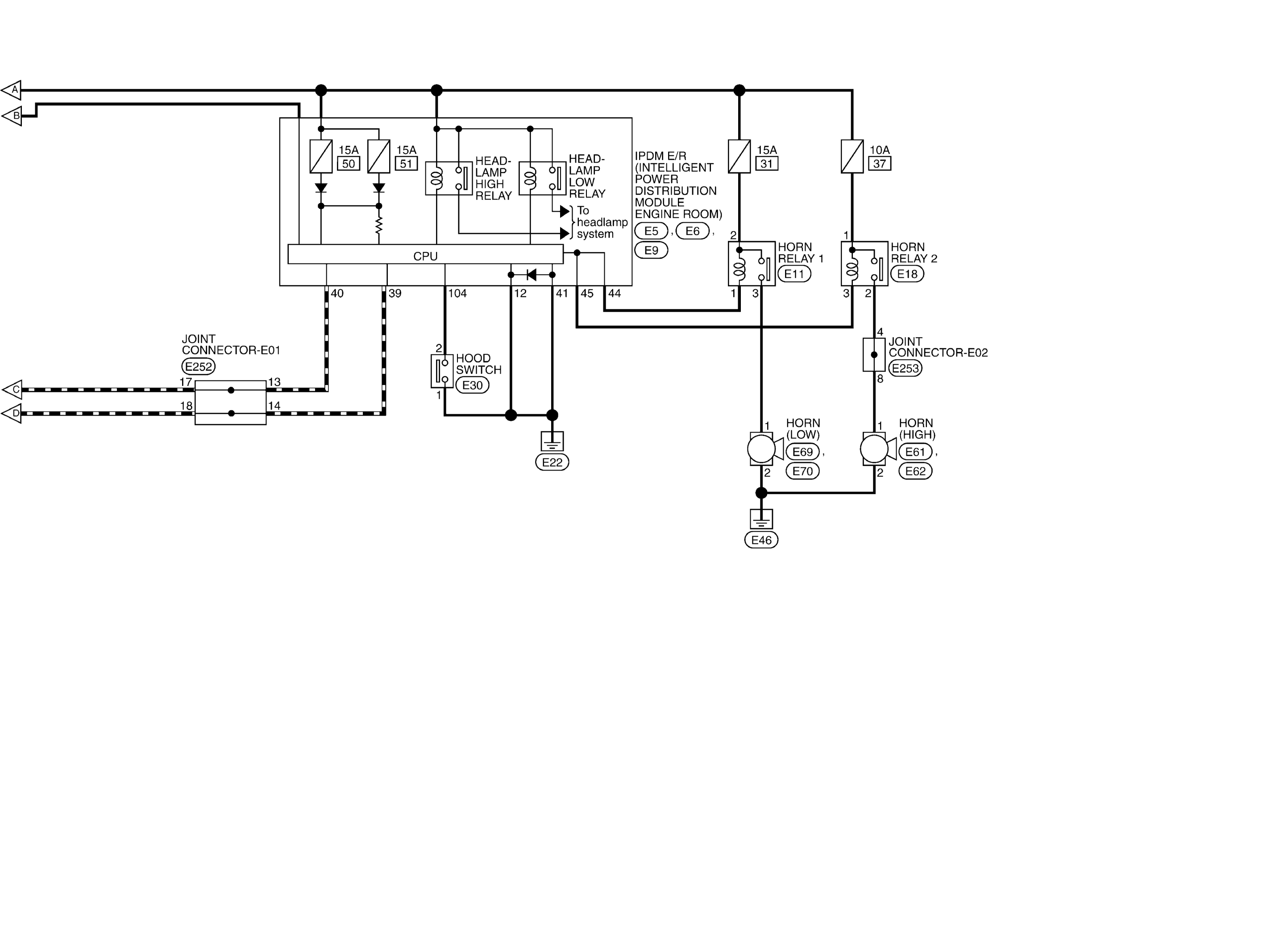
Wiring Diagram - Vehicle Security System -

WARNING: This page is about a different car, the 2016 Infiniti QX50. However, it is still accessible from the selected car via links, so may be relevant.
GNSJRKWF3775GB-775Courtesy of NISSAN NORTH AMERICA, INC.
GNSJRKWF3776GB-776Courtesy of NISSAN NORTH AMERICA, INC.
GNSJRKWF3777GB-777Courtesy of NISSAN NORTH AMERICA, INC.
GNSJRKWF3778GB-778Courtesy of NISSAN NORTH AMERICA, INC.
GNSJRKWF3779GB-779Courtesy of NISSAN NORTH AMERICA, INC.
GNSJRKWF3780GB-780Courtesy of NISSAN NORTH AMERICA, INC.
GNSJRKWF3781GB-781Courtesy of NISSAN NORTH AMERICA, INC.
GNSJRKWF3782GB-782Courtesy of NISSAN NORTH AMERICA, INC.
GNSJRKWF3783GB-783Courtesy of NISSAN NORTH AMERICA, INC.
GNSJRKWF3784GB-784Courtesy of NISSAN NORTH AMERICA, INC.
GNSJRKWF3785GB-785Courtesy of NISSAN NORTH AMERICA, INC.