LEMON Manuals: Even more car manuals for everyone
Home >> Infiniti >> 2017 >> QX80 Base, AWD >> Repair and Diagnosis >> External Pages >> Different car >> Section 19 (Security Control System (DTC/Circuit Diagnosis)) >> DTC/Circuit Diagnosis >> Intelligent Key System/Engine Start Function >> Wiring Diagram - Intelligent Key System/Engine Start Function -

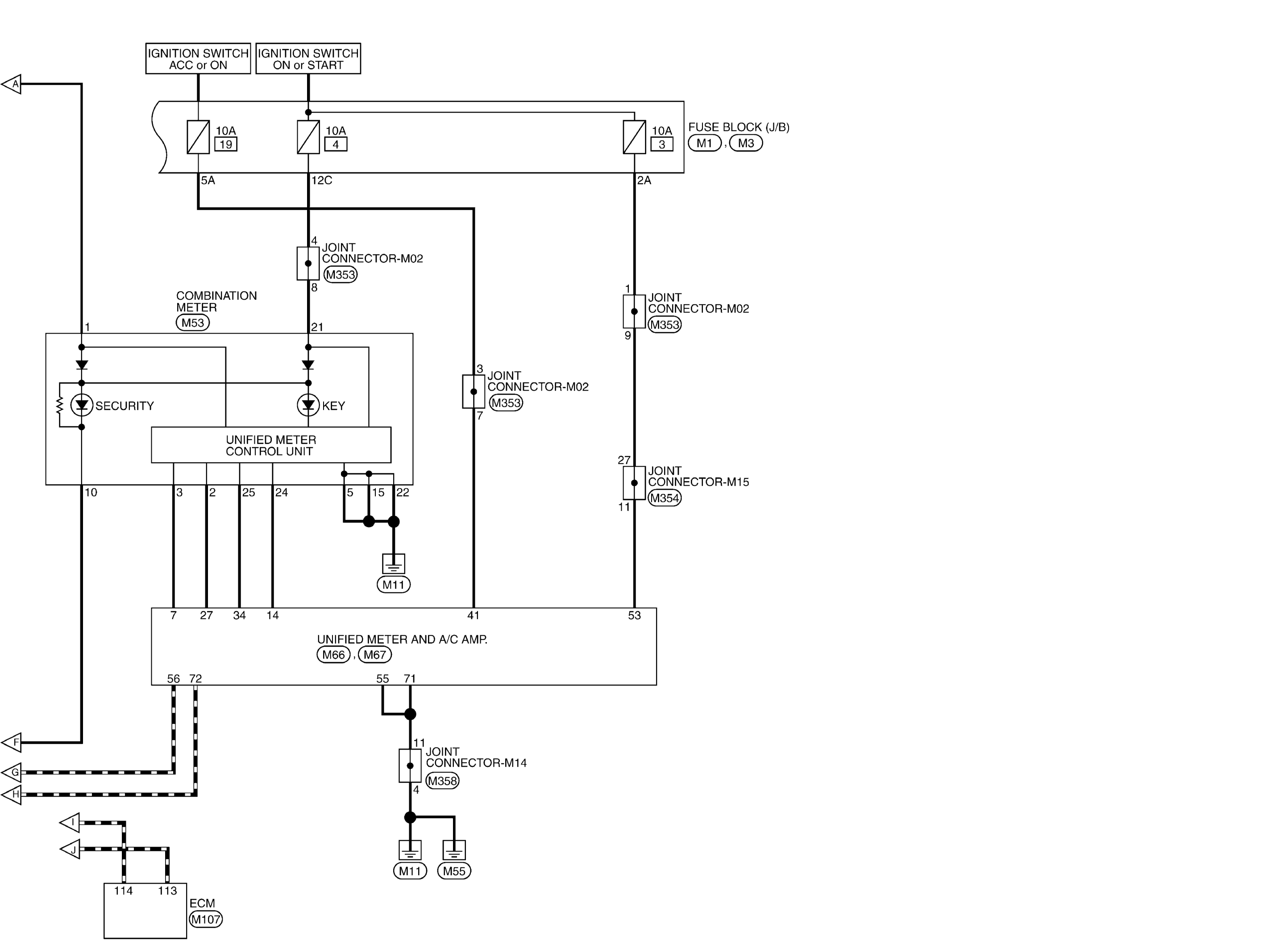
Wiring Diagram - Intelligent Key System/Engine Start Function -

WARNING: This page is about a different car, the 2016 Infiniti QX50. However, it is still accessible from the selected car via links, so may be relevant.
GNSJRKWF3761GB-761Courtesy of NISSAN NORTH AMERICA, INC.
GNSJRKWF3762GB-762Courtesy of NISSAN NORTH AMERICA, INC.
GNSJRKWF3763GB-763Courtesy of NISSAN NORTH AMERICA, INC.
GNSJRKWF3764GB-764Courtesy of NISSAN NORTH AMERICA, INC.
GNSJRKWF3765GB-765Courtesy of NISSAN NORTH AMERICA, INC.
GNSJRKWF3766GB-766Courtesy of NISSAN NORTH AMERICA, INC.
GNSJRKWF3767GB-767Courtesy of NISSAN NORTH AMERICA, INC.
GNSJRKWF3768GB-768Courtesy of NISSAN NORTH AMERICA, INC.
GNSJRKWF3769GB-769Courtesy of NISSAN NORTH AMERICA, INC.
GNSJRKWF3770GB-770Courtesy of NISSAN NORTH AMERICA, INC.
GNSJRKWF3771GB-771Courtesy of NISSAN NORTH AMERICA, INC.
GNSJRKWF3772GB-772Courtesy of NISSAN NORTH AMERICA, INC.
GNSJRKWF3773GB-773Courtesy of NISSAN NORTH AMERICA, INC.
GNSJRKWF3774GB-774Courtesy of NISSAN NORTH AMERICA, INC.