LEMON Manuals: Even more car manuals for everyone
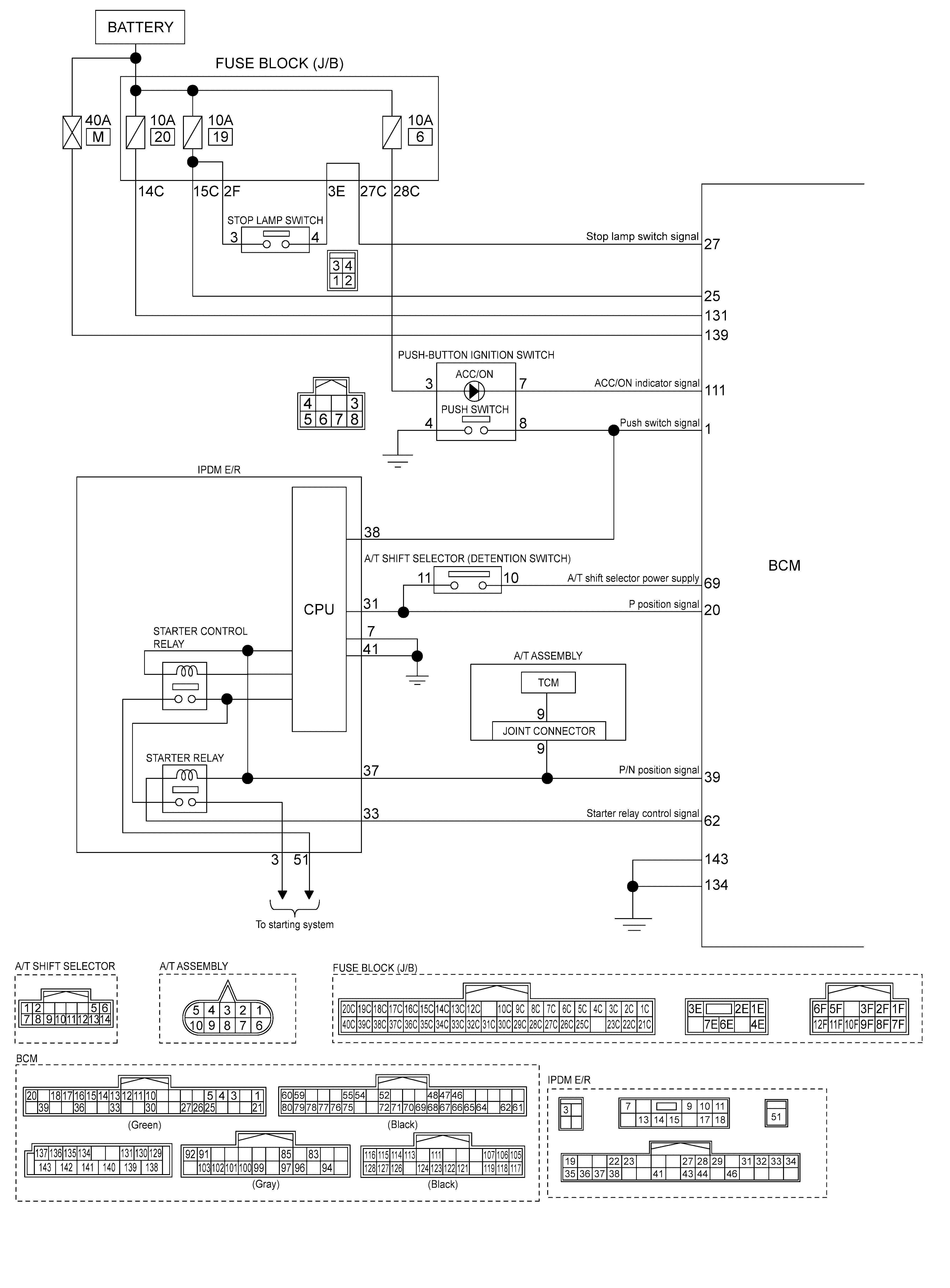
Home >> Infiniti >> 2017 >> Q60 Base, AWD >> Repair and Diagnosis >> Body & Frame >> Door Locks >> Security Control System >> System Description >> System >> INFINITI Vehicle Immobilizer System-NATS >> Circuit Diagram >> For VR30DDTT Engine Models

For VR30DDTT Engine Models

GNSJMKIB6821GB-821Courtesy of NISSAN NORTH AMERICA, INC.
GNSJMKIB6822GB-822Courtesy of NISSAN NORTH AMERICA, INC.