LEMON Manuals: Even more car manuals for everyone
Home >> Infiniti >> 2017 >> Q50 Base, AWD >> Repair and Diagnosis >> External Pages >> Different car >> Section 571 (Security Control System (Diagnostics)) >> Description >> System >> Intelligent Key System/Engine Start Function >> Circuit Diagram >> Security Control System (Diagnostics)

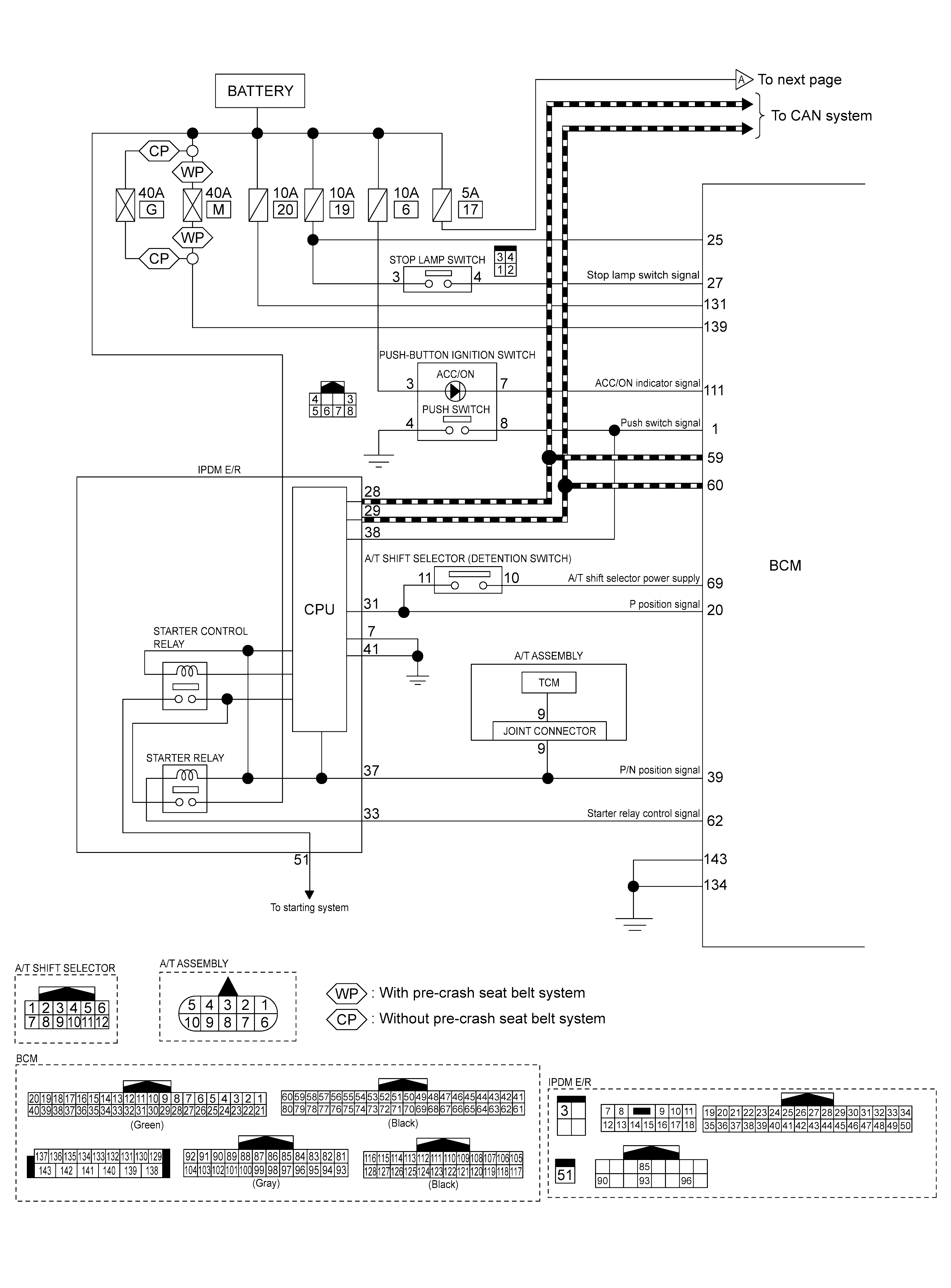
Security Control System (Diagnostics)

WARNING: This page is about a different car, the 2020 Infiniti Q50. However, it is still accessible from the selected car via links, so may be relevant.
GNSILL0217836-836Courtesy of NISSAN NORTH AMERICA, INC.
GNSJMKIB7497GB-497Courtesy of NISSAN NORTH AMERICA, INC.