LEMON Manuals: Even more car manuals for everyone
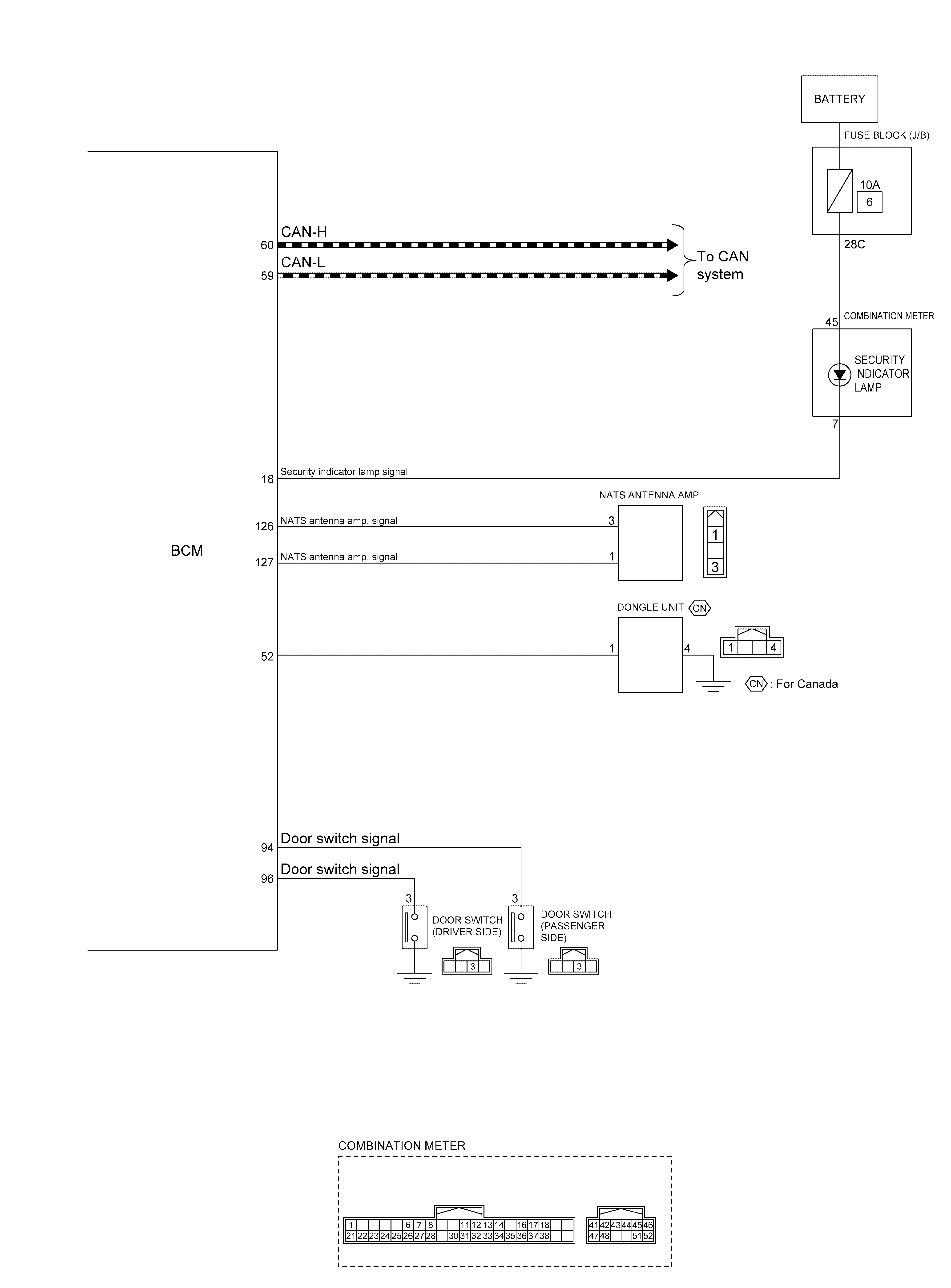
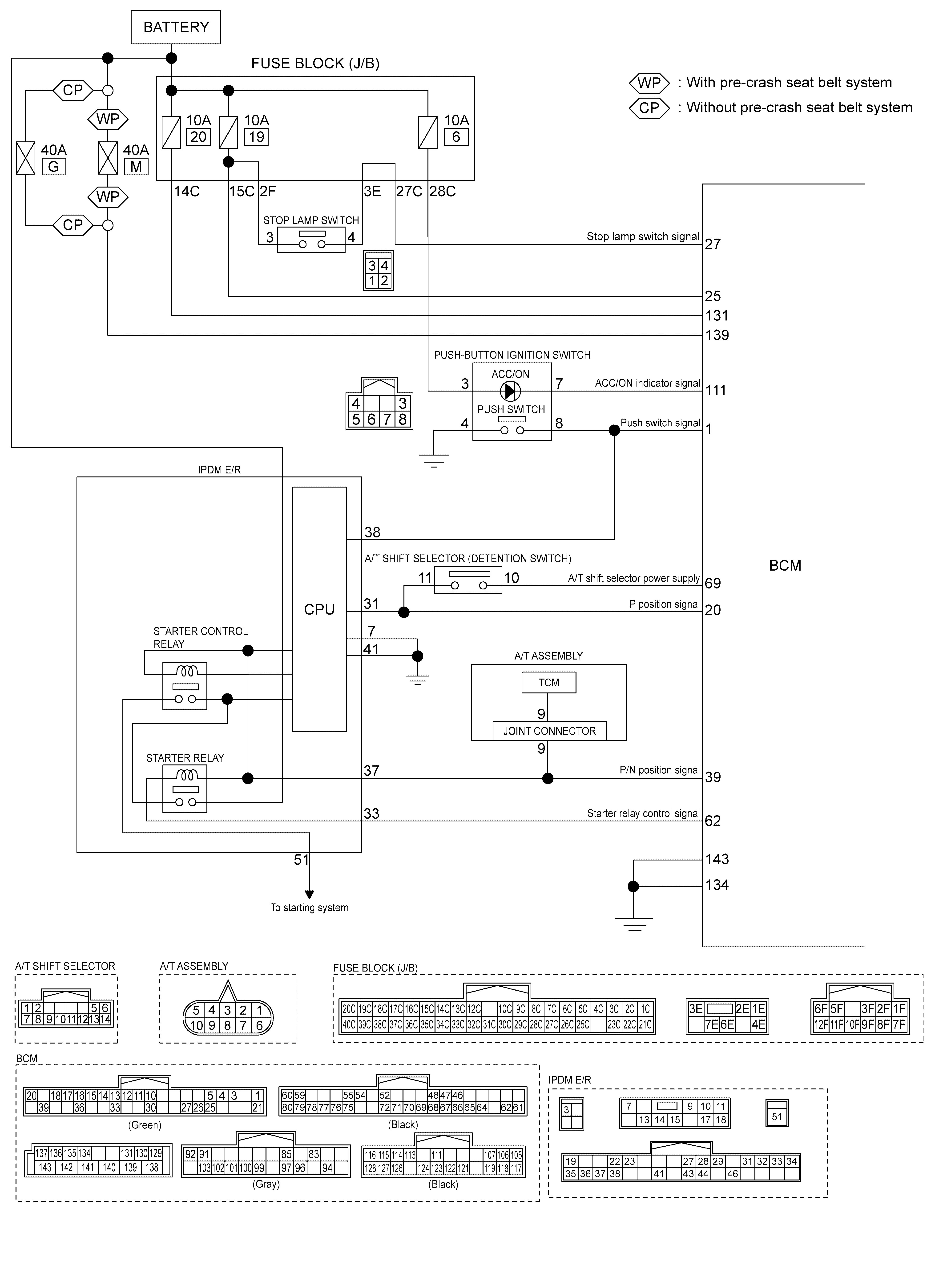
Home >> Infiniti >> 2017 >> Q50 Base, AWD >> Repair and Diagnosis >> External Pages >> Different car >> Section 420 (Security Control System) >> System Description >> System >> INFINITI Vehicle Immobilizer System-NATS >> Circuit Diagram >> For VR30DDTT Engine Models

For VR30DDTT Engine Models

WARNING: This page is about a different car, the 2019 Infiniti Q50. However, it is still accessible from the selected car via links, so may be relevant.
GNSILL0220610-610Courtesy of NISSAN NORTH AMERICA, INC.
GNSJMKIB6822GB-822Courtesy of NISSAN NORTH AMERICA, INC.