LEMON Manuals: Even more car manuals for everyone
Home >> Infiniti >> 2015 >> Q60 Base, 2D Convertible >> Repair and Diagnosis >> Accessories & Equipment >> Anti-Theft Systems >> Security Control System (Convertible) >> DTC/Circuit Diagnosis >> Vehicle Security System >> Wiring Diagram - Vehicle Security System -

Wiring Diagram - Vehicle Security System -

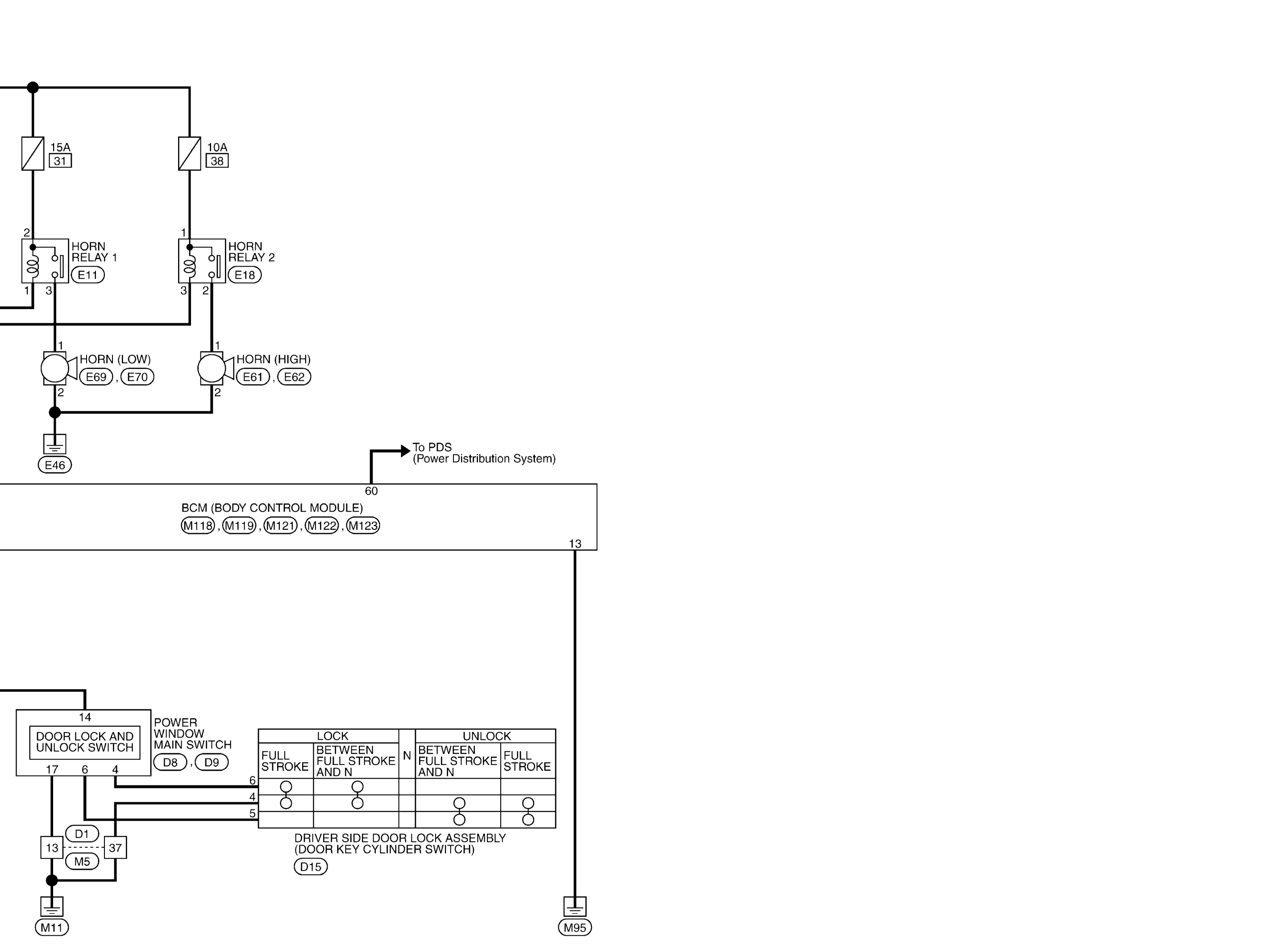
Fig 1: Vehicle Security System Wiring Diagram (1 Of 2)
G08448913Courtesy of NISSAN NORTH AMERICA, INC.
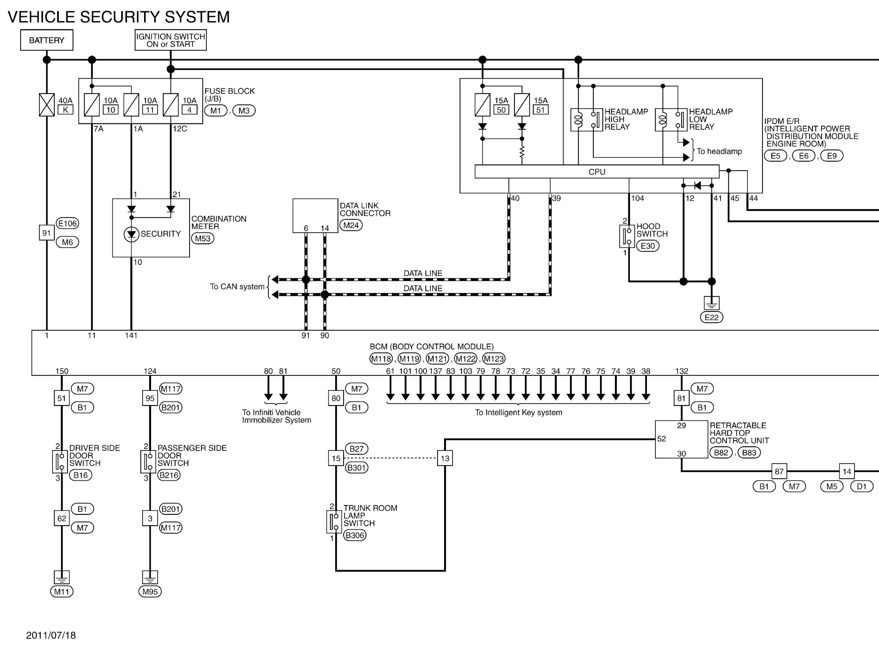
Fig 2: Vehicle Security System Wiring Diagram (2 Of 2)
G08448914Courtesy of NISSAN NORTH AMERICA, INC.