LEMON Manuals: Even more car manuals for everyone
Home >> Infiniti >> 2014 >> QX50 Base, AWD >> Repair and Diagnosis >> Engine Performance >> Testing & Diagnosis >> Engine Control System - Component Testing >> Ecu Diagnosis Information >> VVEL Control Module >> Wiring Diagram - ENGINE CONTROL SYSTEM

Wiring Diagram - ENGINE CONTROL SYSTEM

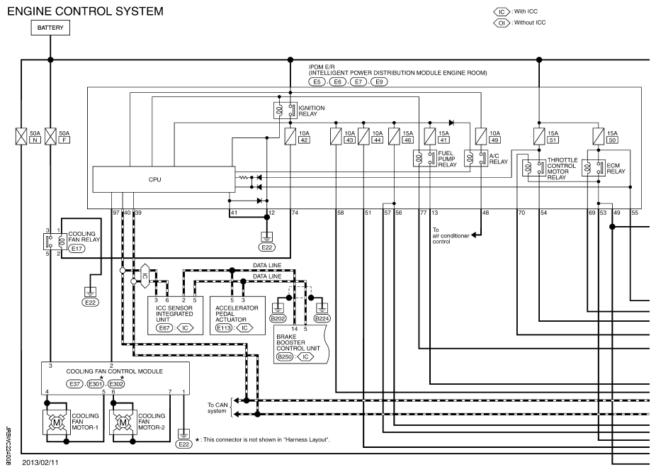
Fig 1: Engine Control System Wiring Diagram (1 Of 6)
G09171947Courtesy of NISSAN NORTH AMERICA, INC.
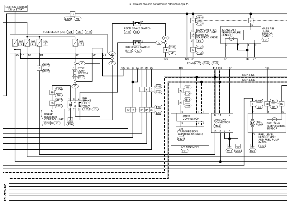
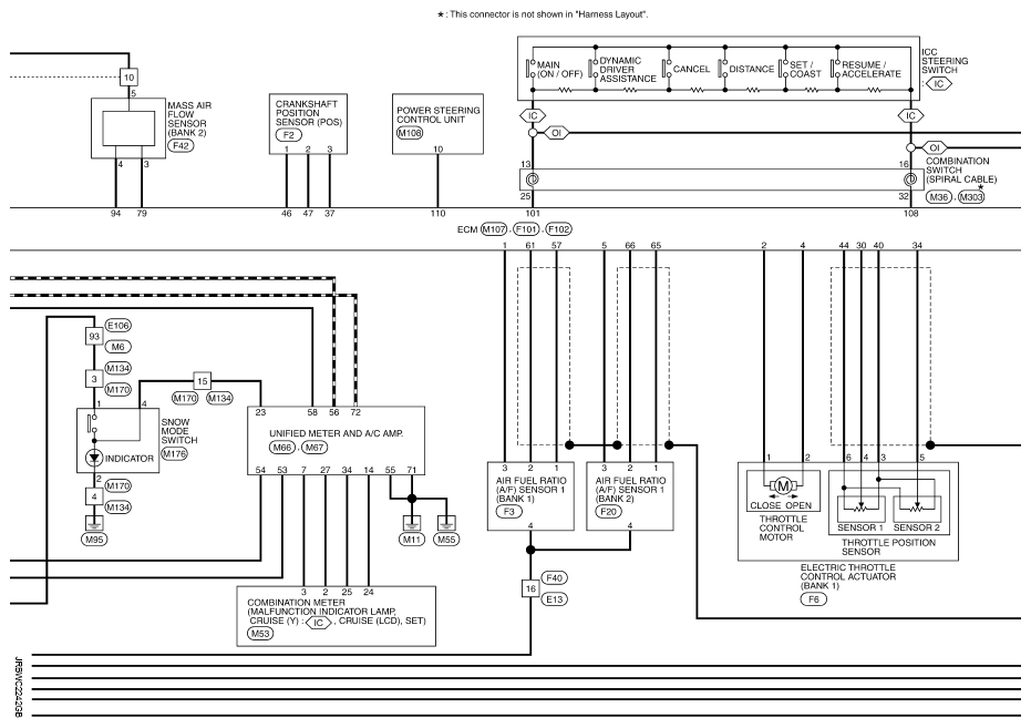
Fig 2: Engine Control System Wiring Diagram (2 Of 6)
G09171948Courtesy of NISSAN NORTH AMERICA, INC.
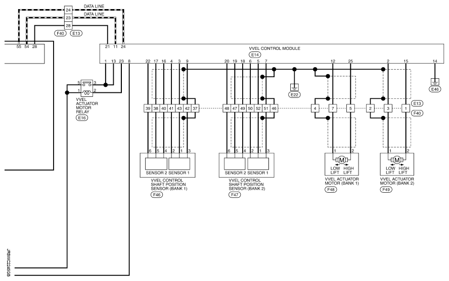
Fig 3: Engine Control System Wiring Diagram (3 Of 6)
G09171949Courtesy of NISSAN NORTH AMERICA, INC.
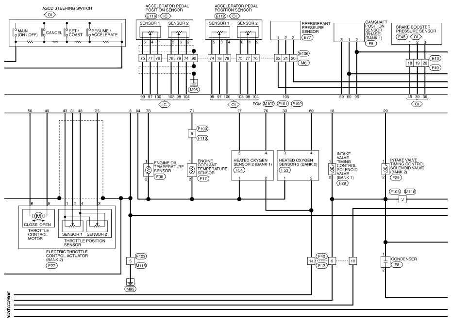
Fig 4: Engine Control System Wiring Diagram (4 Of 6)
G09171950Courtesy of NISSAN NORTH AMERICA, INC.
Fig 5: Engine Control System Wiring Diagram (5 Of 6)
G09171951Courtesy of NISSAN NORTH AMERICA, INC.
Fig 6: Engine Control System Wiring Diagram (6 Of 6)
G09171952Courtesy of NISSAN NORTH AMERICA, INC.
Fig 7: Engine Control System Connector End Views (1 Of 17)
G09171953Courtesy of NISSAN NORTH AMERICA, INC.
Fig 8: Engine Control System Connector End Views (2 Of 17)
G09171954Courtesy of NISSAN NORTH AMERICA, INC.
Fig 9: Engine Control System Connector End Views (3 Of 17)
G09171955Courtesy of NISSAN NORTH AMERICA, INC.
Fig 10: Engine Control System Connector End Views (4 Of 17)
G09171956Courtesy of NISSAN NORTH AMERICA, INC.
Fig 11: Engine Control System Connector End Views (5 Of 17)
G09171957Courtesy of NISSAN NORTH AMERICA, INC.
Fig 12: Engine Control System Connector End Views (6 Of 17)
G09171958Courtesy of NISSAN NORTH AMERICA, INC.
Fig 13: Engine Control System Connector End Views (7 Of 17)
G09171959Courtesy of NISSAN NORTH AMERICA, INC.
Fig 14: Engine Control System Connector End Views (8 Of 17)
G09171960Courtesy of NISSAN NORTH AMERICA, INC.
Fig 15: Engine Control System Connector End Views (9 Of 17)
G09171961Courtesy of NISSAN NORTH AMERICA, INC.
Fig 16: Engine Control System Connector End Views (10 Of 17)
G09171962Courtesy of NISSAN NORTH AMERICA, INC.
Fig 17: Engine Control System Connector End Views (11 Of 17)
G09171963Courtesy of NISSAN NORTH AMERICA, INC.
Fig 18: Engine Control System Connector End Views (12 Of 17)
G09171964Courtesy of NISSAN NORTH AMERICA, INC.
Fig 19: Engine Control System Connector End Views (13 Of 17)
G09171965Courtesy of NISSAN NORTH AMERICA, INC.
Fig 20: Engine Control System Connector End Views (14 Of 17)
G09171966Courtesy of NISSAN NORTH AMERICA, INC.
Fig 21: Engine Control System Connector End Views (15 Of 17)
G09171967Courtesy of NISSAN NORTH AMERICA, INC.
Fig 22: Engine Control System Connector End Views (16 Of 17)
G09171968Courtesy of NISSAN NORTH AMERICA, INC.
Fig 23: Engine Control System Connector End Views (17 Of 17)
G09171969Courtesy of NISSAN NORTH AMERICA, INC.