LEMON Manuals: Even more car manuals for everyone
Home >> Infiniti >> 2014 >> Q60 Sport >> Repair and Diagnosis >> External Pages >> Different variant/trim >> Section 74 (Engine Control System - Component Testing (Convertible)) >> Ecu Diagnosis Information >> VVEL Control Module >> Wiring Diagram - ENGINE CONTROL SYSTEM -

Wiring Diagram - ENGINE CONTROL SYSTEM -

WARNING: This page is about a different variant/trim than selected.
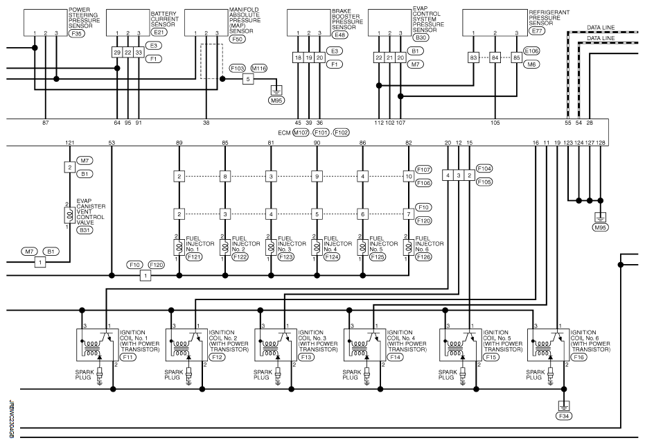
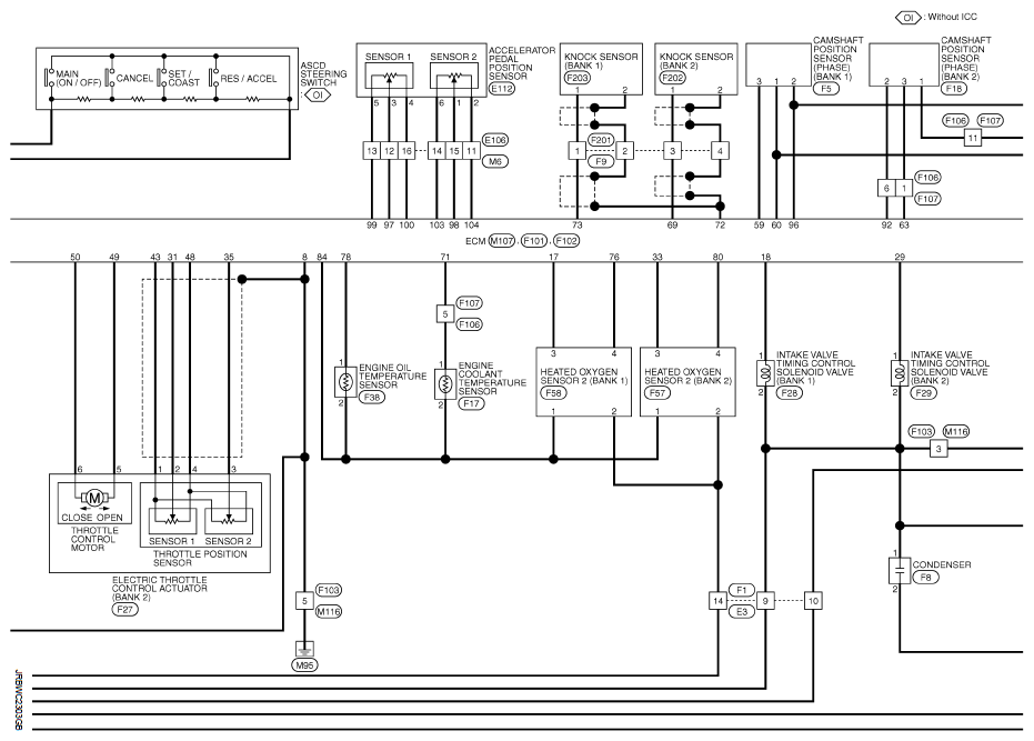
Fig 1: Engine Control System Wiring Diagram (1 Of 6)
G09465539Courtesy of NISSAN NORTH AMERICA, INC.
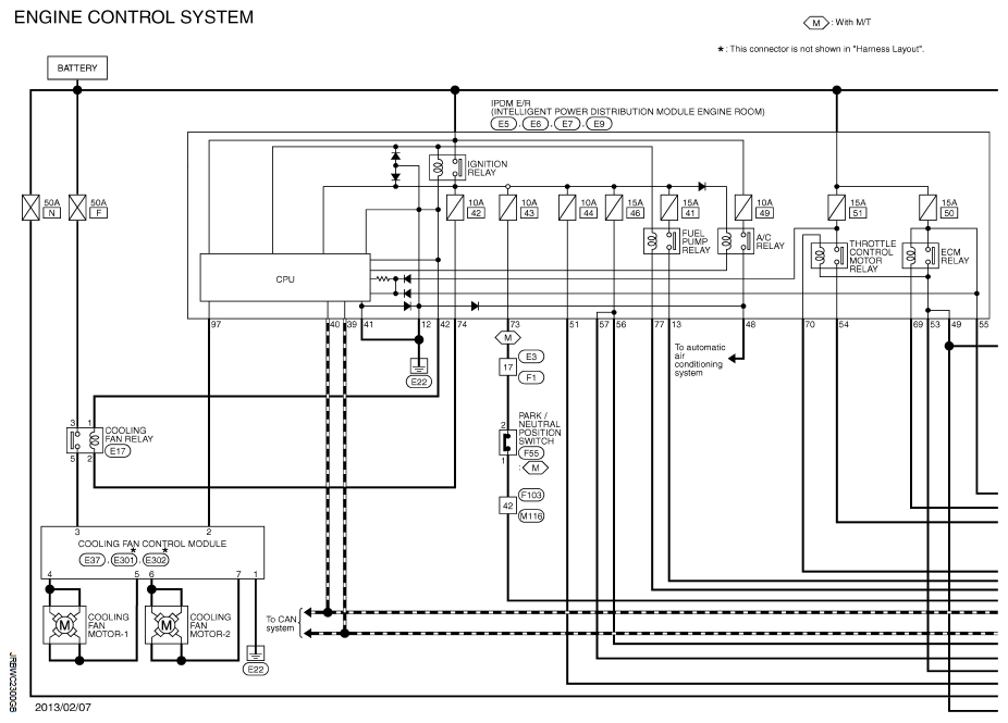
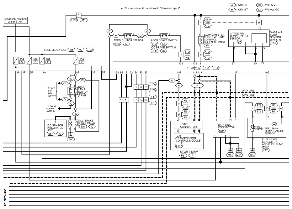
Fig 2: Engine Control System Wiring Diagram (2 Of 6)
G09465540Courtesy of NISSAN NORTH AMERICA, INC.
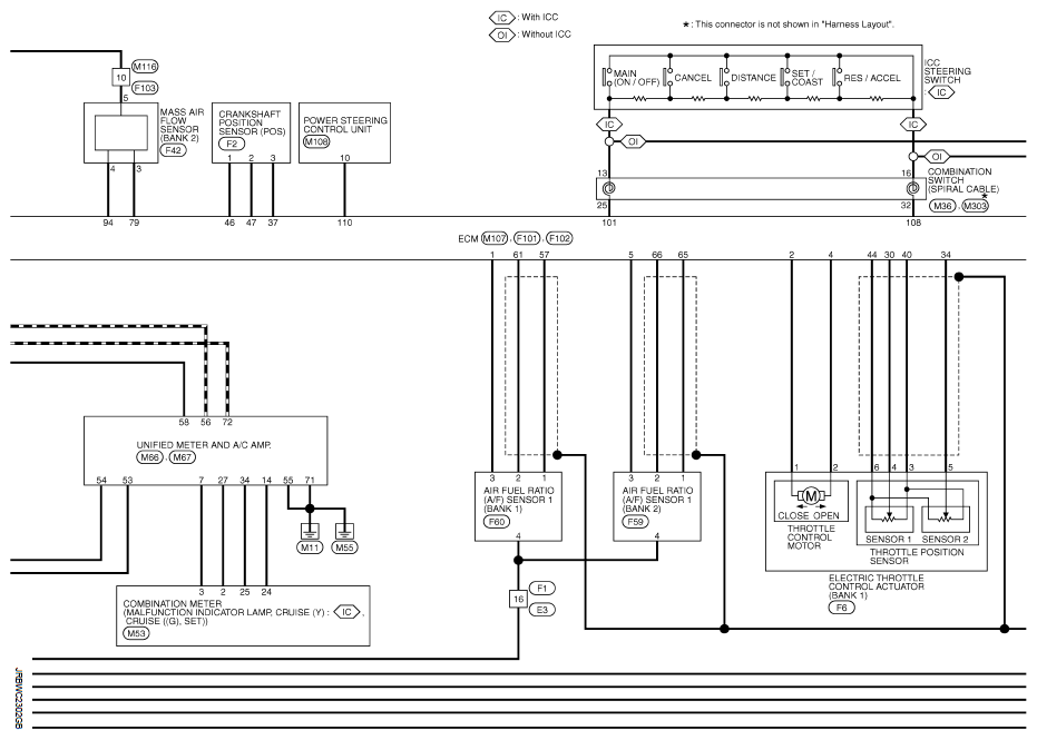
Fig 3: Engine Control System Wiring Diagram (3 Of 6)
G09465541Courtesy of NISSAN NORTH AMERICA, INC.
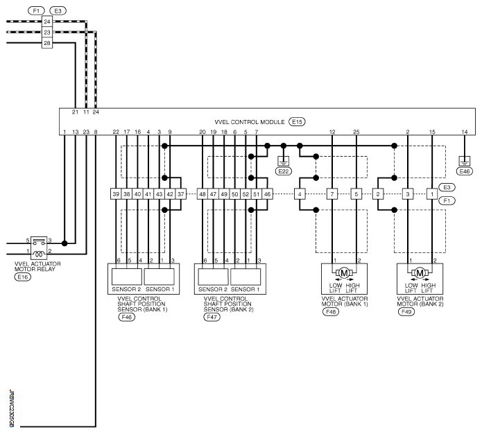
Fig 4: Engine Control System Wiring Diagram (4 Of 6)
G09465542Courtesy of NISSAN NORTH AMERICA, INC.
Fig 5: Engine Control System Wiring Diagram (5 Of 6)
G09465543Courtesy of NISSAN NORTH AMERICA, INC.
Fig 6: Engine Control System Wiring Diagram (6 Of 6)
G09465544Courtesy of NISSAN NORTH AMERICA, INC.