LEMON Manuals: Even more car manuals for everyone
Home >> Infiniti >> 2013 >> G37 Base >> Repair and Diagnosis >> External Pages >> Different variant/trim >> Section 40 (Security Control System (Sedan)) >> DTC/Circuit Diagnosis >> Intelligent Key System/Engine Start Function >> Wiring Diagram - INTELLIGENT KEY SYSTEM/ENGINE START FUNCTION -

Wiring Diagram - INTELLIGENT KEY SYSTEM/ENGINE START FUNCTION -

WARNING: This page is about a different variant/trim than selected.

For connector terminal arrangements, harness layouts, and letters in a (option abbreviation; if not described in wiring diagram), refer to "CONNECTOR INFORMATION ".

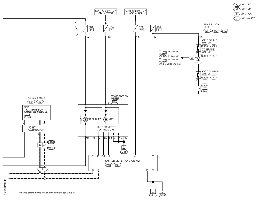
Fig 1: Intelligent Key System/Engine Start Function Wiring Diagram (1 Of 3)
G09012983Courtesy of NISSAN NORTH AMERICA, INC.
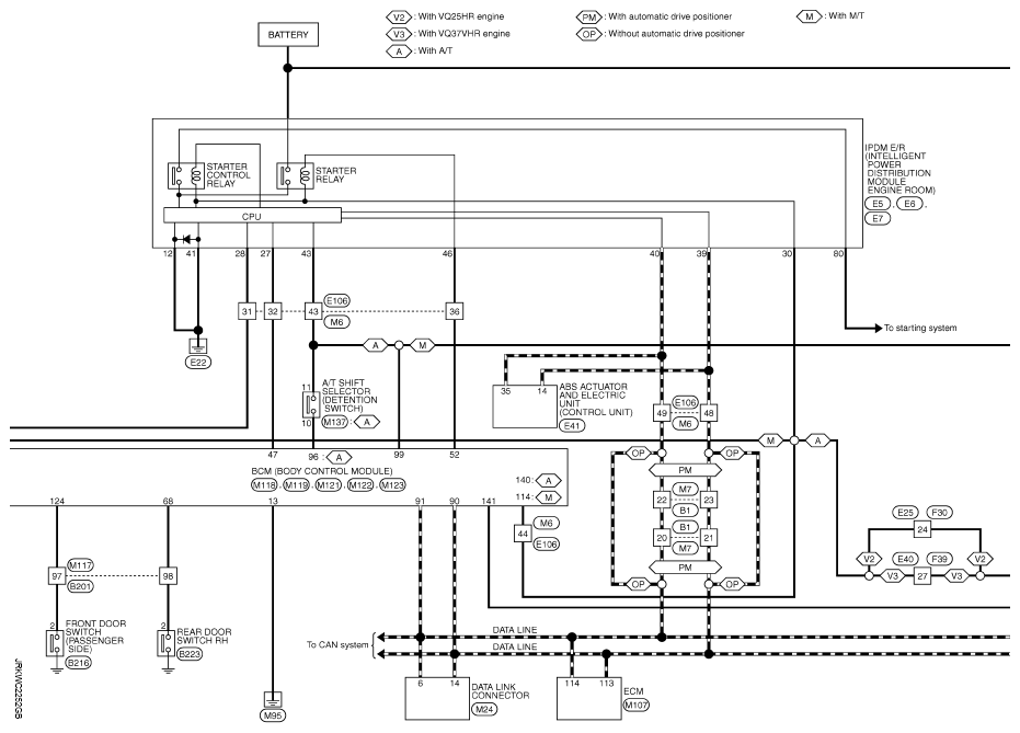
Fig 2: Intelligent Key System/Engine Start Function Wiring Diagram (2 Of 3)
G09012984Courtesy of NISSAN NORTH AMERICA, INC.
Fig 3: Intelligent Key System/Engine Start Function Wiring Diagram (3 Of 3)
G09012985Courtesy of NISSAN NORTH AMERICA, INC.