LEMON Manuals: Even more car manuals for everyone
Home >> Infiniti >> 2013 >> FX37 Base, AWD >> Repair and Diagnosis >> Accessories & Equipment >> Anti-Theft Systems >> Security Control System >> DTC/Circuit Diagnosis >> Intelligent Key System/Engine Start Function >> Wiring Diagram - INTELLIGENT KEY SYSTEM/ENGINE START FUNCTION

Wiring Diagram - INTELLIGENT KEY SYSTEM/ENGINE START FUNCTION

For connector terminal arrangements, harness layouts, and letters in a "diamond shape" symbol (option abbreviation; if not described in wiring diagram), refer to "CONNECTOR INFORMATION ".

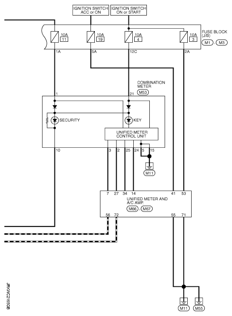
Fig 1: Intelligent Key System/Engine Start Function Wiring Diagram (1 Of 3)
G09006138Courtesy of NISSAN NORTH AMERICA, INC.
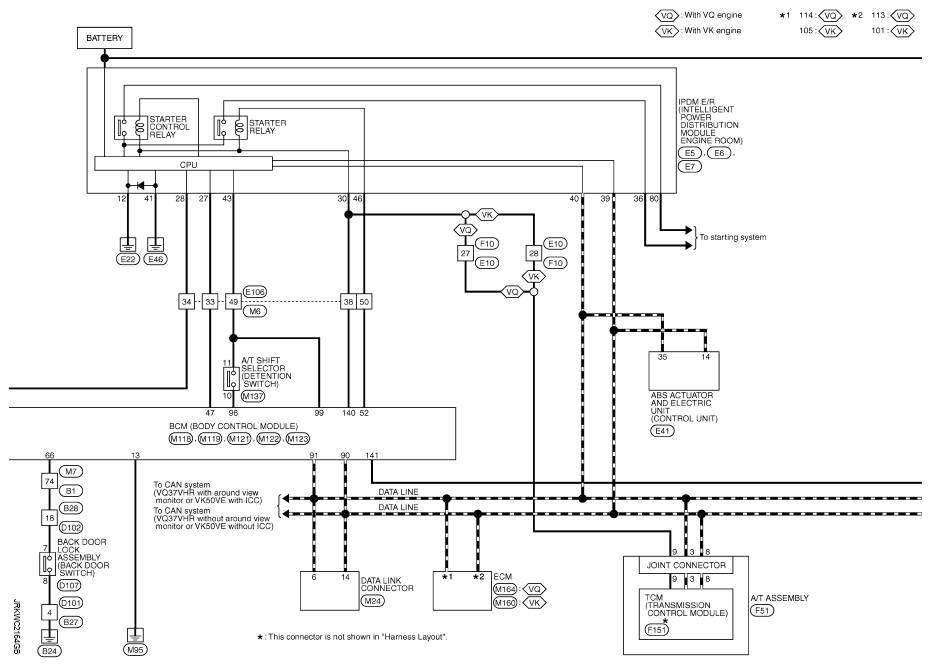
Fig 2: Intelligent Key System/Engine Start Function Wiring Diagram (2 Of 3)
G09006139Courtesy of NISSAN NORTH AMERICA, INC.
Fig 3: Intelligent Key System/Engine Start Function Wiring Diagram (3 Of 3)
G09006140Courtesy of NISSAN NORTH AMERICA, INC.