LEMON Manuals: Even more car manuals for everyone
Home >> Infiniti >> 2013 >> EX37 Base, AWD >> Repair and Diagnosis >> External Pages >> Different car >> Section 64 (Audio, Visual & Navigation System - Base Audio Without Navigation) >> Base Audio Without Navigation >> Ecu Diagnosis >> Av Control Unit >> Wiring Diagram - BASE AUDIO WITHOUT NAVIGATION SYSTEM

Wiring Diagram - BASE AUDIO WITHOUT NAVIGATION SYSTEM

WARNING: This page is about a different car, the 2008 Infiniti EX35. However, it is still accessible from the selected car via links, so may be relevant.
Fig 1: Identifying Base Audio Without Navigation System - Wiring Diagram (1 Of 3)
G05731612Courtesy of NISSAN MOTOR CO., U.S.A.
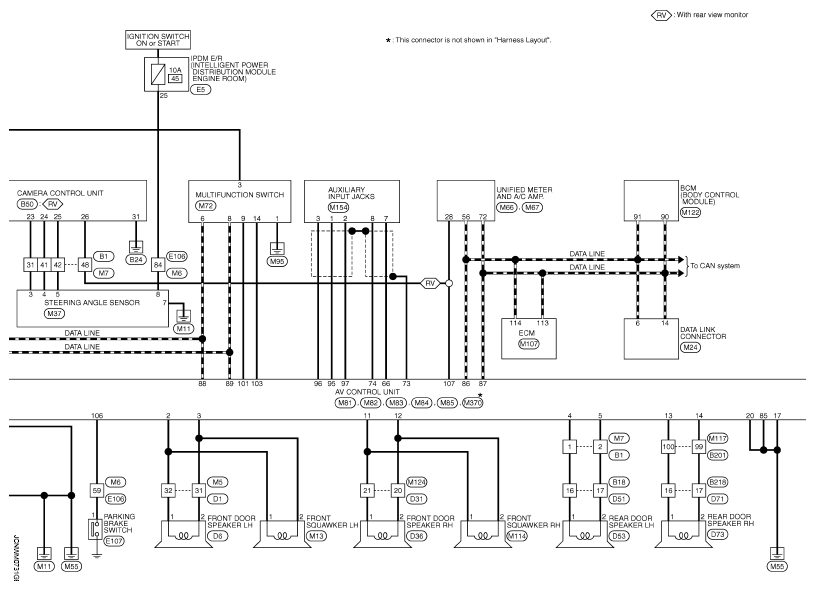
Fig 2: Identifying Base Audio Without Navigation System - Wiring Diagram (2 Of 3)
G05731613Courtesy of NISSAN MOTOR CO., U.S.A.
Fig 3: Identifying Base Audio Without Navigation System - Wiring Diagram (3 Of 3)
G05731614Courtesy of NISSAN MOTOR CO., U.S.A.
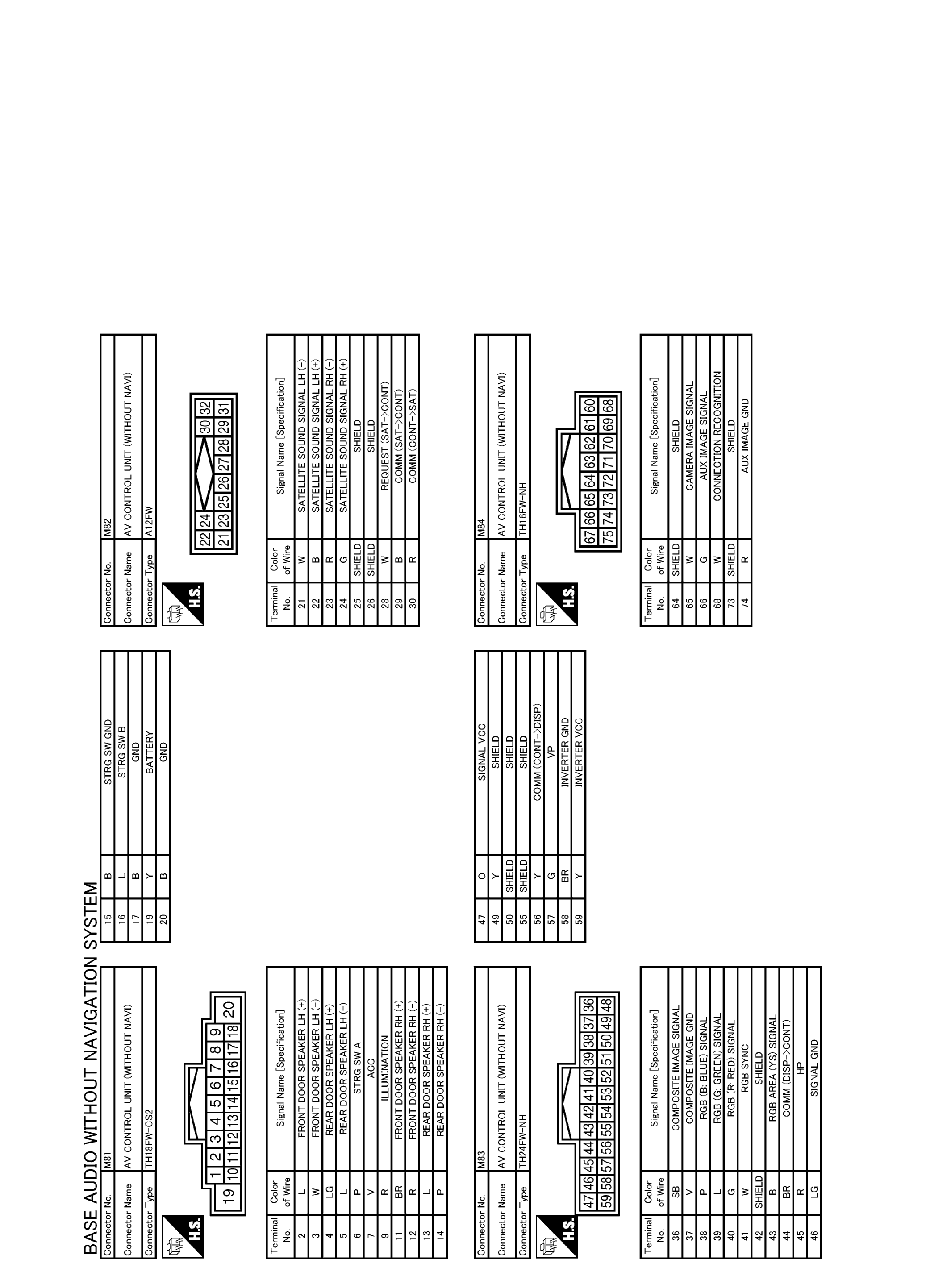
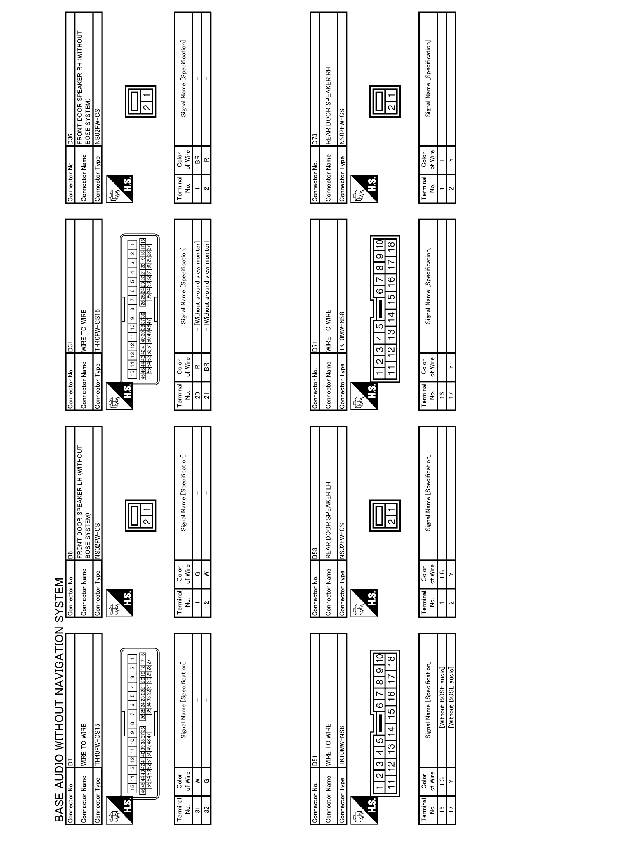
Fig 4: Identifying Base Audio Without Navigation System Connectors (1 Of 10)
G05731615Courtesy of NISSAN MOTOR CO., U.S.A.
Fig 5: Identifying Base Audio Without Navigation System Connectors (2 Of 10)
G05731616Courtesy of NISSAN MOTOR CO., U.S.A.
Fig 6: Identifying Base Audio Without Navigation System Connectors (3 Of 10)
G05731617Courtesy of NISSAN MOTOR CO., U.S.A.
Fig 7: Identifying Base Audio Without Navigation System Connectors (4 Of 10)
G05731618Courtesy of NISSAN MOTOR CO., U.S.A.
Fig 8: Identifying Base Audio Without Navigation System Connectors (5 Of 10)
G05731619Courtesy of NISSAN MOTOR CO., U.S.A.
Fig 9: Identifying Base Audio Without Navigation System Connectors (6 Of 10)
G05731620Courtesy of NISSAN MOTOR CO., U.S.A.
Fig 10: Identifying Base Audio Without Navigation System Connectors (7 Of 10)
G05731621Courtesy of NISSAN MOTOR CO., U.S.A.
Fig 11: Identifying Base Audio Without Navigation System Connectors (8 Of 10)
G05731622Courtesy of NISSAN MOTOR CO., U.S.A.
Fig 12: Identifying Base Audio Without Navigation System Connectors (9 Of 10)
G05731623Courtesy of NISSAN MOTOR CO., U.S.A.
Fig 13: Identifying Base Audio Without Navigation System Connectors (10 Of 10)
G05731624Courtesy of NISSAN MOTOR CO., U.S.A.
NOTE: The name MULTIFUNCTION SWITCH indicates the integration of PRESET SWITCH and MULTIFUNCTION SWITCH virtually.