LEMON Manuals: Even more car manuals for everyone
Home >> Infiniti >> 2013 >> EX37 Base, AWD >> Repair and Diagnosis >> External Pages >> Different car >> Section 32 (Security Control System) >> Ecu Diagnosis >> BCM (Body Control Module) >> Wiring Diagram - BCM

Wiring Diagram - BCM

WARNING: This page is about a different car, the 2008 Infiniti EX35. However, it is still accessible from the selected car via links, so may be relevant.
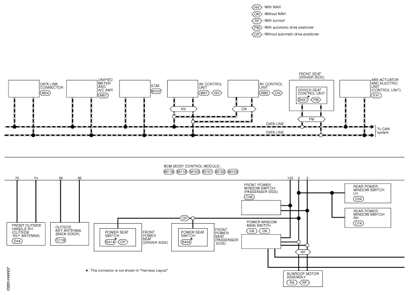
Fig 1: Identifying Body Control Module - Wiring Diagram (1 Of 5)
G05728491Courtesy of NISSAN MOTOR CO., U.S.A.
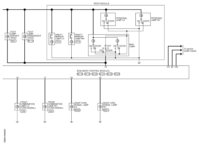
Fig 2: Identifying Body Control Module - Wiring Diagram (2 Of 5)
G05728492Courtesy of NISSAN MOTOR CO., U.S.A.
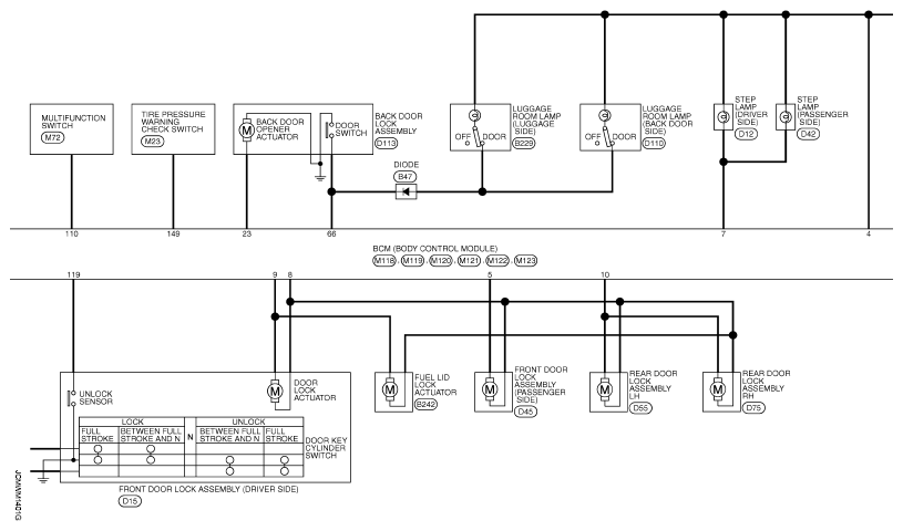
Fig 3: Identifying Body Control Module - Wiring Diagram (3 Of 5)
G05728493Courtesy of NISSAN MOTOR CO., U.S.A.
Fig 4: Identifying Body Control Module - Wiring Diagram (4 Of 5)
G05728494Courtesy of NISSAN MOTOR CO., U.S.A.
Fig 5: Identifying Body Control Module - Wiring Diagram (5 Of 5)
G05728495Courtesy of NISSAN MOTOR CO., U.S.A.
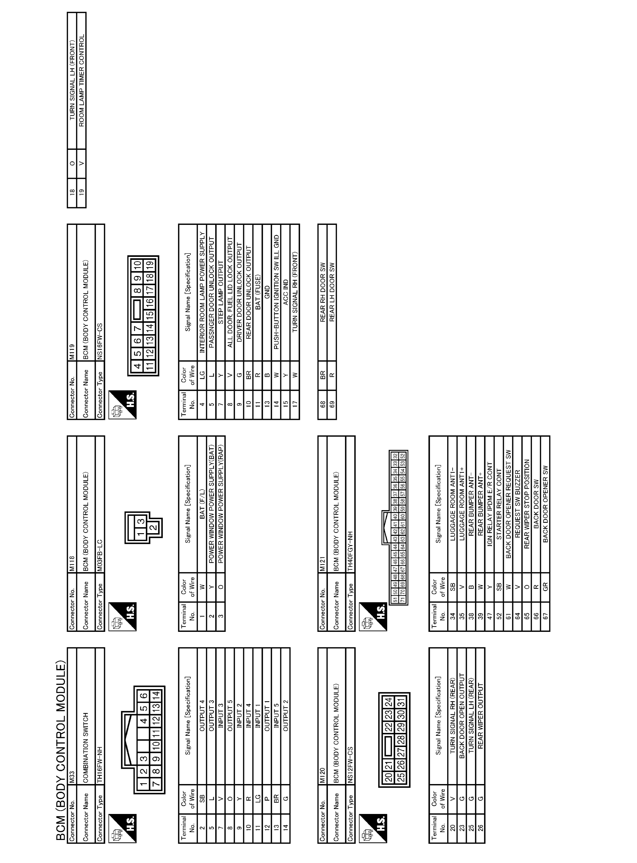
Fig 6: Identifying Body Control Module Connector Terminals (1 Of 2)
G05728496Courtesy of NISSAN MOTOR CO., U.S.A.
Fig 7: Identifying Body Control Module Connector Terminals (2 Of 2)
G05728497Courtesy of NISSAN MOTOR CO., U.S.A.