LEMON Manuals: Even more car manuals for everyone
Home >> Infiniti >> 2012 >> G37 IPL, Automatic Trans >> Repair and Diagnosis >> External Pages >> Different car >> Section 17 (Security Control System) >> Wiring Diagram >> Security Control System >> Wiring Diagram

Security Control System: Wiring Diagram

WARNING: This page is about a different car, the 2011 Nissan Leaf. However, it is still accessible from the selected car via links, so may be relevant.

For connector terminal arrangements, harness layouts, and alphabets in a (option abbreviation; if not described in wiring diagram), refer to "CONNECTOR INFORMATION ".

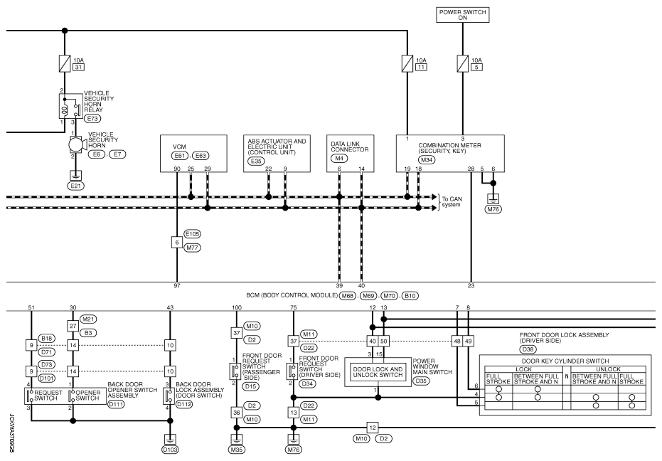
Fig 1: Security Control System - Wiring Diagram (1 Of 3)
G07087423Courtesy of NISSAN MOTOR CO., U.S.A.
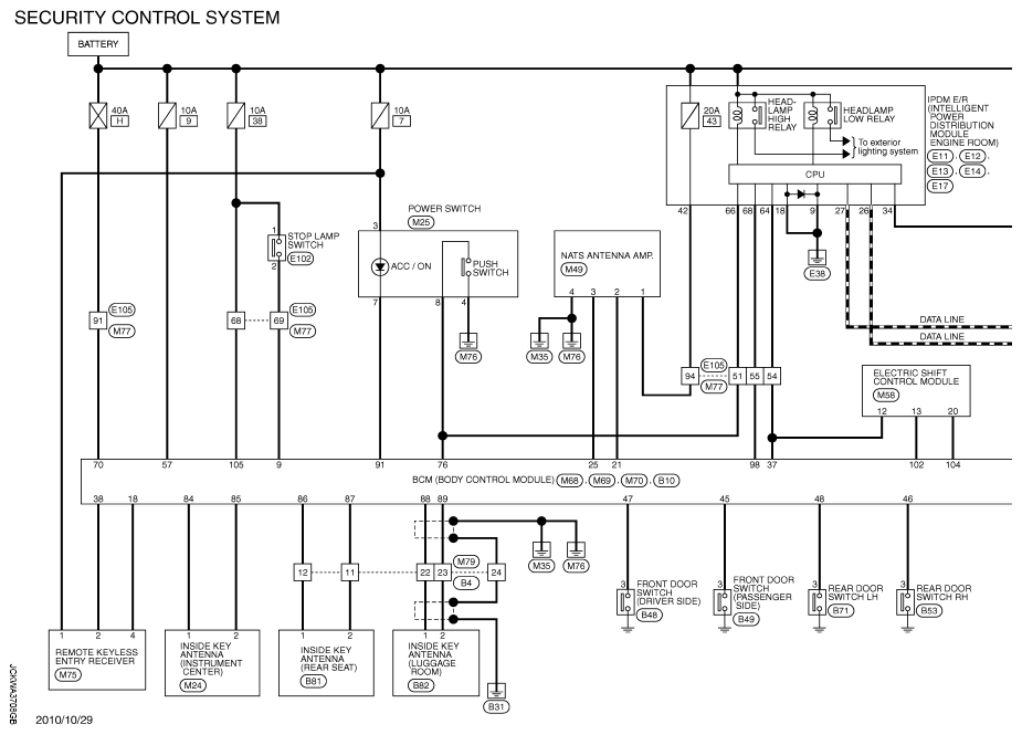
Fig 2: Security Control System - Wiring Diagram (2 Of 3)
G07087424Courtesy of NISSAN MOTOR CO., U.S.A.
Fig 3: Security Control System - Wiring Diagram (3 Of 3)
G07087425Courtesy of NISSAN MOTOR CO., U.S.A.
Fig 4: Identifying Security Control System Connectors (1 Of 8)
G07087426Courtesy of NISSAN MOTOR CO., U.S.A.
Fig 5: Identifying Security Control System Connectors (2 Of 8)
G07087427Courtesy of NISSAN MOTOR CO., U.S.A.
Fig 6: Identifying Security Control System Connectors (3 Of 8)
G07087428Courtesy of NISSAN MOTOR CO., U.S.A.
Fig 7: Identifying Security Control System Connectors (4 Of 8)
G07087429Courtesy of NISSAN MOTOR CO., U.S.A.
Fig 8: Identifying Security Control System Connectors (5 Of 8)
G07087430Courtesy of NISSAN MOTOR CO., U.S.A.
Fig 9: Identifying Security Control System Connectors (6 Of 8)
G07087431Courtesy of NISSAN MOTOR CO., U.S.A.
Fig 10: Identifying Security Control System Connectors (7 Of 8)
G07087432Courtesy of NISSAN MOTOR CO., U.S.A.
Fig 11: Identifying Security Control System Connectors (8 Of 8)
G07087433Courtesy of NISSAN MOTOR CO., U.S.A.