LEMON Manuals: Even more car manuals for everyone
Home >> Infiniti >> 2012 >> G37 Base, 2D Convertible >> Repair and Diagnosis >> External Pages >> Different car >> Section 255 (Audio System, Visual System & Navigation System (BOSE Audio With Navigation) -- G37 Convertible) >> Wiring Diagram >> BOSE Audio With Navigation >> Wiring Diagram

BOSE Audio With Navigation: Wiring Diagram

WARNING: This page is about a different car, the 2011 Infiniti G37. However, it is still accessible from the selected car via links, so may be relevant.
NOTE: The name MULTIFUNCTION SWITCH indicates the integration of PRESET SWITCH and MULTIFUNCTION SWITCH virtually.
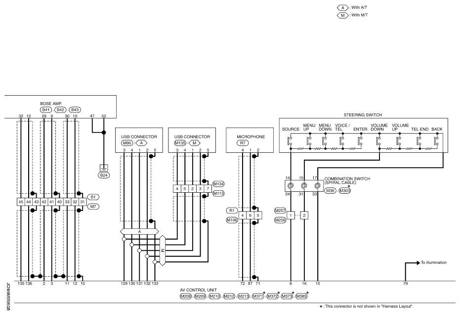
Fig 1: Bose Audio With Navigation Wiring Diagram (1 Of 6)
G07161550Courtesy of NISSAN MOTOR CO., U.S.A.
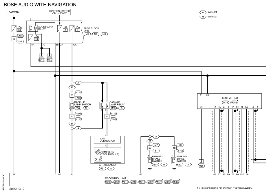
Fig 2: Bose Audio With Navigation Wiring Diagram (2 Of 6)
G07161551Courtesy of NISSAN MOTOR CO., U.S.A.
Fig 3: Bose Audio With Navigation Wiring Diagram (3 Of 6)
G07161552Courtesy of NISSAN MOTOR CO., U.S.A.
Fig 4: Bose Audio With Navigation Wiring Diagram (4 Of 6)
G07161553Courtesy of NISSAN MOTOR CO., U.S.A.
Fig 5: Bose Audio With Navigation Wiring Diagram (5 Of 6)
G07161554Courtesy of NISSAN MOTOR CO., U.S.A.
Fig 6: Bose Audio With Navigation Wiring Diagram (6 Of 6)
G07161555Courtesy of NISSAN MOTOR CO., U.S.A.
Fig 7: Identifying Bose Audio With Navigation Connector End Views (1 Of 17)
G07161556Courtesy of NISSAN MOTOR CO., U.S.A.
Fig 8: Identifying Bose Audio With Navigation Connector End Views (2 Of 17)
G07161557Courtesy of NISSAN MOTOR CO., U.S.A.
Fig 9: Identifying Bose Audio With Navigation Connector End Views (3 Of 17)
G07161558Courtesy of NISSAN MOTOR CO., U.S.A.
Fig 10: Identifying Bose Audio With Navigation Connector End Views (4 Of 17)
G07161559Courtesy of NISSAN MOTOR CO., U.S.A.
Fig 11: Identifying Bose Audio With Navigation Connector End Views (5 Of 17)
G07161560Courtesy of NISSAN MOTOR CO., U.S.A.
Fig 12: Identifying Bose Audio With Navigation Connector End Views (6 Of 17)
G07161561Courtesy of NISSAN MOTOR CO., U.S.A.
Fig 13: Identifying Bose Audio With Navigation Connector End Views (7 Of 17)
G07161562Courtesy of NISSAN MOTOR CO., U.S.A.
Fig 14: Identifying Bose Audio With Navigation Connector End Views (8 Of 17)
G07161563Courtesy of NISSAN MOTOR CO., U.S.A.
Fig 15: Identifying Bose Audio With Navigation Connector End Views (9 Of 17)
G07161564Courtesy of NISSAN MOTOR CO., U.S.A.
Fig 16: Identifying Bose Audio With Navigation Connector End Views (10 Of 17)
G07161565Courtesy of NISSAN MOTOR CO., U.S.A.
Fig 17: Identifying Bose Audio With Navigation Connector End Views (11 Of 17)
G07161566Courtesy of NISSAN MOTOR CO., U.S.A.
Fig 18: Identifying Bose Audio With Navigation Connector End Views (12 Of 17)
G07161567Courtesy of NISSAN MOTOR CO., U.S.A.
Fig 19: Identifying Bose Audio With Navigation Connector End Views (13 Of 17)
G07161568Courtesy of NISSAN MOTOR CO., U.S.A.
Fig 20: Identifying Bose Audio With Navigation Connector End Views (14 Of 17)
G07161569Courtesy of NISSAN MOTOR CO., U.S.A.
Fig 21: Identifying Bose Audio With Navigation Connector End Views (15 Of 17)
G07161570Courtesy of NISSAN MOTOR CO., U.S.A.
Fig 22: Identifying Bose Audio With Navigation Connector End Views (16 Of 17)
G07161571Courtesy of NISSAN MOTOR CO., U.S.A.
Fig 23: Identifying Bose Audio With Navigation Connector End Views (17 Of 17)
G07161572Courtesy of NISSAN MOTOR CO., U.S.A.