LEMON Manuals: Even more car manuals for everyone
Home >> Infiniti >> 2012 >> G37 Base, 2D Convertible >> Repair and Diagnosis >> Engine Performance >> System >> Engine Control System - Introduction (2 Of 2) (Convertible) >> Ecu Diagnosis Information >> VVEL Control Module >> Wiring Diagram - ENGINE CONTROL SYSTEM -

Wiring Diagram - ENGINE CONTROL SYSTEM -

For connector terminal arrangements, harness layouts, and alphabets in a (option abbreviation; if not described in wiring diagram), refer to "CONNECTOR INFORMATION ".

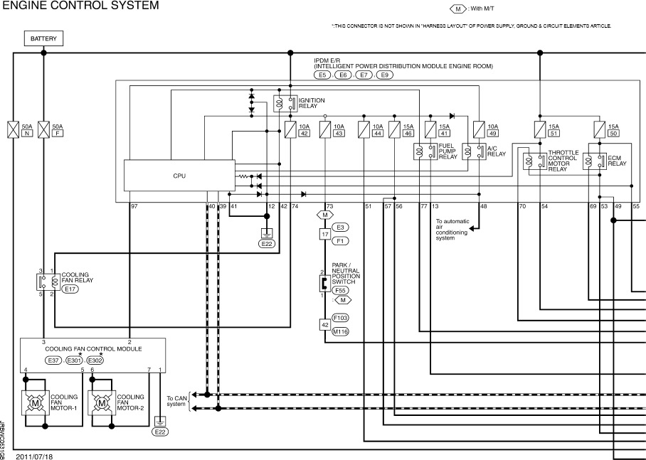
Fig 1: Engine Control System - Wiring Diagram (1 Of 6)
G08443932Courtesy of NISSAN NORTH AMERICA, INC.
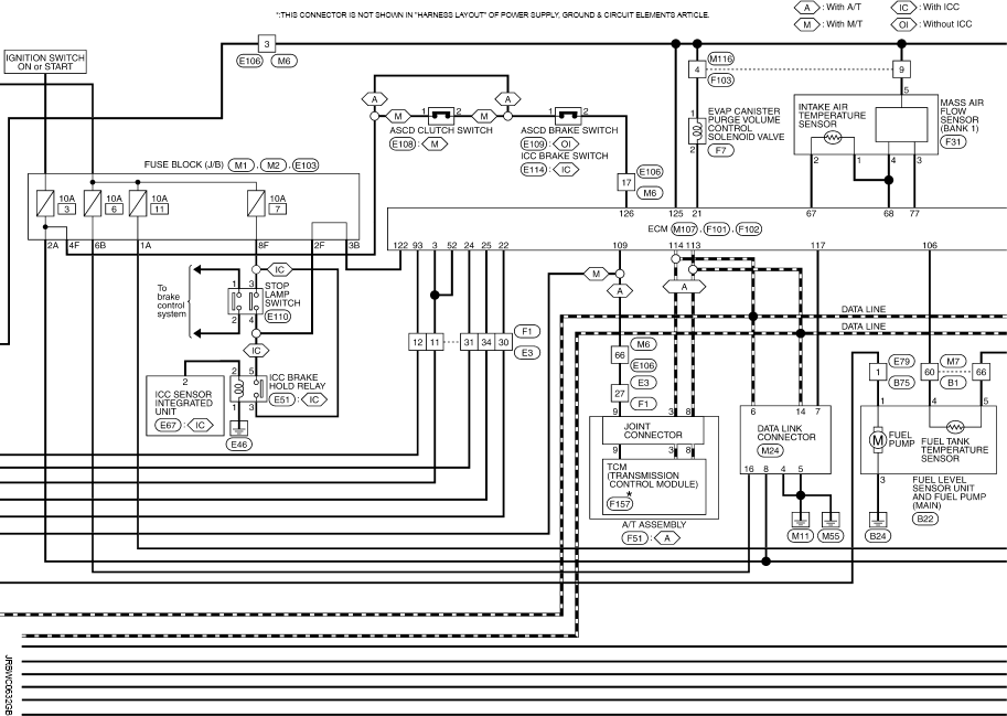
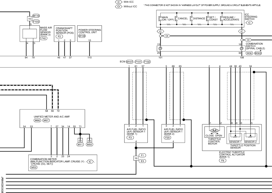
Fig 2: Engine Control System - Wiring Diagram (2 Of 6)
G08443933Courtesy of NISSAN NORTH AMERICA, INC.
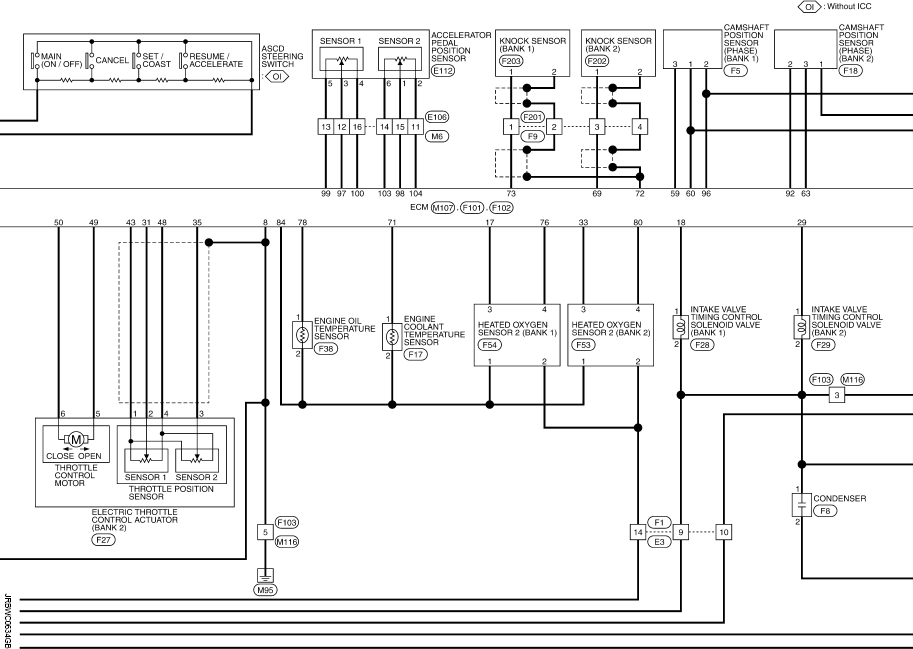
Fig 3: Engine Control System - Wiring Diagram (3 Of 6)
G08443934Courtesy of NISSAN NORTH AMERICA, INC.
Fig 4: Engine Control System - Wiring Diagram (4 Of 6)
G08443935Courtesy of NISSAN NORTH AMERICA, INC.
Fig 5: Engine Control System - Wiring Diagram (5 Of 6)
G08443936Courtesy of NISSAN NORTH AMERICA, INC.
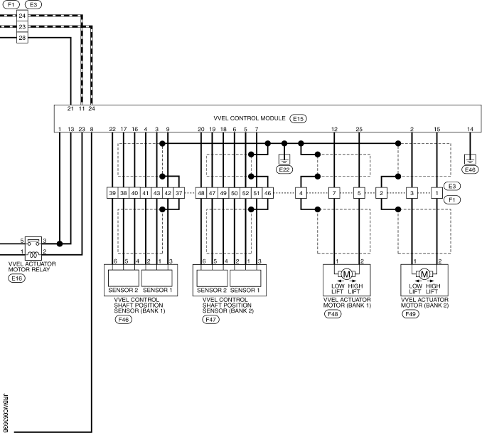
Fig 6: Engine Control System - Wiring Diagram (6 Of 6)
G08443937Courtesy of NISSAN NORTH AMERICA, INC.