LEMON Manuals: Even more car manuals for everyone
Home >> Infiniti >> 2012 >> FX35 AWD >> Repair and Diagnosis >> External Pages >> Different car >> Section 86 (Security Control System) >> DTC/Circuit Diagnosis >> Intelligent Key System/Engine Start Function >> Wiring Diagram - INTELLIGENT KEY SYSTEM/ENGINE START FUNCTION -

Wiring Diagram - INTELLIGENT KEY SYSTEM/ENGINE START FUNCTION -

WARNING: This page is about a different car, the 2011 Infiniti EX35. However, it is still accessible from the selected car via links, so may be relevant.
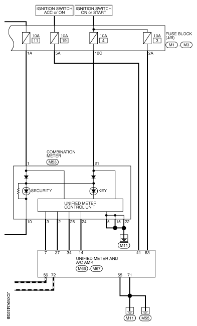
Fig 1: Intelligent Key System/Engine Start Function - Wiring Diagram (1 Of 3)
G07166277Courtesy of NISSAN MOTOR CO., U.S.A.
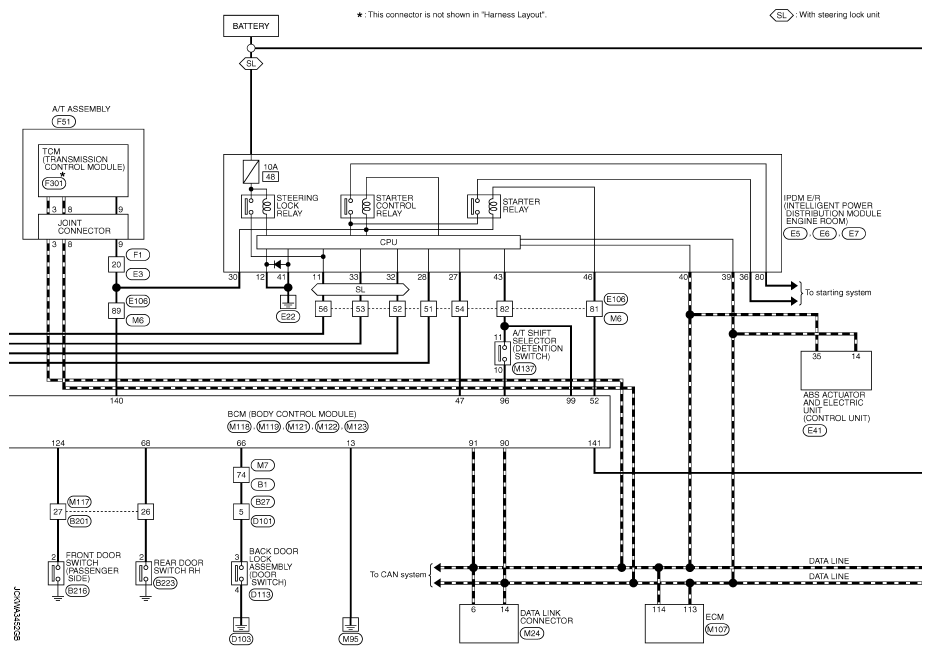
Fig 2: Intelligent Key System/Engine Start Function - Wiring Diagram (2 Of 3)
G07166278Courtesy of NISSAN MOTOR CO., U.S.A.
Fig 3: Intelligent Key System/Engine Start Function - Wiring Diagram (3 Of 3)
G07166279Courtesy of NISSAN MOTOR CO., U.S.A.
Fig 4: Identifying Intelligent Key System/Engine Start Function Connectors Terminal Identification (1 Of 9)
G07166280Courtesy of NISSAN MOTOR CO., U.S.A.
Fig 5: Identifying Intelligent Key System/Engine Start Function Connectors Terminal Identification (2 Of 9)
G07166281Courtesy of NISSAN MOTOR CO., U.S.A.
Fig 6: Identifying Intelligent Key System/Engine Start Function Connectors Terminal Identification (3 Of 9)
G07166283Courtesy of NISSAN MOTOR CO., U.S.A.
Fig 7: Identifying Intelligent Key System/Engine Start Function Connectors Terminal Identification (4 Of 9)
G07166284Courtesy of NISSAN MOTOR CO., U.S.A.
Fig 8: Identifying Intelligent Key System/Engine Start Function Connectors Terminal Identification (5 Of 9)
G07166285Courtesy of NISSAN MOTOR CO., U.S.A.
Fig 9: Identifying Intelligent Key System/Engine Start Function Connectors Terminal Identification (6 Of 9)
G07166286Courtesy of NISSAN MOTOR CO., U.S.A.
Fig 10: Identifying Intelligent Key System/Engine Start Function Connectors Terminal Identification (7 Of 9)
G07166287Courtesy of NISSAN MOTOR CO., U.S.A.
Fig 11: Identifying Intelligent Key System/Engine Start Function Connectors Terminal Identification (8 Of 9)
G07166288Courtesy of NISSAN MOTOR CO., U.S.A.
Fig 12: Identifying Intelligent Key System/Engine Start Function Connectors Terminal Identification (9 Of 9)
G07166290Courtesy of NISSAN MOTOR CO., U.S.A.