LEMON Manuals: Even more car manuals for everyone
Home >> Infiniti >> 2012 >> FX35 AWD >> Repair and Diagnosis >> Engine Performance >> System >> Engine Control System - Component Testing >> Ecu Diagnosis Information >> ECM >> Wiring Diagram - Engine Control System -

Wiring Diagram - Engine Control System -

For connector terminal arrangements, harness layouts, and alphabets in a "diamond-shaped" symbol (option abbreviation; if not described in wiring diagram), refer to "CONNECTOR INFORMATION ".

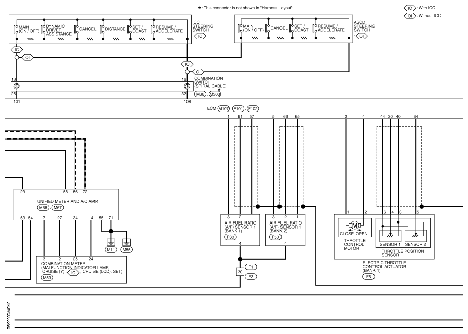
Fig 1: Engine Control System (VQ35HR) - Wiring Diagram (1 Of 6)
G08210420Courtesy of NISSAN NORTH AMERICA, INC.
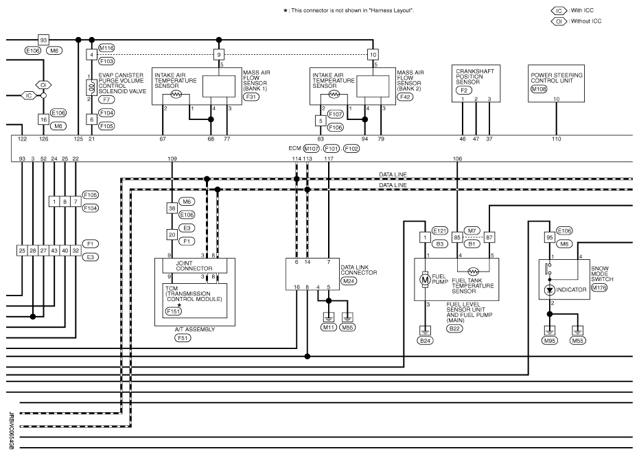
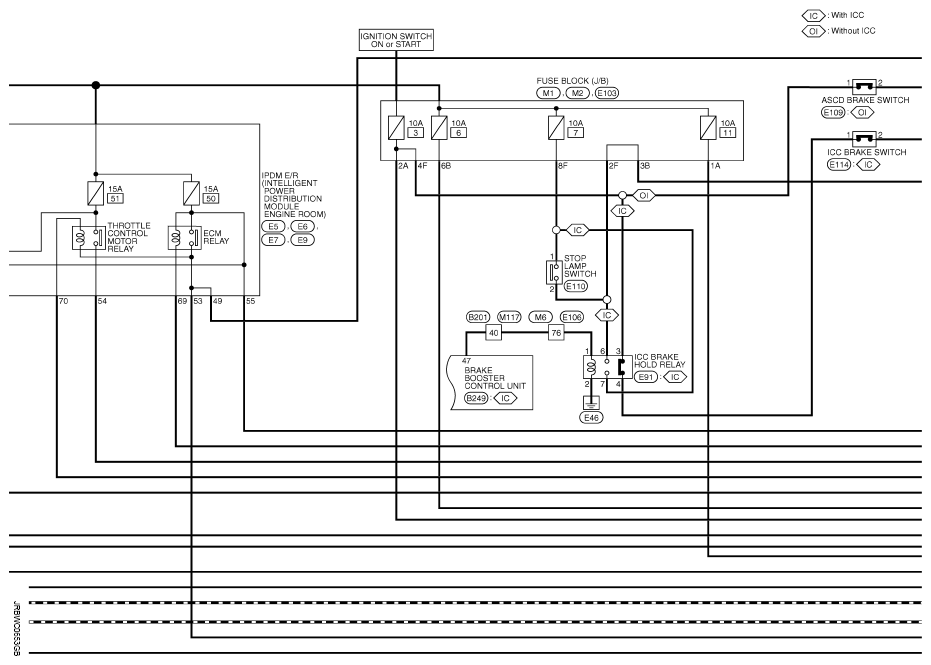
Fig 2: Engine Control System (VQ35HR) - Wiring Diagram (2 Of 6)
G08210421Courtesy of NISSAN NORTH AMERICA, INC.
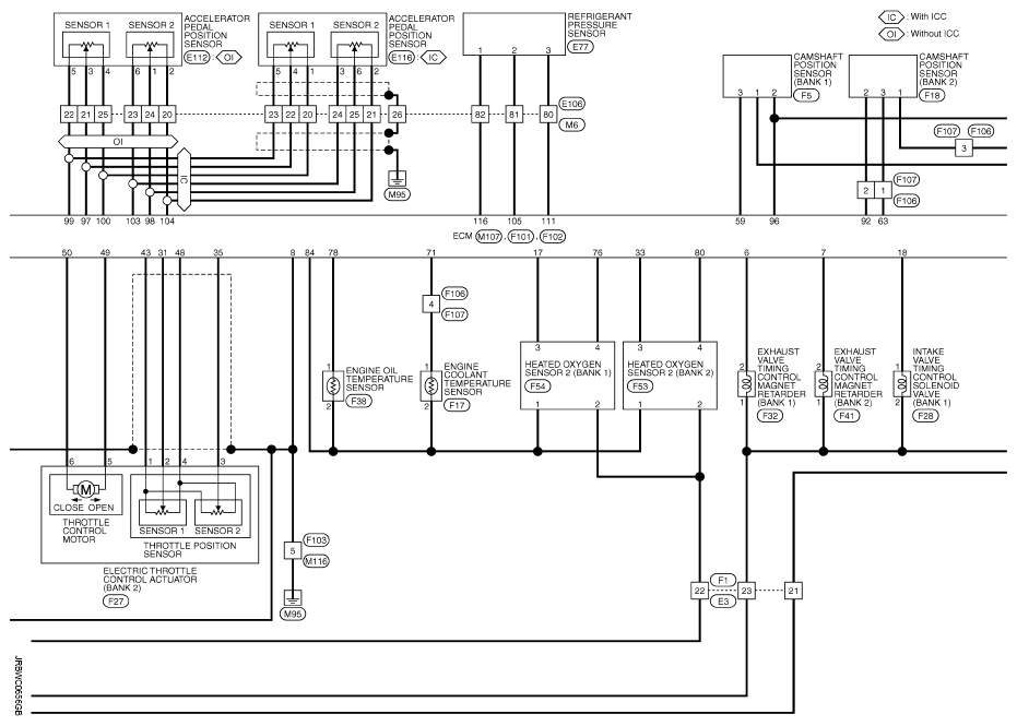
Fig 3: Engine Control System (VQ35HR) - Wiring Diagram (3 Of 6)
G08210422Courtesy of NISSAN NORTH AMERICA, INC.
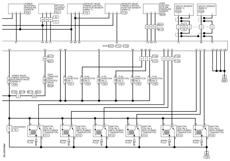
Fig 4: Engine Control System (VQ35HR) - Wiring Diagram (4 Of 6)
G08210423Courtesy of NISSAN NORTH AMERICA, INC.
Fig 5: Engine Control System (VQ35HR) - Wiring Diagram (5 Of 6)
G08210424Courtesy of NISSAN NORTH AMERICA, INC.
Fig 6: Engine Control System (VQ35HR) - Wiring Diagram (6 Of 6)
G08210425Courtesy of NISSAN NORTH AMERICA, INC.