LEMON Manuals: Even more car manuals for everyone
Home >> Infiniti >> 2012 >> EX35 Base, AWD >> Repair and Diagnosis >> Engine Performance >> System >> Engine Control System - Component Testing >> Ecu Diagnosis Information >> ECM >> Wiring Diagram - Engine Control System -

Wiring Diagram - Engine Control System -

For connector terminal arrangements, harness layouts, and alphabets in a "diamond-shaped" symbol (option abbreviation; if not described in wiring diagram), refer to "CONNECTOR INFORMATION ".

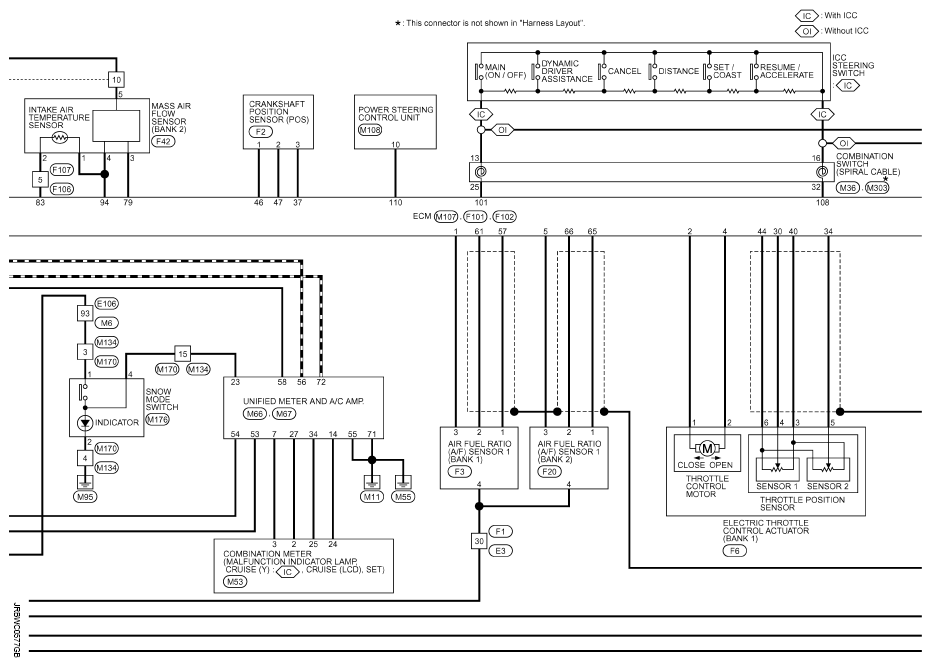
Fig 1: Engine Control System - Wiring Diagram (1 Of 5)
G08194022Courtesy of NISSAN NORTH AMERICA, INC.
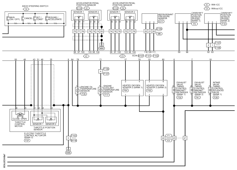
Fig 2: Engine Control System - Wiring Diagram (2 Of 5)
G08194023Courtesy of NISSAN NORTH AMERICA, INC.
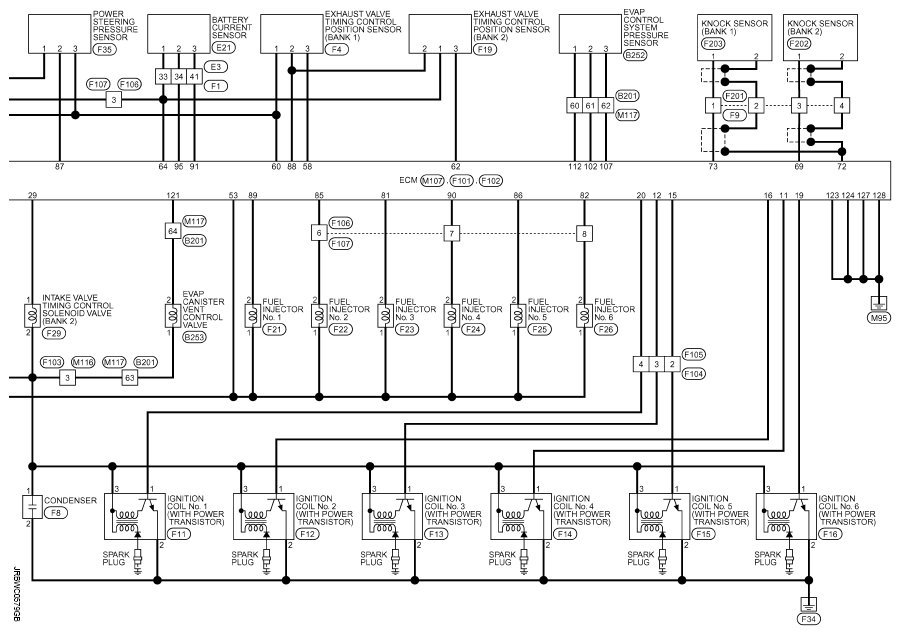
Fig 3: Engine Control System - Wiring Diagram (3 Of 5)
G08194024Courtesy of NISSAN NORTH AMERICA, INC.
Fig 4: Engine Control System - Wiring Diagram (4 Of 5)
G08194025Courtesy of NISSAN NORTH AMERICA, INC.
Fig 5: Engine Control System - Wiring Diagram (5 Of 5)
G08194026Courtesy of NISSAN NORTH AMERICA, INC.