LEMON Manuals: Even more car manuals for everyone
Home >> Infiniti >> 2011 >> M56 x >> Repair and Diagnosis >> Engine Performance >> System >> Engine Control System - Introduction, System Description And Basic Inspection (VK56VD) >> Wiring Diagram >> Engine Control System >> Wiring Diagram

Engine Control System: Wiring Diagram

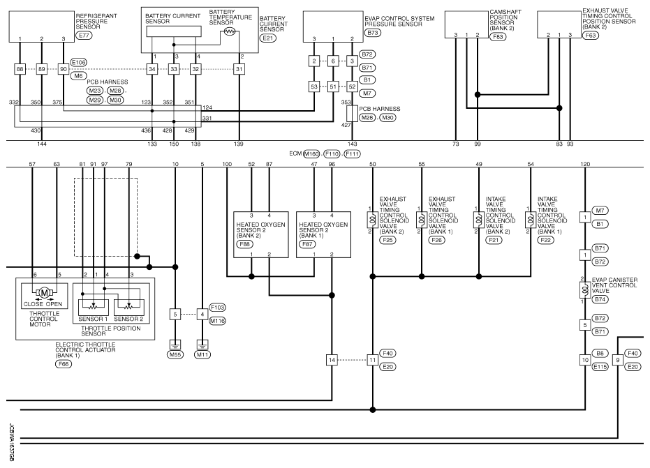
Fig 1: Engine Control System Wiring Diagram (1 Of 8)
G07020385Courtesy of NISSAN MOTOR CO., U.S.A.
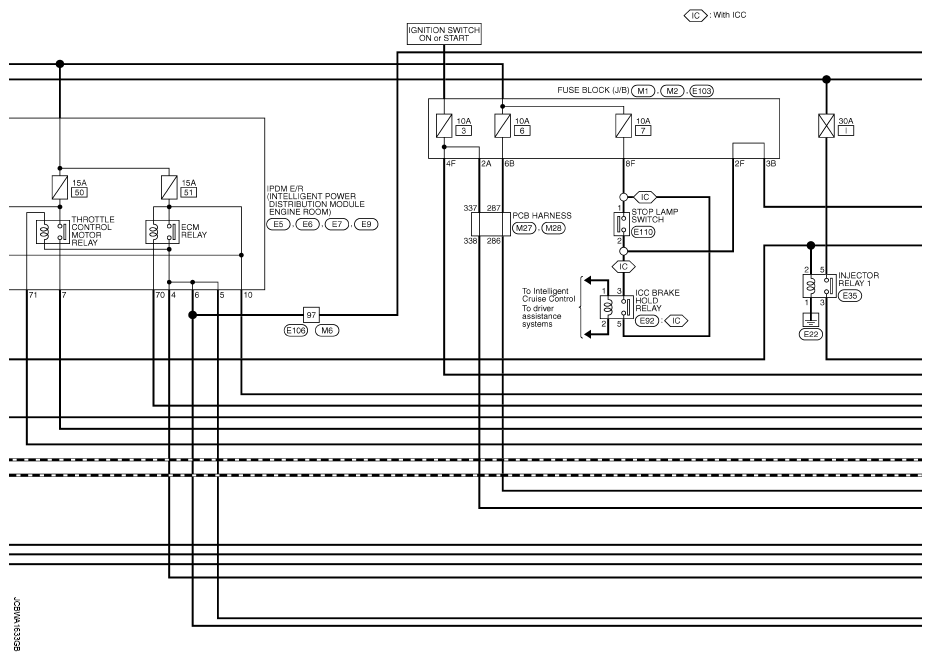
Fig 2: Engine Control System Wiring Diagram (2 Of 8)
G07020386Courtesy of NISSAN MOTOR CO., U.S.A.
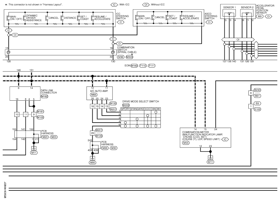
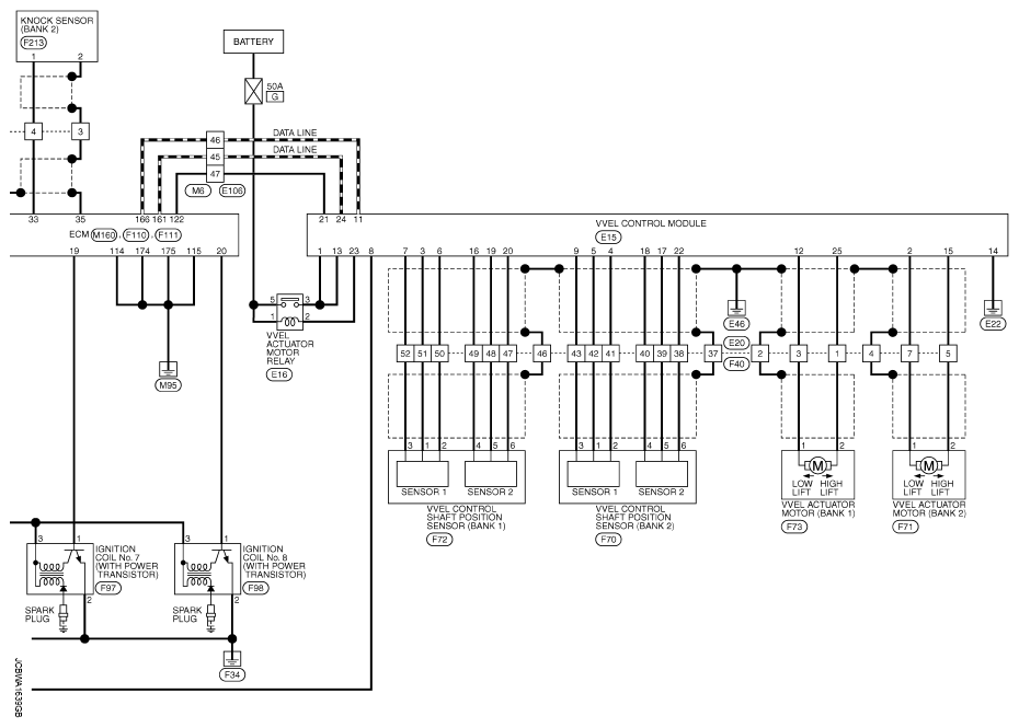
Fig 3: Engine Control System Wiring Diagram (3 Of 8)
G07020387Courtesy of NISSAN MOTOR CO., U.S.A.
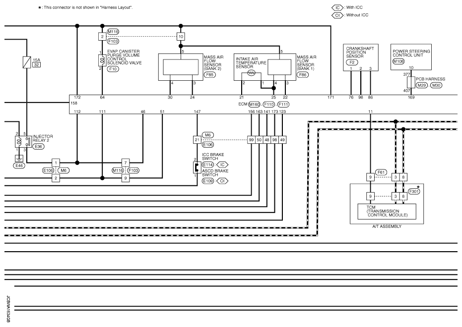
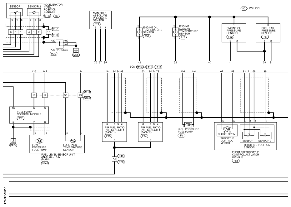
Fig 4: Engine Control System Wiring Diagram (4 Of 8)
G07020388Courtesy of NISSAN MOTOR CO., U.S.A.
Fig 5: Engine Control System Wiring Diagram (5 Of 8)
G07020389Courtesy of NISSAN MOTOR CO., U.S.A.
Fig 6: Engine Control System Wiring Diagram (6 Of 8)
G07020390Courtesy of NISSAN MOTOR CO., U.S.A.
Fig 7: Engine Control System Wiring Diagram (7 Of 8)
G07020391Courtesy of NISSAN MOTOR CO., U.S.A.
Fig 8: Engine Control System Wiring Diagram (8 Of 8)
G07020392Courtesy of NISSAN MOTOR CO., U.S.A.
Fig 9: Engine Control System Connector Terminals Reference Chart (1 Of 19)
G07020393Courtesy of NISSAN MOTOR CO., U.S.A.
Fig 10: Engine Control System Connector Terminals Reference Chart (2 Of 19)
G07020394Courtesy of NISSAN MOTOR CO., U.S.A.
Fig 11: Engine Control System Connector Terminals Reference Chart (3 Of 19)
G07020395Courtesy of NISSAN MOTOR CO., U.S.A.
Fig 12: Engine Control System Connector Terminals Reference Chart (4 Of 19)
G07020396Courtesy of NISSAN MOTOR CO., U.S.A.
Fig 13: Engine Control System Connector Terminals Reference Chart (5 Of 19)
G07020397Courtesy of NISSAN MOTOR CO., U.S.A.
Fig 14: Engine Control System Connector Terminals Reference Chart (6 Of 19)
G07020398Courtesy of NISSAN MOTOR CO., U.S.A.
Fig 15: Engine Control System Connector Terminals Reference Chart (7 Of 19)
G07020399Courtesy of NISSAN MOTOR CO., U.S.A.
Fig 16: Engine Control System Connector Terminals Reference Chart (8 Of 19)
G07020400Courtesy of NISSAN MOTOR CO., U.S.A.
Fig 17: Engine Control System Connector Terminals Reference Chart (9 Of 19)
G07020401Courtesy of NISSAN MOTOR CO., U.S.A.
Fig 18: Engine Control System Connector Terminals Reference Chart (10 Of 19)
G07020402Courtesy of NISSAN MOTOR CO., U.S.A.
Fig 19: Engine Control System Connector Terminals Reference Chart (11 Of 19)
G07020403Courtesy of NISSAN MOTOR CO., U.S.A.
Fig 20: Engine Control System Connector Terminals Reference Chart (12 Of 19)
G07020404Courtesy of NISSAN MOTOR CO., U.S.A.
Fig 21: Engine Control System Connector Terminals Reference Chart (13 Of 19)
G07020405Courtesy of NISSAN MOTOR CO., U.S.A.
Fig 22: Engine Control System Connector Terminals Reference Chart (14 Of 19)
G07020406Courtesy of NISSAN MOTOR CO., U.S.A.
Fig 23: Engine Control System Connector Terminals Reference Chart (15 Of 19)
G07020407Courtesy of NISSAN MOTOR CO., U.S.A.
Fig 24: Engine Control System Connector Terminals Reference Chart (16 Of 19)
G07020408Courtesy of NISSAN MOTOR CO., U.S.A.
Fig 25: Engine Control System Connector Terminals Reference Chart (17 Of 19)
G07020409Courtesy of NISSAN MOTOR CO., U.S.A.
Fig 26: Engine Control System Connector Terminals Reference Chart (18 Of 19)
G07020410Courtesy of NISSAN MOTOR CO., U.S.A.
Fig 27: Engine Control System Connector Terminals Reference Chart (19 Of 19)
G07020411Courtesy of NISSAN MOTOR CO., U.S.A.