LEMON Manuals: Even more car manuals for everyone
Home >> Infiniti >> 2011 >> M37 x >> Repair and Diagnosis >> External Pages >> Different car >> Section 26 (Security Control System) >> Wiring Diagram >> Security Control System >> Wiring Diagram

Security Control System: Wiring Diagram

WARNING: This page is about a different car, the 2011 Infiniti QX56. However, it is still accessible from the selected car via links, so may be relevant.

For connector terminal arrangements, harness layouts, and alphabets in a (option abbreviation; if not described in wiring diagram), refer to "CONNECTOR INFORMATION ".

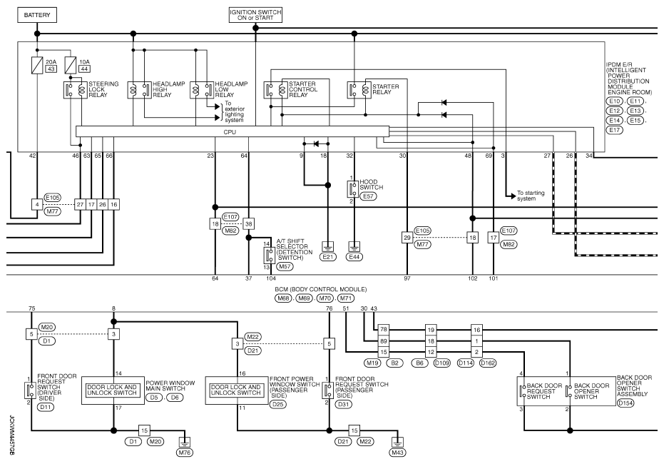
Fig 1: Security Control System - Wiring Diagram (1 Of 3)
G07022312Courtesy of NISSAN MOTOR CO., U.S.A.
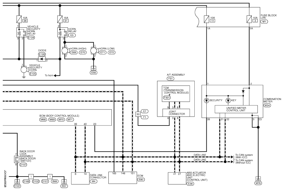
Fig 2: Security Control System - Wiring Diagram (2 Of 3)
G07022313Courtesy of NISSAN MOTOR CO., U.S.A.
Fig 3: Security Control System - Wiring Diagram (3 Of 3)
G07022314Courtesy of NISSAN MOTOR CO., U.S.A.
Fig 4: Identifying Security Control System Connectors (1 Of 14)
G07022315Courtesy of NISSAN MOTOR CO., U.S.A.
Fig 5: Identifying Security Control System Connectors (2 Of 14)
G07022316Courtesy of NISSAN MOTOR CO., U.S.A.
Fig 6: Identifying Security Control System Connectors (3 Of 14)
G07022317Courtesy of NISSAN MOTOR CO., U.S.A.
Fig 7: Identifying Security Control System Connectors (4 Of 14)
G07022318Courtesy of NISSAN MOTOR CO., U.S.A.
Fig 8: Identifying Security Control System Connectors (5 Of 14)
G07022319Courtesy of NISSAN MOTOR CO., U.S.A.
Fig 9: Identifying Security Control System Connectors (6 Of 14)
G07022320Courtesy of NISSAN MOTOR CO., U.S.A.
Fig 10: Identifying Security Control System Connectors (7 Of 14)
G07022321Courtesy of NISSAN MOTOR CO., U.S.A.
Fig 11: Identifying Security Control System Connectors (8 Of 14)
G07022322Courtesy of NISSAN MOTOR CO., U.S.A.
Fig 12: Identifying Security Control System Connectors (9 Of 14)
G07022323Courtesy of NISSAN MOTOR CO., U.S.A.
Fig 13: Identifying Security Control System Connectors (10 Of 14)
G07022324Courtesy of NISSAN MOTOR CO., U.S.A.
Fig 14: Identifying Security Control System Connectors (11 Of 14)
G07022325Courtesy of NISSAN MOTOR CO., U.S.A.
Fig 15: Identifying Security Control System Connectors (12 Of 14)
G07022326Courtesy of NISSAN MOTOR CO., U.S.A.
Fig 16: Identifying Security Control System Connectors (13 Of 14)
G07022327Courtesy of NISSAN MOTOR CO., U.S.A.
Fig 17: Identifying Security Control System Connectors (14 Of 14)
G07022328Courtesy of NISSAN MOTOR CO., U.S.A.