LEMON Manuals: Even more car manuals for everyone
Home >> Infiniti >> 2011 >> M37 Base >> Repair and Diagnosis >> External Pages >> Different car >> Section 240 (Security Control System) >> Wiring Diagram >> Security Control System >> Wiring Diagram

Security Control System: Wiring Diagram

WARNING: This page is about a different car, the 2013 Infiniti M56 and 2013 Infiniti M37. However, it is still accessible from the selected car via links, so may be relevant.

For connector terminal arrangements, harness layouts, and letters in a "diamond shape" symbol (option abbreviation; if not described in wiring diagram), refer to "CONNECTOR INFORMATION ".

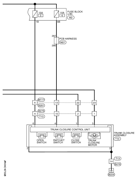
Fig 1: Security Control System Wiring Diagram (1 Of 4)
G08893315Courtesy of NISSAN NORTH AMERICA, INC.
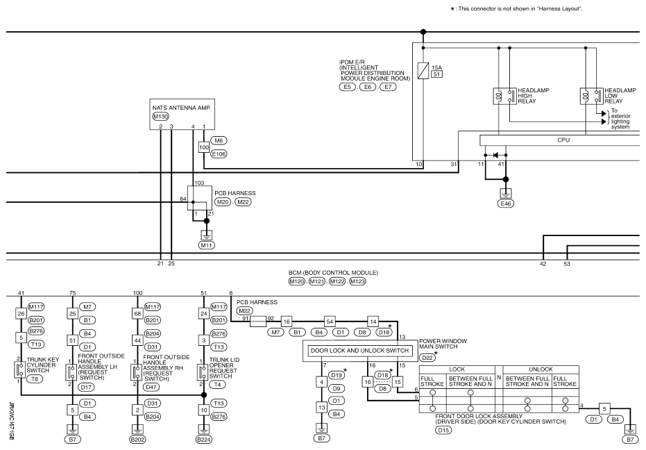
Fig 2: Security Control System Wiring Diagram (2 Of 4)
G08893316Courtesy of NISSAN NORTH AMERICA, INC.
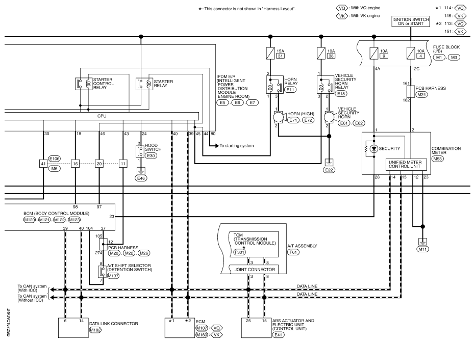
Fig 3: Security Control System Wiring Diagram (3 Of 4)
G08893317Courtesy of NISSAN NORTH AMERICA, INC.
Fig 4: Security Control System Wiring Diagram (4 Of 4)
G08893318Courtesy of NISSAN NORTH AMERICA, INC.