LEMON Manuals: Even more car manuals for everyone
Home >> Infiniti >> 2011 >> M37 Base >> Repair and Diagnosis >> External Pages >> Different car >> Section 143 (Engine Control System (Introduction)) >> Wiring Diagram >> Engine Control System >> Wiring Diagram

Engine Control System: Wiring Diagram

WARNING: This page is about a different car, the 2013 Nissan Xterra. However, it is still accessible from the selected car via links, so may be relevant.
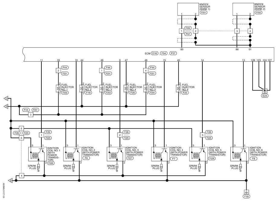
Fig 1: Engine Control System Wiring Diagram (1 Of 5)
G08710499Courtesy of NISSAN NORTH AMERICA, INC.
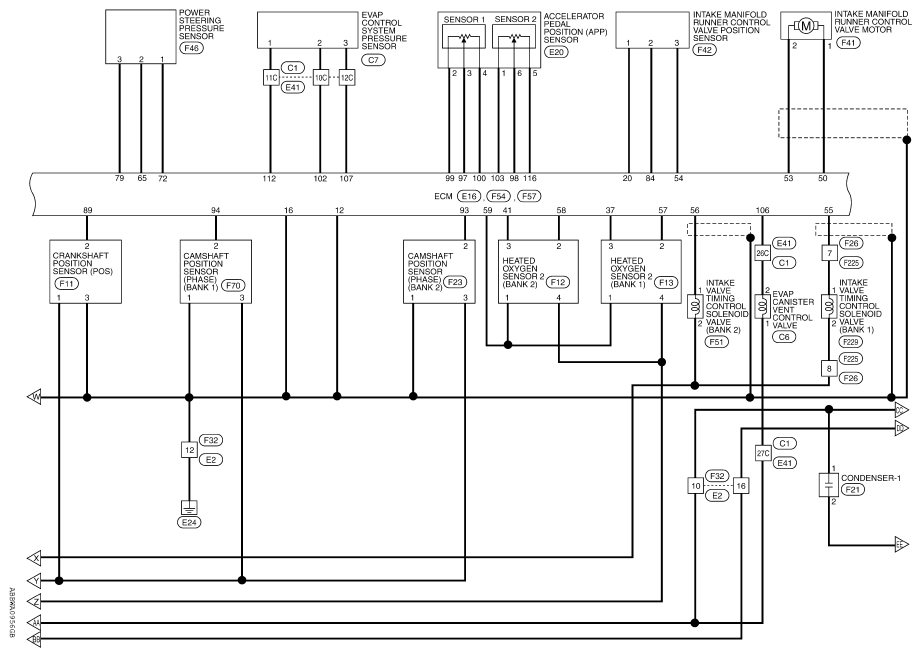
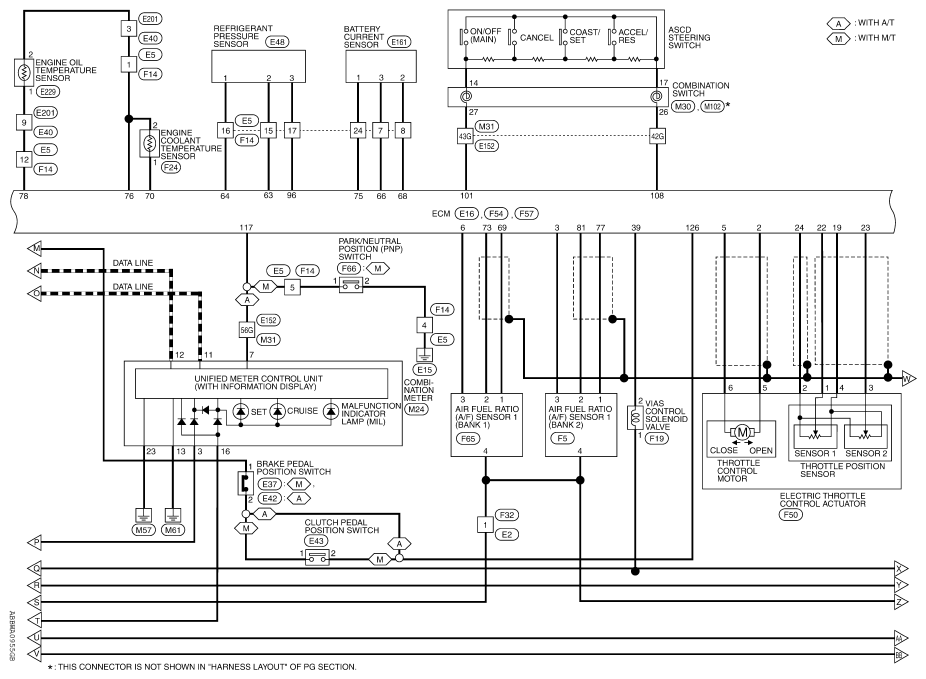
Fig 2: Engine Control System Wiring Diagram (2 Of 5)
G08710500Courtesy of NISSAN NORTH AMERICA, INC.
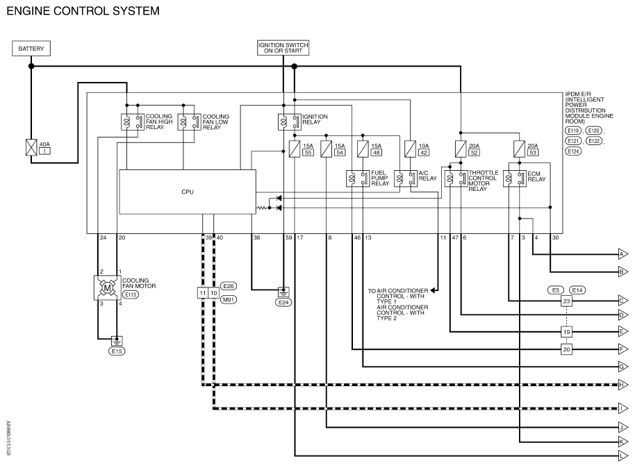
Fig 3: Engine Control System Wiring Diagram (3 Of 5)
G08710501Courtesy of NISSAN NORTH AMERICA, INC.
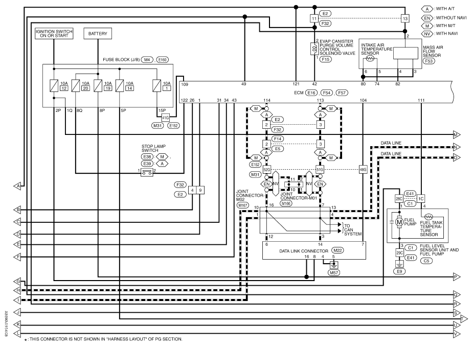
Fig 4: Engine Control System Wiring Diagram (4 Of 5)
G08710502Courtesy of NISSAN NORTH AMERICA, INC.
Fig 5: Engine Control System Wiring Diagram (5 Of 5)
G08710503Courtesy of NISSAN NORTH AMERICA, INC.