LEMON Manuals: Even more car manuals for everyone
Home >> Infiniti >> 2010 >> M45 Base >> Repair and Diagnosis >> Engine Performance >> System >> Engine Control System - Introduction >> Service Information >> Trouble Diagnosis >> Circuit Diagram

Circuit Diagram

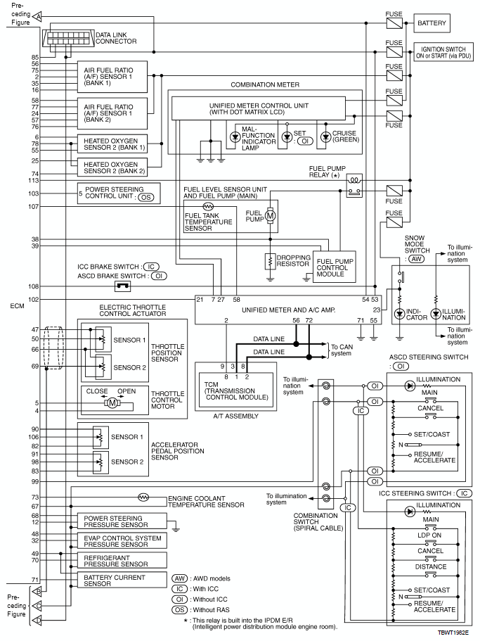
Fig 1: Vacuum Control System - Circuit Diagram (1 Of 2)
G06302901Courtesy of NISSAN MOTOR CO., U.S.A.
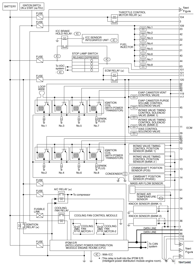
Fig 2: Vacuum Control System - Circuit Diagram (2 Of 2)
G06302902Courtesy of NISSAN MOTOR CO., U.S.A.