LEMON Manuals: Even more car manuals for everyone
Home >> Infiniti >> 2010 >> M35 Base >> Repair and Diagnosis >> Engine Performance >> System >> Engine Control System - System And Component Testing >> Fuel Injector >> Wiring Diagram

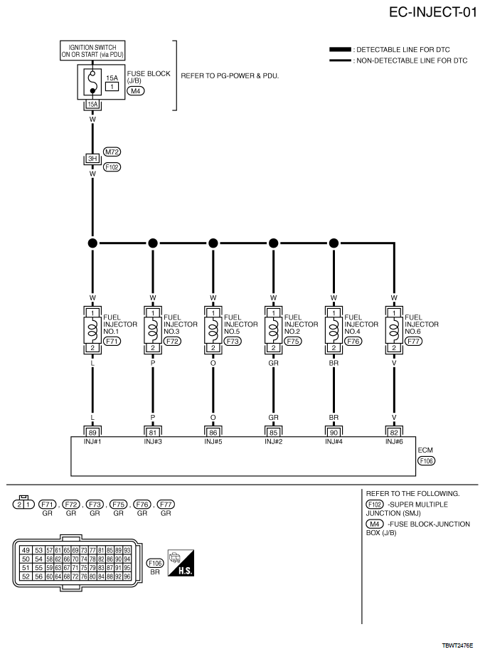
Fuel Injector: Wiring Diagram

NOTE: For PG-Power, go to POWER SUPPLY, GROUND & CIRCUIT ELEMENTS .
Fig 1: EC-INJECT-01 - Wiring Diagram
G06306799Courtesy of NISSAN MOTOR CO., U.S.A.