LEMON Manuals: Even more car manuals for everyone
Home >> Infiniti >> 2009 >> G37 Base, 2D Convertible >> Repair and Diagnosis >> Accessories & Equipment >> Anti-Theft Systems >> Security Control System -- Convertible >> DTC/Circuit Diagnosis >> Intelligent Key System/Engine Start Function >> Wiring Diagram - INTELLIGENT KEY SYSTEM/ENGINE START FUNCTION -

Wiring Diagram - INTELLIGENT KEY SYSTEM/ENGINE START FUNCTION -

Fig 1: Intelligent Key System/Engine Start Function - Wiring Diagram (1 Of 3)
G05974272Courtesy of NISSAN MOTOR CO., U.S.A.
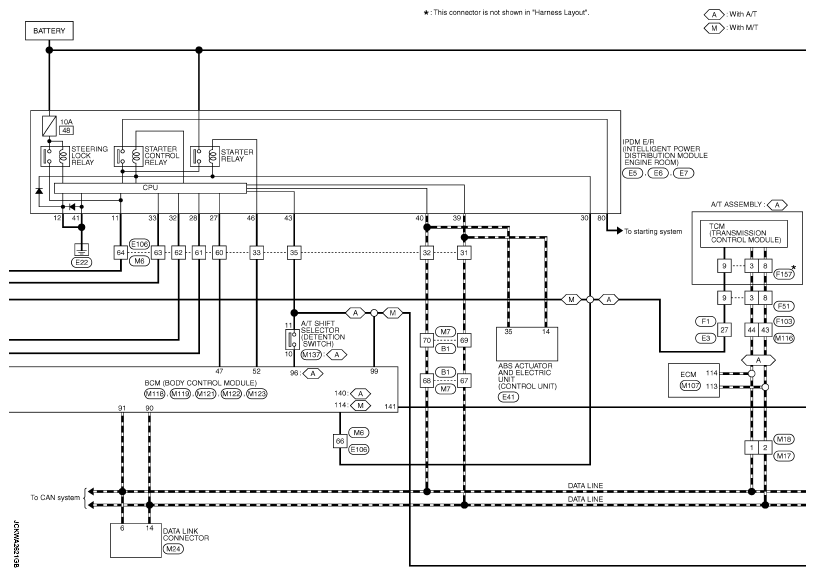
Fig 2: Intelligent Key System/Engine Start Function - Wiring Diagram (2 Of 3)
G05974273Courtesy of NISSAN MOTOR CO., U.S.A.
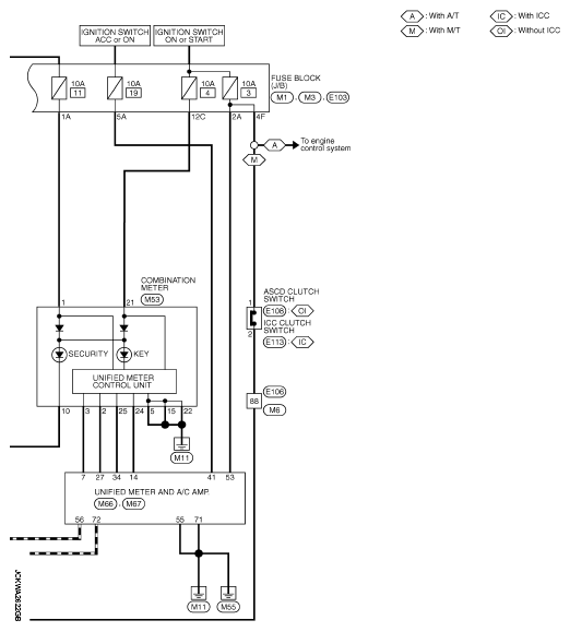
Fig 3: Intelligent Key System/Engine Start Function - Wiring Diagram (3 Of 3)
G05974274Courtesy of NISSAN MOTOR CO., U.S.A.
Fig 4: Identifying Intelligent Key System/Engine Start Function Connector Terminals (1 Of 7)
G05974275Courtesy of NISSAN MOTOR CO., U.S.A.
Fig 5: Identifying Intelligent Key System/Engine Start Function Connector Terminals (2 Of 7)
G05974276Courtesy of NISSAN MOTOR CO., U.S.A.
Fig 6: Identifying Intelligent Key System/Engine Start Function Connector Terminals (3 Of 7)
G05974277Courtesy of NISSAN MOTOR CO., U.S.A.
Fig 7: Identifying Intelligent Key System/Engine Start Function Connector Terminals (4 Of 7)
G05974278Courtesy of NISSAN MOTOR CO., U.S.A.
Fig 8: Identifying Intelligent Key System/Engine Start Function Connector Terminals (5 Of 7)
G05974279Courtesy of NISSAN MOTOR CO., U.S.A.
Fig 9: Identifying Intelligent Key System/Engine Start Function Connector Terminals (6 Of 7)
G05974280Courtesy of NISSAN MOTOR CO., U.S.A.
Fig 10: Identifying Intelligent Key System/Engine Start Function Connector Terminals (7 Of 7)
G05974281Courtesy of NISSAN MOTOR CO., U.S.A.