LEMON Manuals: Even more car manuals for everyone
Home >> Infiniti >> 2008 >> M35 Base >> Repair and Diagnosis >> Engine Performance >> Engine Control Systems >> Engine Control System (VQ35DE) - Component And System Testing >> Mil And Data Link Connector >> Wiring Diagram

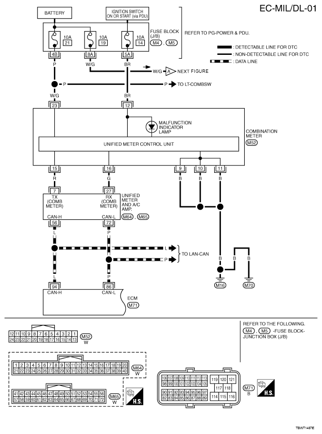
Mil And Data Link Connector: Wiring Diagram

For PG, go to POWER SUPPLY, GROUND & CIRCUIT ELEMENTS .

Fig 1: EC-MIL/DL-01 - Wiring Diagram
G05210261Courtesy of NISSAN MOTOR CO., U.S.A.
Fig 2: EC-MIL/DL-02 - Wiring Diagram
G05210262Courtesy of NISSAN MOTOR CO., U.S.A.