LEMON Manuals: Even more car manuals for everyone
Home >> Infiniti >> 2008 >> M35 Base >> Repair and Diagnosis >> Engine Performance >> Engine Control Systems >> Engine Control System (VQ35DE) - Component And System Testing >> ASCD Indicator >> Wiring Diagram

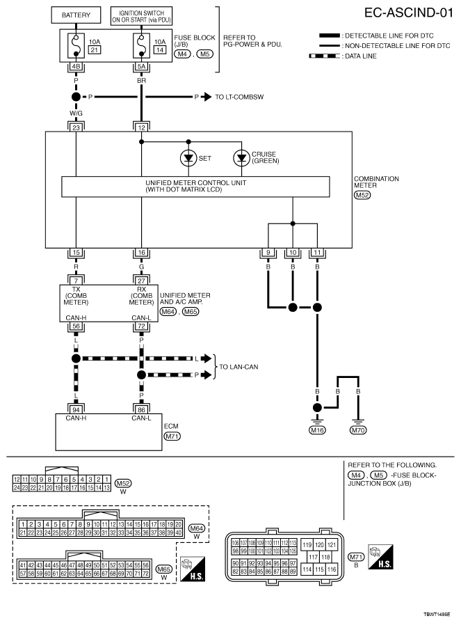
ASCD Indicator: Wiring Diagram

For PG, go to POWER SUPPLY, GROUND & CIRCUIT ELEMENTS .

Fig 1: EC-ASCIND-01 - Wiring Diagram
G05210188Courtesy of NISSAN MOTOR CO., U.S.A.