LEMON Manuals: Even more car manuals for everyone
Home >> Infiniti >> 2008 >> G35 Base >> Repair and Diagnosis >> Engine Performance >> Engine Control Systems >> Engine Control System - Component Testing >> Ecu Diagnosis >> ECM >> Wiring Diagram - ENGINE CONTROL SYSTEM - >> Engine Control System

Engine Control System

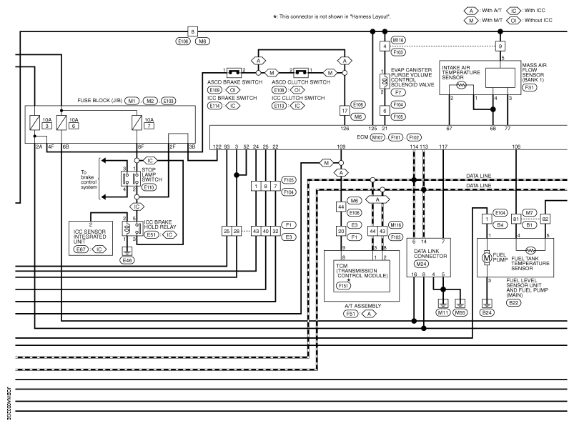
Fig 1: Engine Control System - Wiring Diagram (1 Of 2)
G05207870Courtesy of NISSAN MOTOR CO., U.S.A.
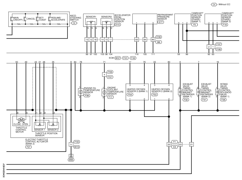
Fig 2: Engine Control System - Wiring Diagram (2 Of 5)
G05207871Courtesy of NISSAN MOTOR CO., U.S.A.
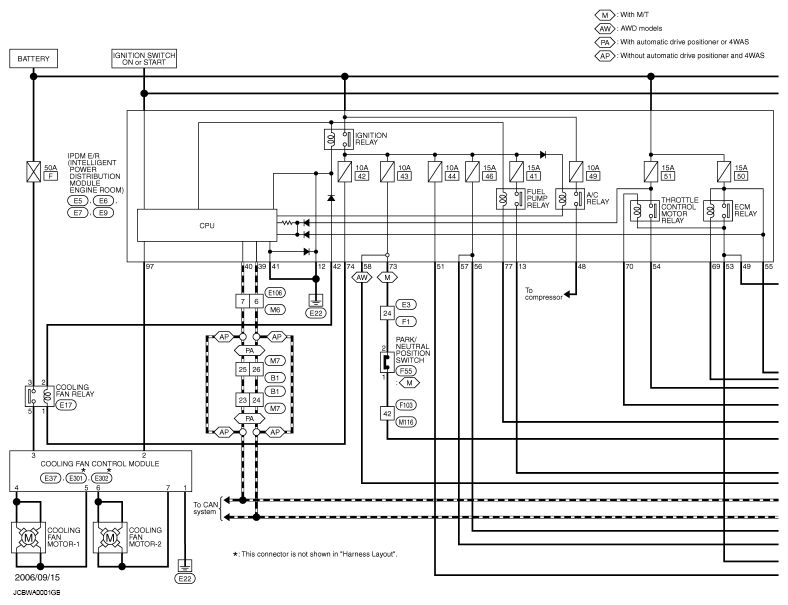
Fig 3: Engine Control System - Wiring Diagram (3 Of 5)
G05207872Courtesy of NISSAN MOTOR CO., U.S.A.
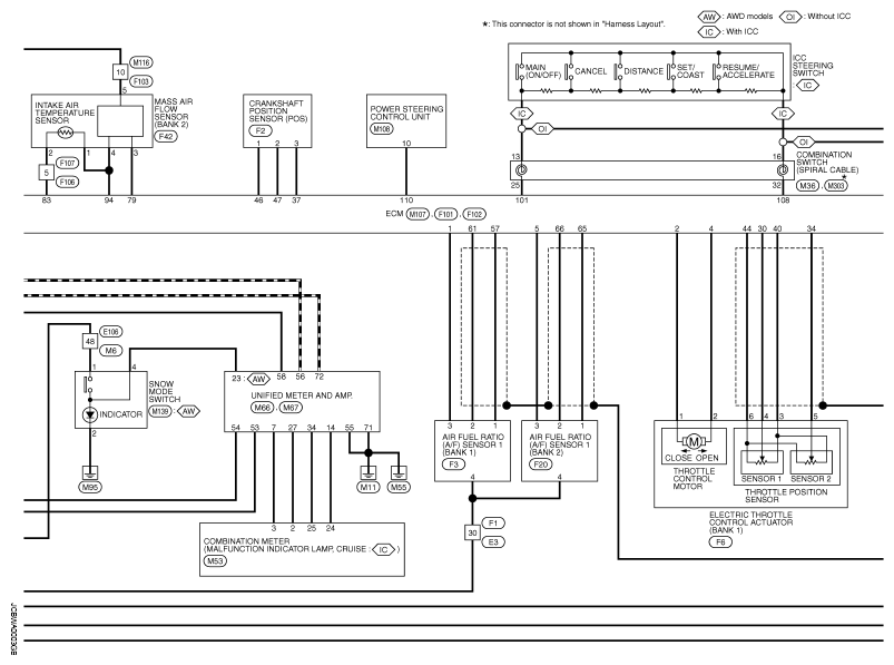
Fig 4: Engine Control System - Wiring Diagram (4 Of 5)
G05207873Courtesy of NISSAN MOTOR CO., U.S.A.
Fig 5: Engine Control System - Wiring Diagram (5 Of 5)
G05207874Courtesy of NISSAN MOTOR CO., U.S.A.
Fig 6: Identifying Engine Control System Connector Terminals (1 Of 13)
G05207875Courtesy of NISSAN MOTOR CO., U.S.A.
Fig 7: Identifying Engine Control System Connector Terminals (2 Of 13)
G05207876Courtesy of NISSAN MOTOR CO., U.S.A.
Fig 8: Identifying Engine Control System Connector Terminals (3 Of 13)
G05207877Courtesy of NISSAN MOTOR CO., U.S.A.
Fig 9: Identifying Engine Control System Connector Terminals (4 Of 13)
G05207878Courtesy of NISSAN MOTOR CO., U.S.A.
Fig 10: Identifying Engine Control System Connector Terminals (5 Of 13)
G05207879Courtesy of NISSAN MOTOR CO., U.S.A.
Fig 11: Identifying Engine Control System Connector Terminals (6 Of 13)
G05207880Courtesy of NISSAN MOTOR CO., U.S.A.
Fig 12: Identifying Engine Control System Connector Terminals (7 Of 13)
G05207881Courtesy of NISSAN MOTOR CO., U.S.A.
Fig 13: Identifying Engine Control System Connector Terminals (8 Of 13)
G05207882Courtesy of NISSAN MOTOR CO., U.S.A.
Fig 14: Identifying Engine Control System Connector Terminals (9 Of 13)
G05207883Courtesy of NISSAN MOTOR CO., U.S.A.
Fig 15: Identifying Engine Control System Connector Terminals (10 Of 13)
G05207884Courtesy of NISSAN MOTOR CO., U.S.A.
Fig 16: Identifying Engine Control System Connector Terminals (11 Of 13)
G05207885Courtesy of NISSAN MOTOR CO., U.S.A.
Fig 17: Identifying Engine Control System Connector Terminals (12 Of 13)
G05207886Courtesy of NISSAN MOTOR CO., U.S.A.
Fig 18: Identifying Engine Control System Connector Terminals (13 Of 13)
G05207887Courtesy of NISSAN MOTOR CO., U.S.A.