LEMON Manuals: Even more car manuals for everyone
Home >> Infiniti >> 2008 >> FX45 >> Repair and Diagnosis >> Engine Performance >> Engine Control Systems >> Engine Control System (VK45DE) - System And Component Troubleshooting >> Snow Mode Switch >> Wiring Diagram

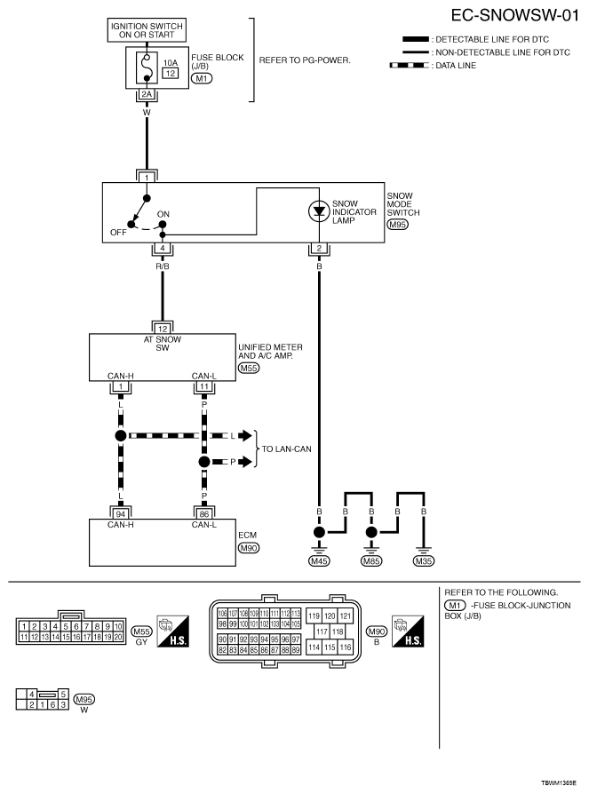
Snow Mode Switch: Wiring Diagram

Fig 1: EC-SNOWSW-01 - Wiring Diagram
G05217857Courtesy of NISSAN MOTOR CO., U.S.A.