LEMON Manuals: Even more car manuals for everyone
Home >> Infiniti >> 2007 >> QX56 AWD >> Repair and Diagnosis >> Engine Performance >> System >> Engine Control System - Component Testing >> Fuel Pump >> Wiring Diagram

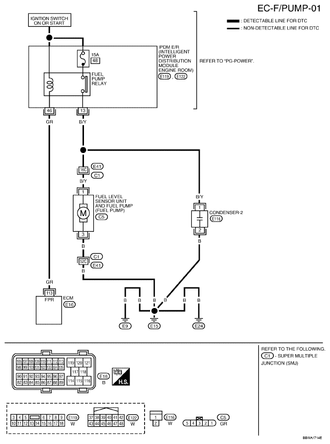
Fuel Pump: Wiring Diagram

For PG, go to POWER SUPPLY, GROUND & CIRCUIT ELEMENTS .

Fig 1: EC-F/PUMP-01 - Wiring Diagram
G04900783Courtesy of NISSAN NORTH AMERICA, INC.

Specification data are reference values and are measured between each terminal and ground.

CAUTION: Do not use ECM ground terminals when measuring input/output voltage. Doing so may result in damage to the ECM's transistor. Use a ground other than ECM terminals, such as the ground.
INPUT/OUTPUT VOLTAGE REFERENCE

TERMINAL NO. WIRE COLOR ITEM CONDITION DATA (DC Voltage)
113 GR Fuel pump relay [Ignition switch: ON] 
  • For 1 second after turning ignition switch ON

[Engine is running] 
0 - 1.5V
[Ignition switch: ON] 
  • More than 1 second after turning ignition switch ON.
BATTERY VOLTAGE (11 - 14V)