LEMON Manuals: Even more car manuals for everyone
Home >> Infiniti >> 2007 >> QX56 AWD >> Repair and Diagnosis >> Engine Performance >> System >> Engine Control System - Component Testing >> Fuel Injector >> Wiring Diagram

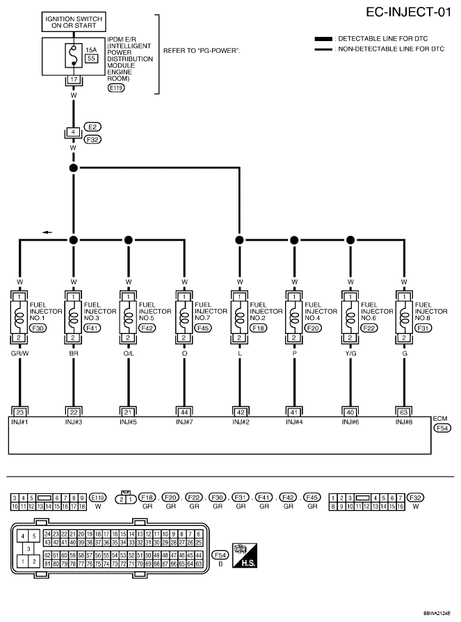
Fuel Injector: Wiring Diagram

For PG, go to POWER SUPPLY, GROUND & CIRCUIT ELEMENTS .

Fig 1: EC-INJECT-01 - Wiring Diagram
G04900774Courtesy of NISSAN NORTH AMERICA, INC.

Specification data are reference values and are measured between each terminal and ground.

Pulse signal is measured by CONSULT-II.

CAUTION: Do not use ECM ground terminals when measuring input/output voltage. Doing so may result in damage to the ECM's transistor. Use a ground other than ECM terminals, such as the ground.
INPUT/OUTPUT VOLTAGE REFERENCE

TERMINAL NO. WIRE COLOR ITEM CONDITION DATA (DC Voltage)
21
22
23
40
41
42
44
63
O/L
BR
GR/W
Y/G
P
L
O
G
Fuel injector No. 5
Fuel injector No. 3
Fuel injector No. 1
Fuel injector No. 6
Fuel injector No. 4
Fuel injector No. 2
Fuel injector No. 7
Fuel injector No. 8
[Engine is running] 
  • Warm-up condition 
  • Idle speed
NOTE: The pulse cycle changes depending on rpm at idle.
G04900345Courtesy of NISSAN NORTH AMERICA, INC.
[Engine is running] 
  • Warm-up condition 
  • Engine speed: 2, 000 rpm
G04900346Courtesy of NISSAN NORTH AMERICA, INC.
*: Average voltage for pulse signal (Actual pulse signal can be confirmed by oscilloscope.)