LEMON Manuals: Even more car manuals for everyone
Home >> Infiniti >> 2007 >> M35 Base >> Repair and Diagnosis (Single Page) >> Body & Frame >> Door Locks >> Body, Lock & Security System >> Intelligent Key System/Engine Start Function >> Schematic

Intelligent Key System/Engine Start Function: Schematic

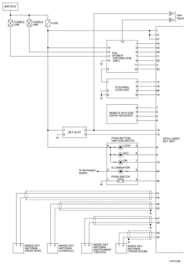
Fig 1: Intelligent Key System/Engine Start Function - Schematic Diagram (1 Of 2)
G05212294
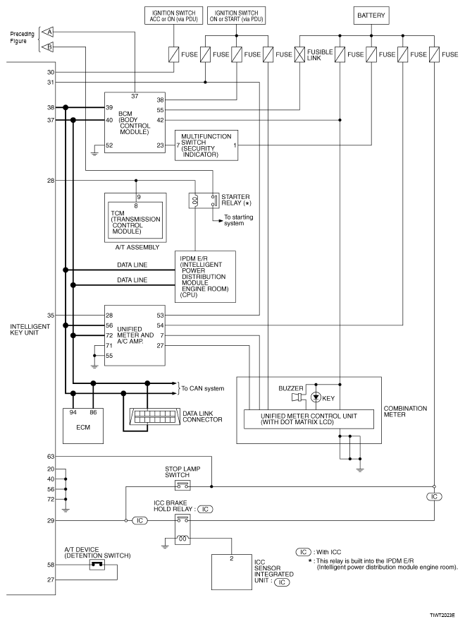
Fig 2: Intelligent Key System/Engine Start Function - Schematic Diagram (2 Of 2)
G05212295