LEMON Manuals: Even more car manuals for everyone
Home >> Infiniti >> 2006 >> QX56 AWD >> Repair and Diagnosis >> Engine Performance >> System >> Engine Control System - Component Testing >> Mil And Data Link Connector >> Wiring Diagram

Mil And Data Link Connector: Wiring Diagram

For PG, go to SYSTEM WIRING DIAGRAMS .

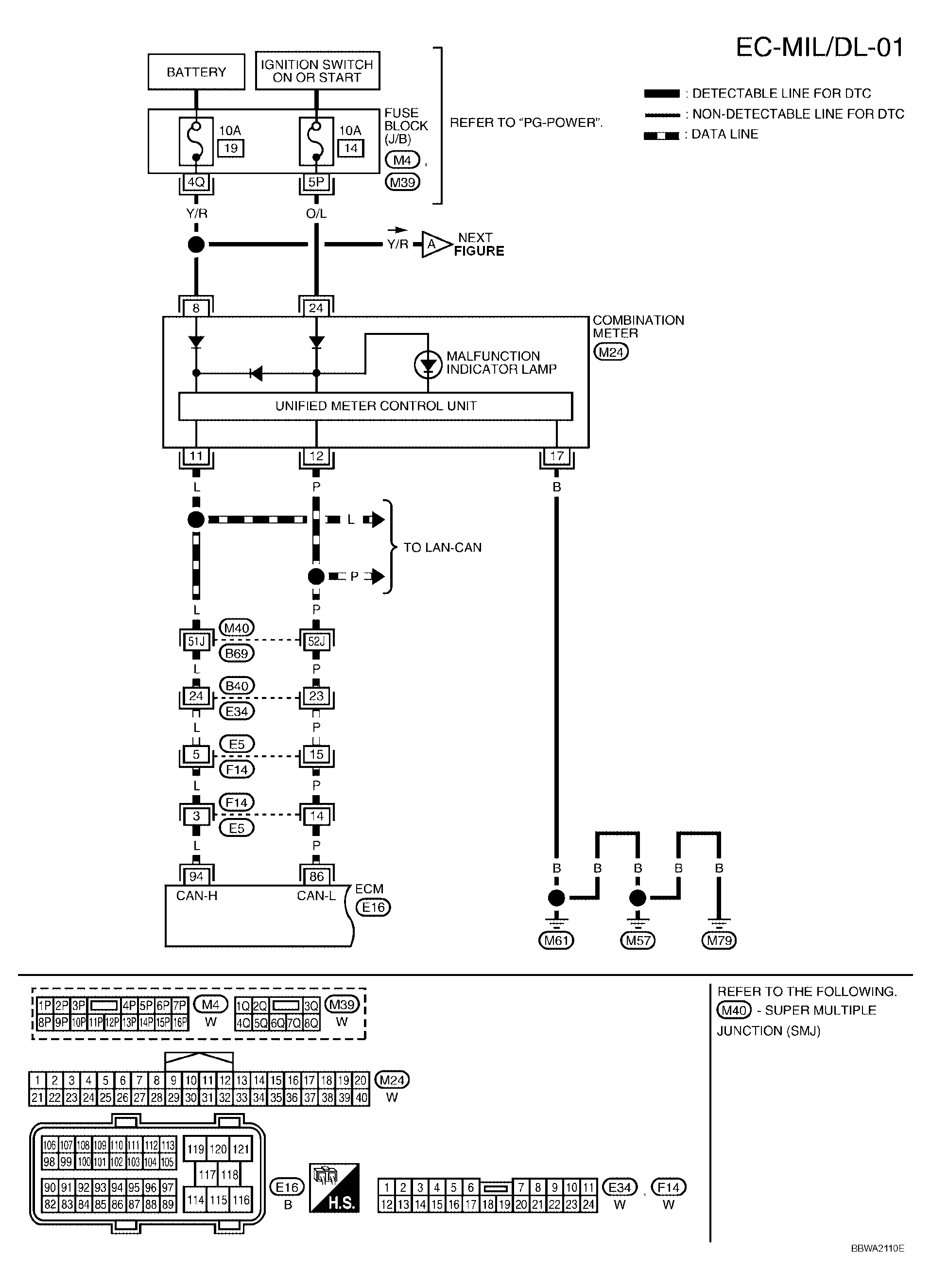
Fig 1: EC-MIL/DL-01 - Wiring Diagram
G04133291Courtesy of NISSAN MOTOR CO., U.S.A.
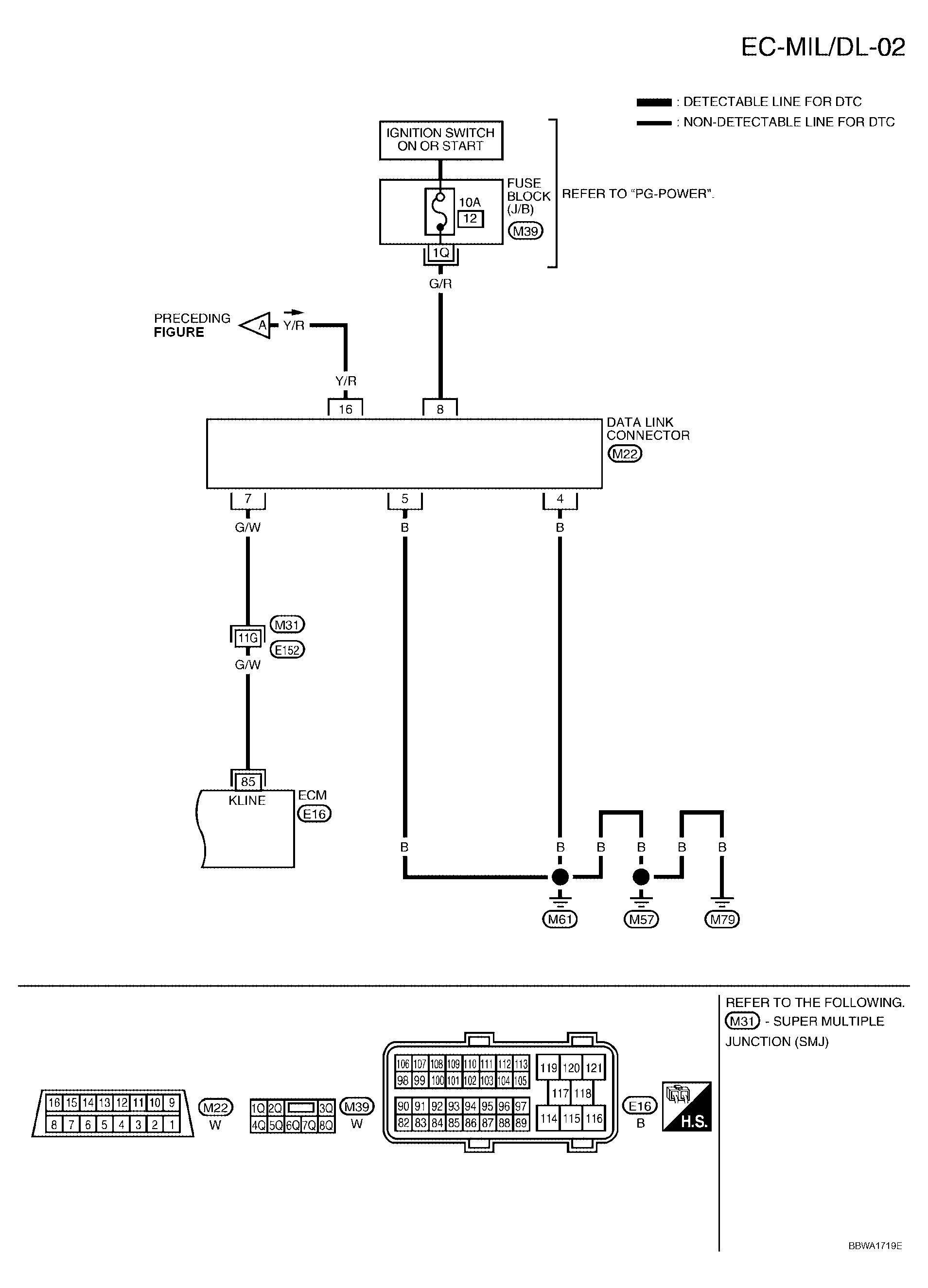
Fig 2: EC-MIL/DL-02 - Wiring Diagram
G04133292Courtesy of NISSAN MOTOR CO., U.S.A.