LEMON Manuals: Even more car manuals for everyone
Home >> Infiniti >> 2006 >> Q45 >> Repair and Diagnosis >> Engine Performance >> System >> Engine Control System - Q45 - Component & System Tests, Mil And Data Link Connector, Service Data And Specifications (SDS) >> Mil And Data Link Connector >> Wiring Diagram

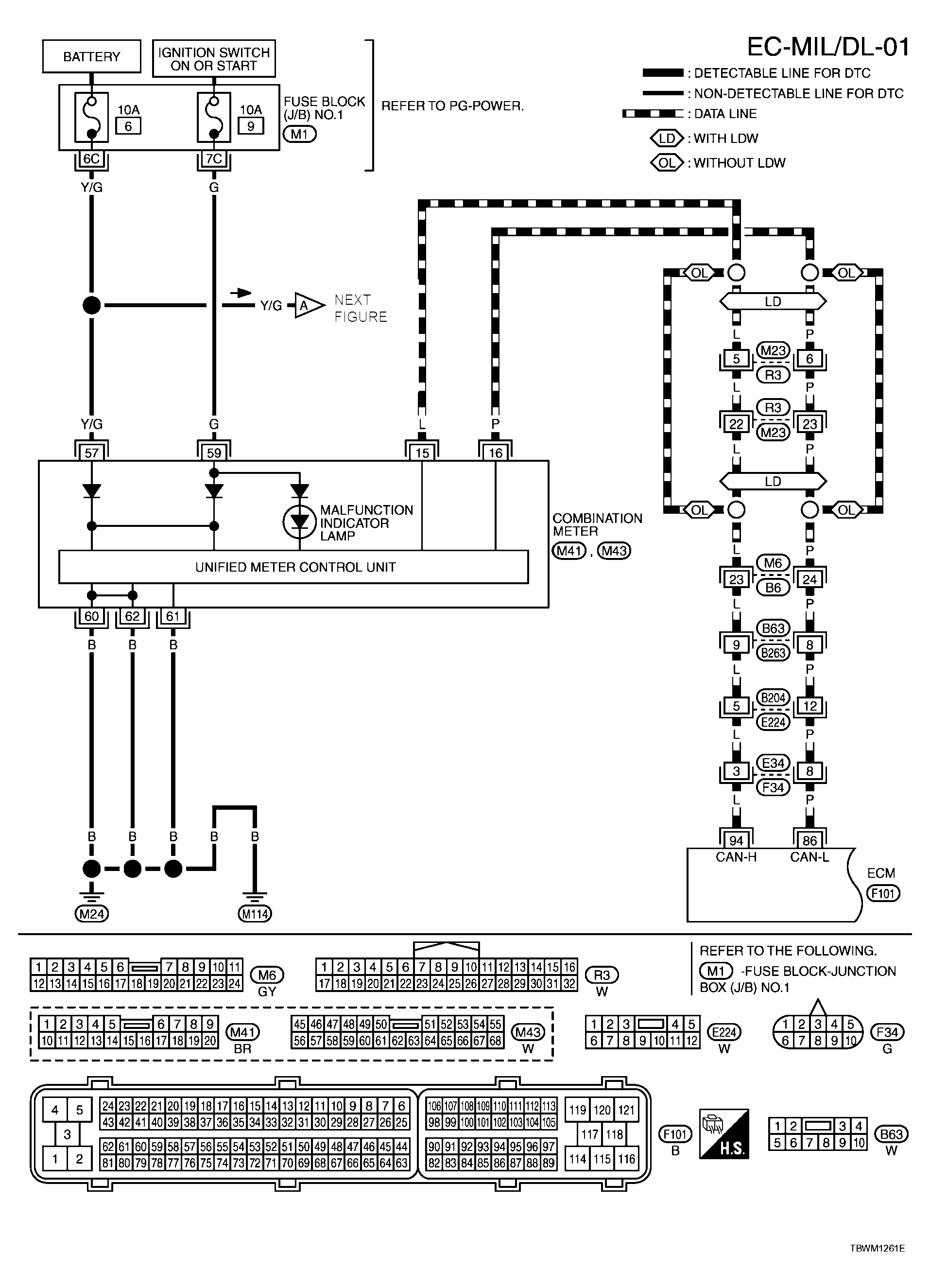
Mil And Data Link Connector: Wiring Diagram

For wiring diagram abbreviations, see WIRING DIAGRAM ABBREVIATIONS IDENTIFICATION TABLE .

For PG-POWER, refer to SYSTEM WIRING DIAGRAMS .

Fig 1: Wiring Diagram - EC-MIL/DL-01
G04127884Courtesy of NISSAN MOTOR CO., U.S.A.
Fig 2: Wiring Diagram - EC-MIL/DL-02
G04127885Courtesy of NISSAN MOTOR CO., U.S.A.