LEMON Manuals: Even more car manuals for everyone
Home >> Infiniti >> 2006 >> M35 Base >> Repair and Diagnosis >> Brakes >> Traction Control >> Brake Control System >> System Description >> System Diagram

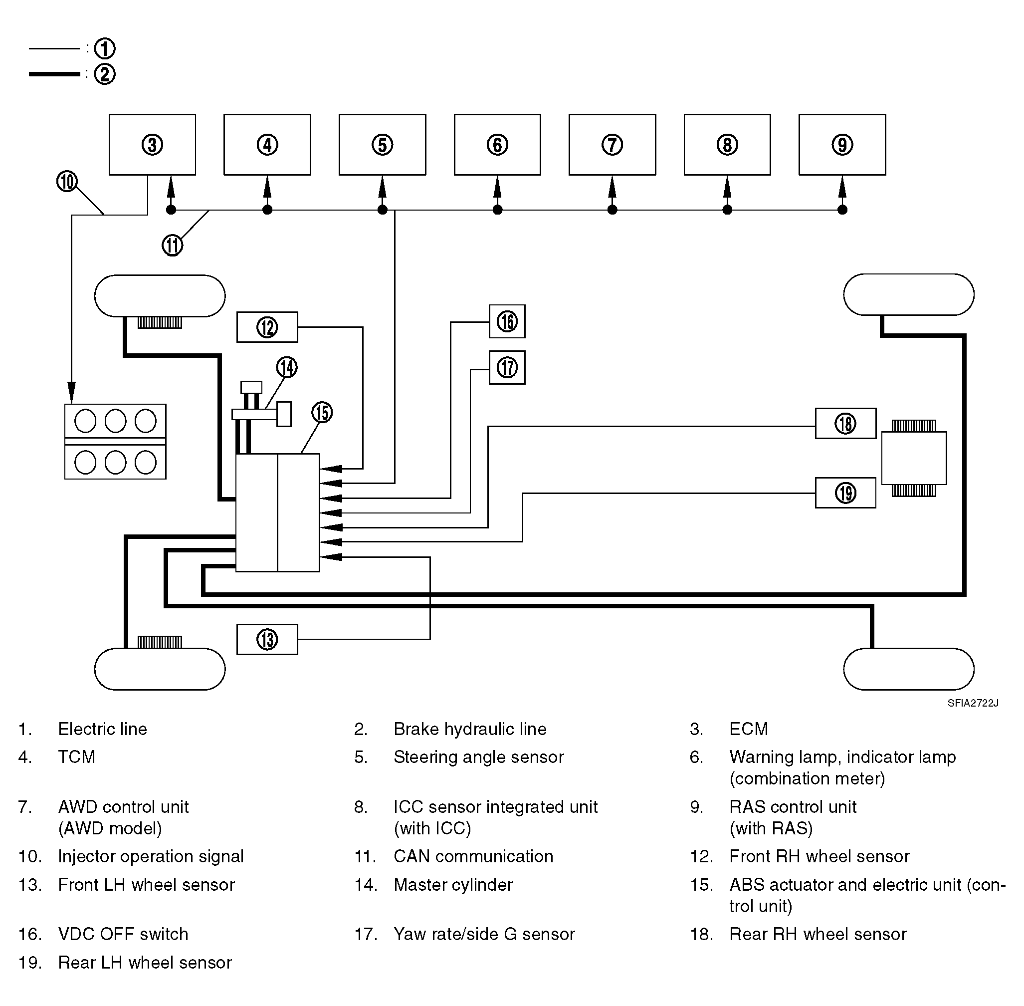
System Diagram

Fig 1: VDC/TCS/ABS - System Diagram
G04144764Courtesy of NISSAN MOTOR CO., U.S.A.