LEMON Manuals: Even more car manuals for everyone
Home >> Infiniti >> 2006 >> G35 x >> Repair and Diagnosis >> Engine Performance >> System >> Engine Control System - Component Testing (Sedan) >> ASCD Brake Switch >> Wiring Diagram >> M/T Model

M/T Model

For PG, go to SYSTEM WIRING DIAGRAMS .

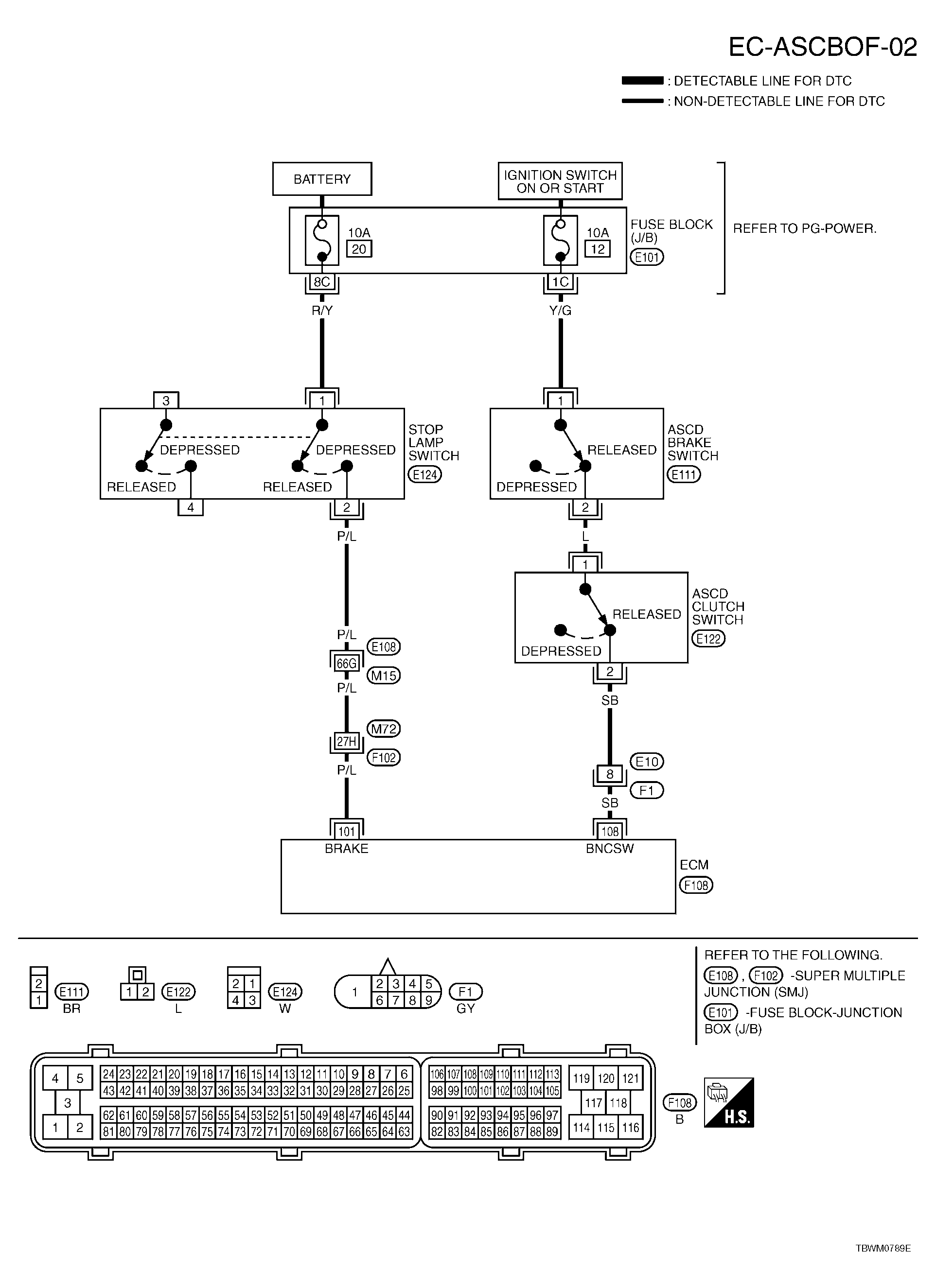
Fig 1: EC-ASCBOF-02 - Wiring Diagram
G04120268Courtesy of NISSAN MOTOR CO., U.S.A.

Specification data are reference values and are measured between each terminal and ground.

CAUTION: Do not use ECM ground terminals when measuring input/output voltage. Doing so may result in damage to the ECM's transistor. Use a ground other than ECM terminals, such as the ground.
TERMINALS INPUT/OUTPUT VOLTAGE REFERENCE

TERMINAL NO. WIRE COLOR ITEM CONDITION DATA (DC Voltage)
101 P/L Stop lamp switch [Ignition switch: OFF] 
  • Brake pedal: Fully released
Approximately 0V
[Ignition switch: OFF] 
  • Brake pedal: Slightly depressed
BATTERY VOLTAGE (11 - 14V)
108 L ASCD brake switch [Ignition switch: ON] 
  • Brake pedal and/or clutch pedal: Slightly depressed
Approximately 0V
[Ignition switch: ON] 
  • Brake pedal and clutch pedal: Fully released
BATTERY VOLTAGE (11 - 14V)