LEMON Manuals: Even more car manuals for everyone
Home >> Infiniti >> 2005 >> Q45 >> Repair and Diagnosis >> Engine Performance >> System >> Engine Control System - System Testing >> Variable Induction Air Control System (VIAS) >> Wiring Diagram

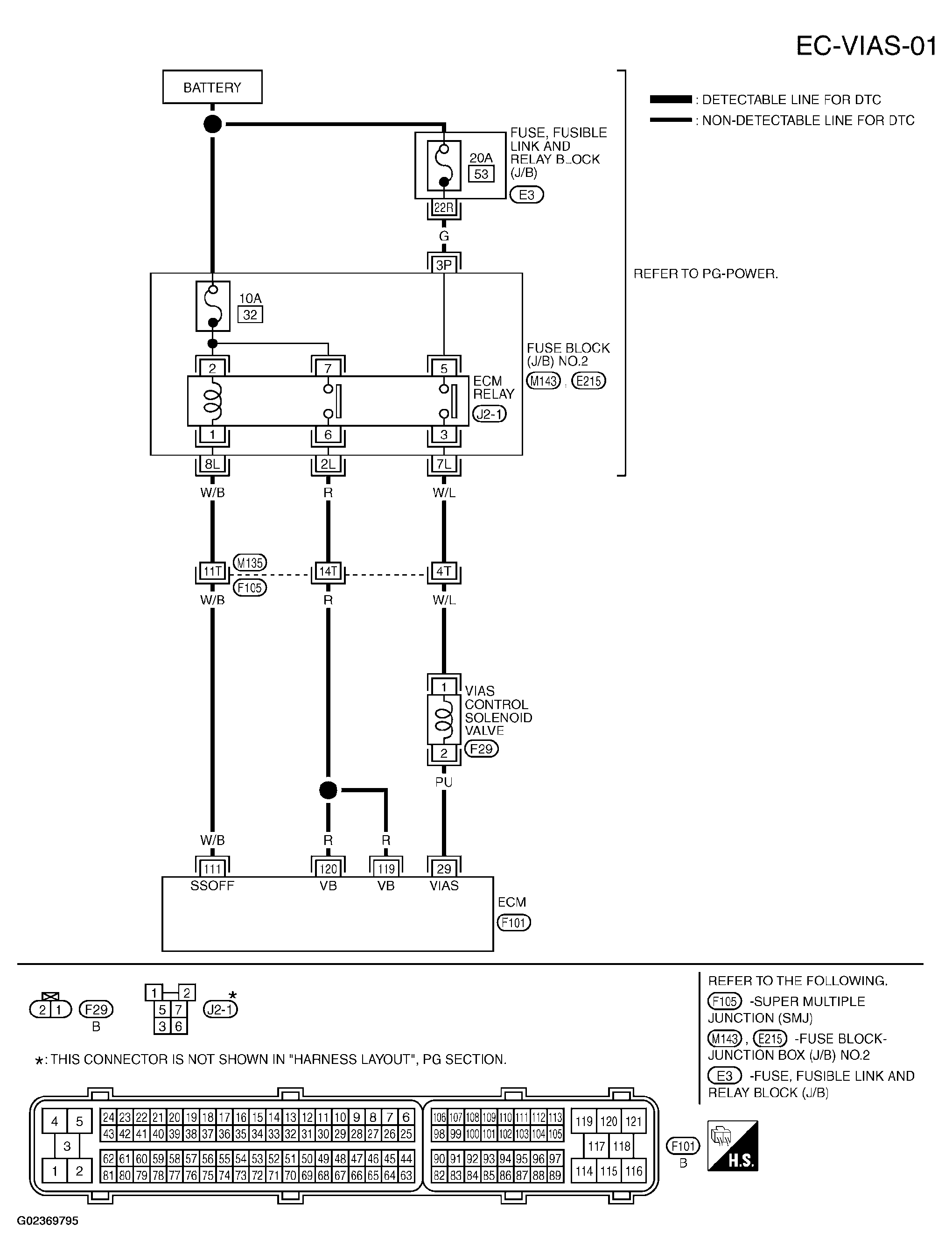
Variable Induction Air Control System (VIAS): Wiring Diagram

Fig 1: Wiring Diagram - EC-VIAS-01
G02369795Courtesy of NISSAN MOTOR CO., U.S.A.

Specification data are reference values and are measured between each terminal and ground.

CAUTION: Do not use ECM ground terminals when measuring input/output voltage. Doing so may result in damage to the ECM's transistor. Use a ground other than ECM terminals, such as the ground.
Fig 2: Connector Terminals Voltage Conditions Chart
G02369796Courtesy of NISSAN MOTOR CO., U.S.A.