LEMON Manuals: Even more car manuals for everyone
Home >> Infiniti >> 2005 >> FX35 AWD >> Repair and Diagnosis >> External Pages >> Different car >> Section 249 (Engine Control System (Qr) - Component Testing) >> ASCD Brake Switch >> Wiring Diagram

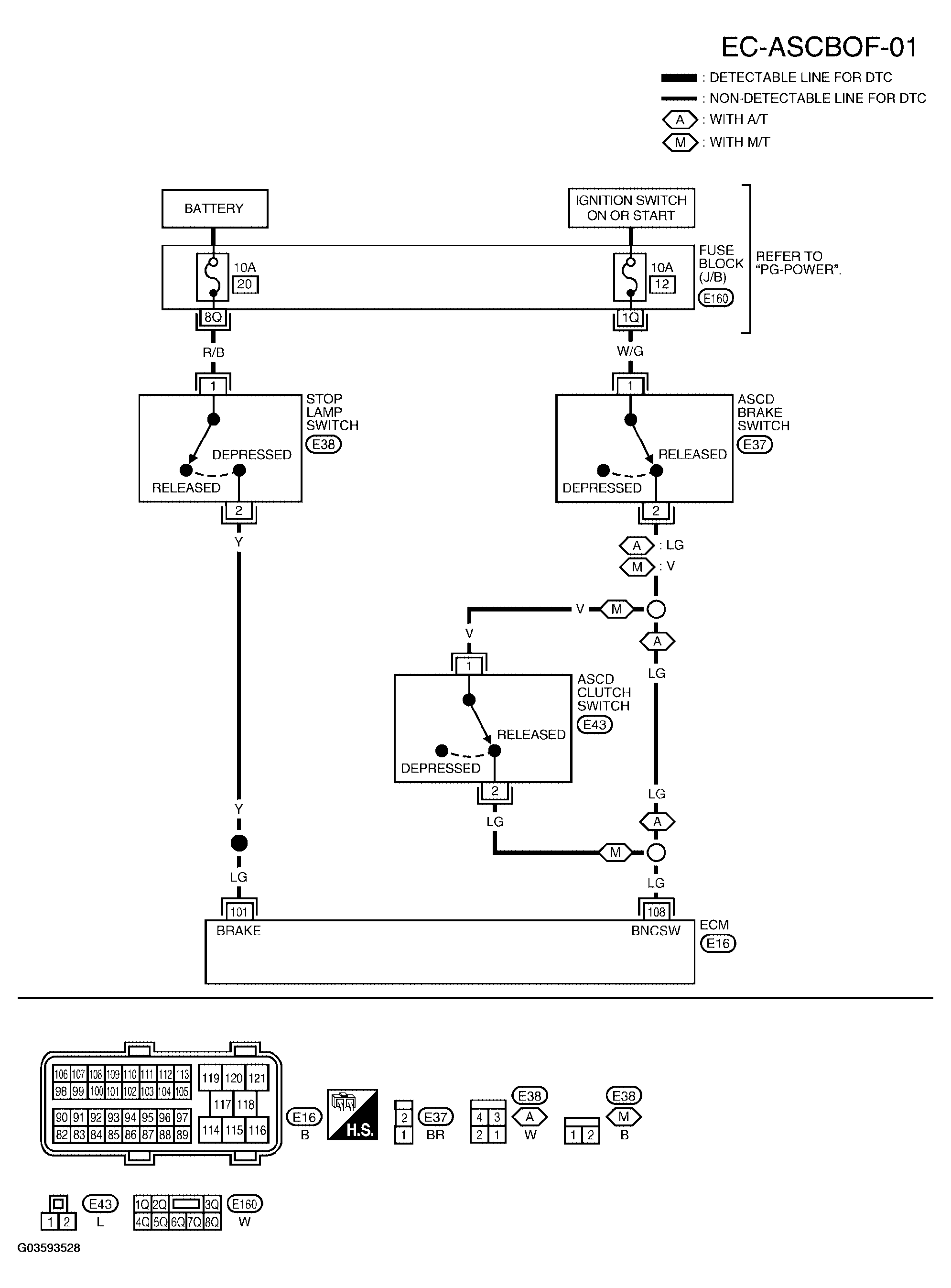
ASCD Brake Switch: Wiring Diagram

WARNING: This page is about a different car, the 2005 Nissan Frontier. However, it is still accessible from the selected car via links, so may be relevant.
Fig 1: Wiring Diagram - EC-ASCBOF-01
G03593528Courtesy of NISSAN MOTOR CO., U.S.A.

Specification data are reference values and are measured between each terminal and ground.

CAUTION: Do not use ECM ground terminals when measuring input/output voltage. Doing so may result in damage to the ECM's transistor. Use a ground other than ECM terminals, such as the ground.
ECM GROUND TERMINALS 101 & 108 VOLTAGE REFERENCE

TERMINAL NO. WIRE COLOR ITEM CONDITION DATA (DC Voltage)
101 LG Stop lamp switch [Ignition switch: OFF] 
  • Brake pedal: Fully released
Approximately 0V
[Ignition switch: OFF] 
  • Brake pedal: Slightly depressed
BATTERY VOLTAGE (11 - 14V)
108 LG ASCD brake switch [Ignition switch: ON] 
  • Brake pedal: Slightly depressed (A/T)
  • Clutch pedal and/or brake pedal: Slightly depressed (M/T)
Approximately 0V
[Ignition switch: ON] 
  • Brake pedal: Fully released (A/T)
  • Clutch pedal and brake pedal: Fully released (M/T)
BATTERY VOLTAGE (11 - 14V)