LEMON Manuals: Even more car manuals for everyone
Home >> Infiniti >> 2004 >> M45 >> Repair and Diagnosis >> Engine Performance >> Engine Control System >> DTC P1122: Electric Throttle Control Function >> Wiring Diagram

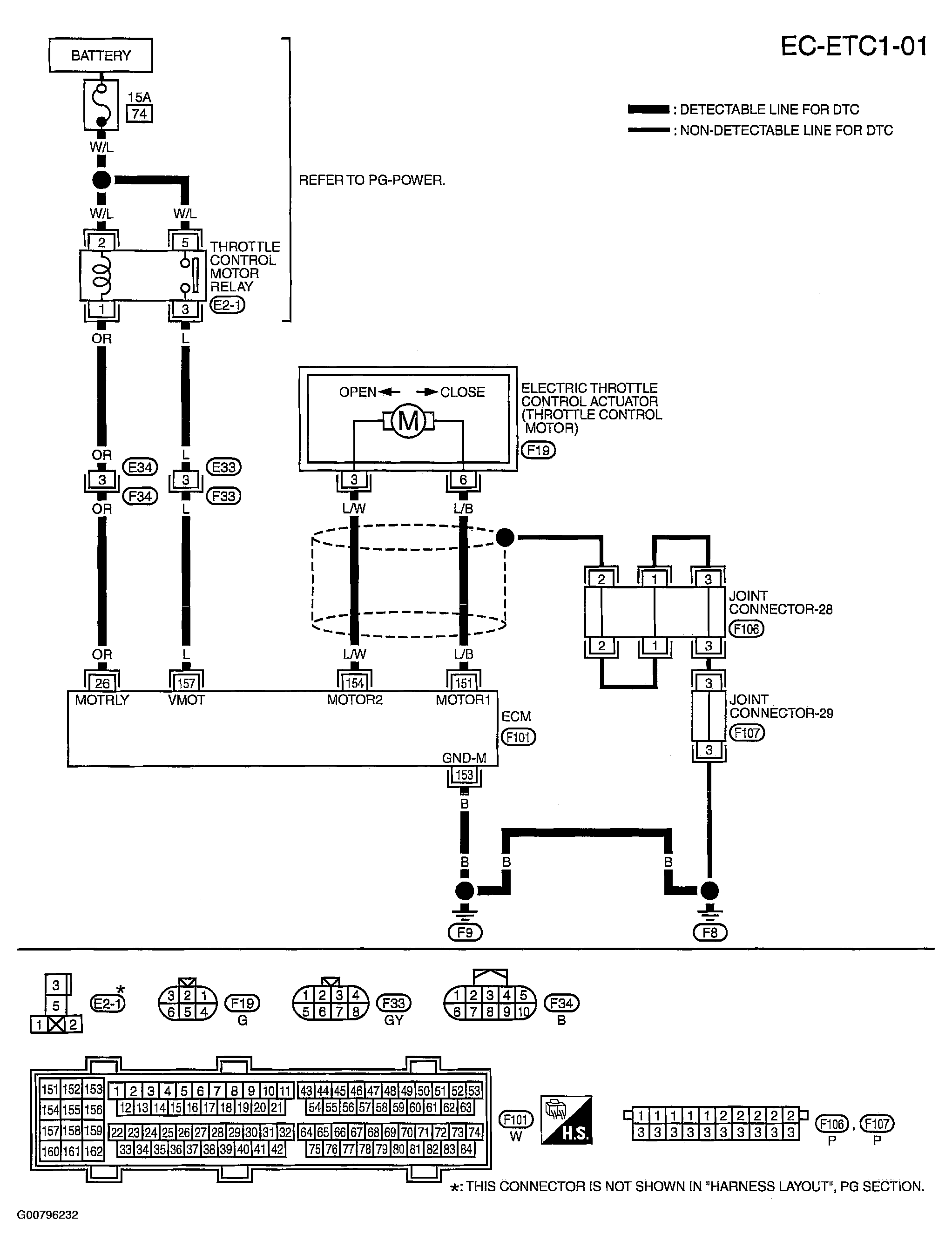
DTC P1122: Electric Throttle Control Function: Wiring Diagram

Fig 1: Circuit Diagram - Electric Throttle Control Function - EC-ETC1-01
G00796232Courtesy of NISSAN MOTOR CO., U.S.A.

Specification data are reference values and are measured between each terminal and ground.

Pulse signal is measured by CONSULT-II.

CAUTION: Do not use ECM ground terminals when measuring input/output voltage. Doing so may result in damage to the ECM's transistor. Use a ground other than ECM terminals, such as the ground.
Fig 2: Terminal Testing & Conditions Chart
G00796233Courtesy of NISSAN MOTOR CO., U.S.A.