LEMON Manuals: Even more car manuals for everyone
Home >> Infiniti >> 2004 >> I35 >> Repair and Diagnosis >> Engine Performance >> System >> Engine Control System >> Ignition Signal >> Wiring Diagram

Ignition Signal: Wiring Diagram

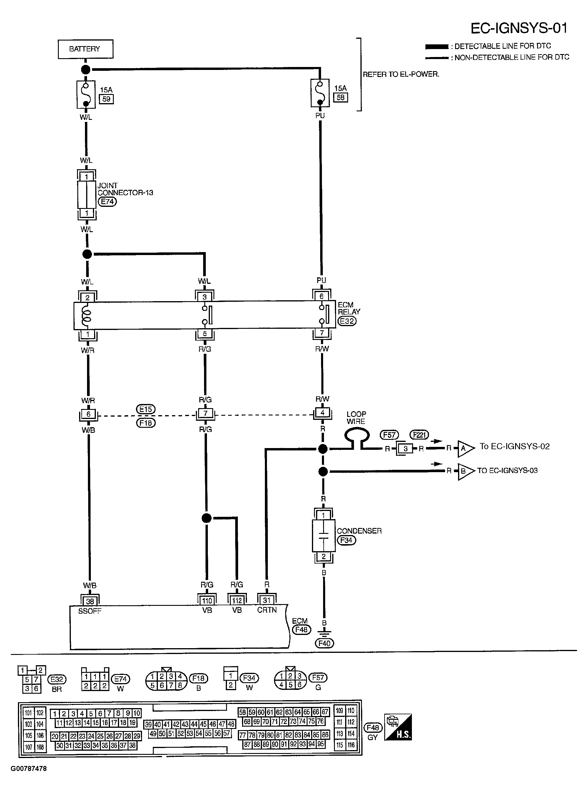
Fig 1: Displaying Wiring Diagram (EC-IGNSYS-01)
G00787478Courtesy of NISSAN MOTOR CO., U.S.A.
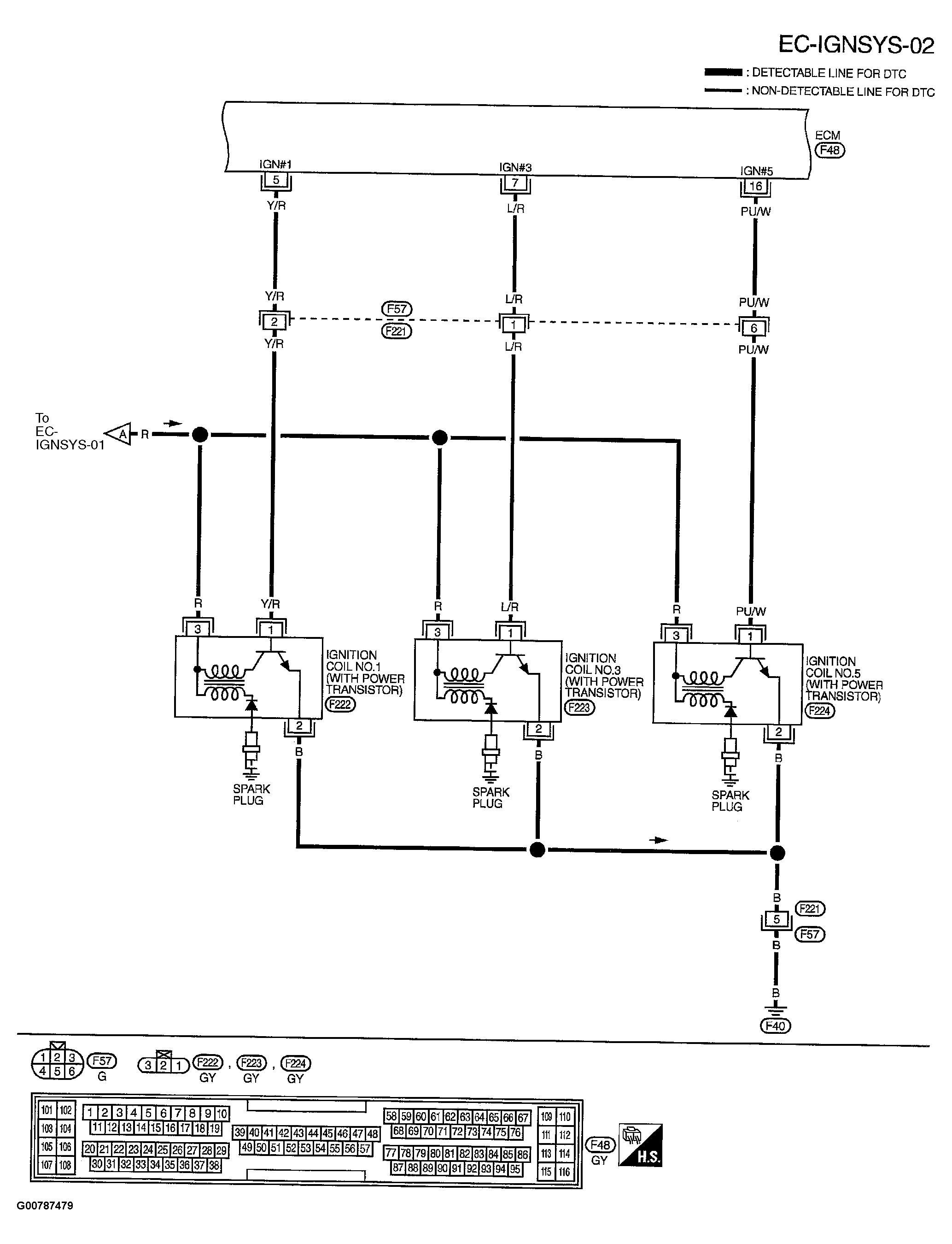
Fig 2: Displaying Wiring Diagram (EC-IGNSYS-02)
G00787479Courtesy of NISSAN MOTOR CO., U.S.A.
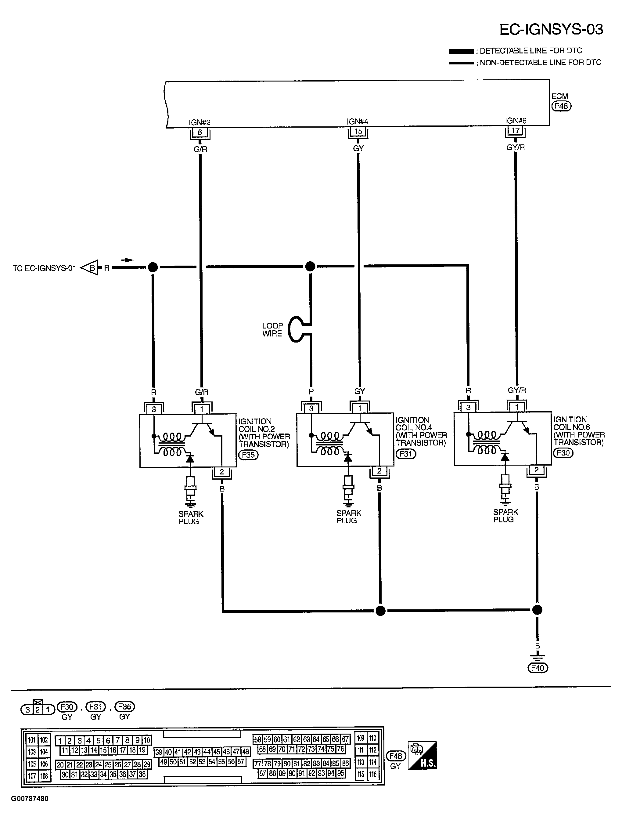
Fig 3: Displaying Wiring Diagram (EC-IGNSYS-03)
G00787480Courtesy of NISSAN MOTOR CO., U.S.A.

Specification data are reference values and are measured between each terminal and ground.

CAUTION: Do not use ECM ground terminals when measuring input/output voltage. Doing so may result in damage to the ECM's transistor. Use a ground other than ECM terminals, such as the ground.
Fig 4: Identifying Terminal Data Based On Conditions
G00787481Courtesy of NISSAN MOTOR CO., U.S.A.

Average voltage for pulse signal (Actual pulse signal can be confirmed by oscilloscope.)