LEMON Manuals: Even more car manuals for everyone
Home >> Infiniti >> 2004 >> I35 >> Repair and Diagnosis >> Engine Performance >> System >> Engine Control System >> Engine And Emission Control Overall System >> Circuit Diagram

Circuit Diagram

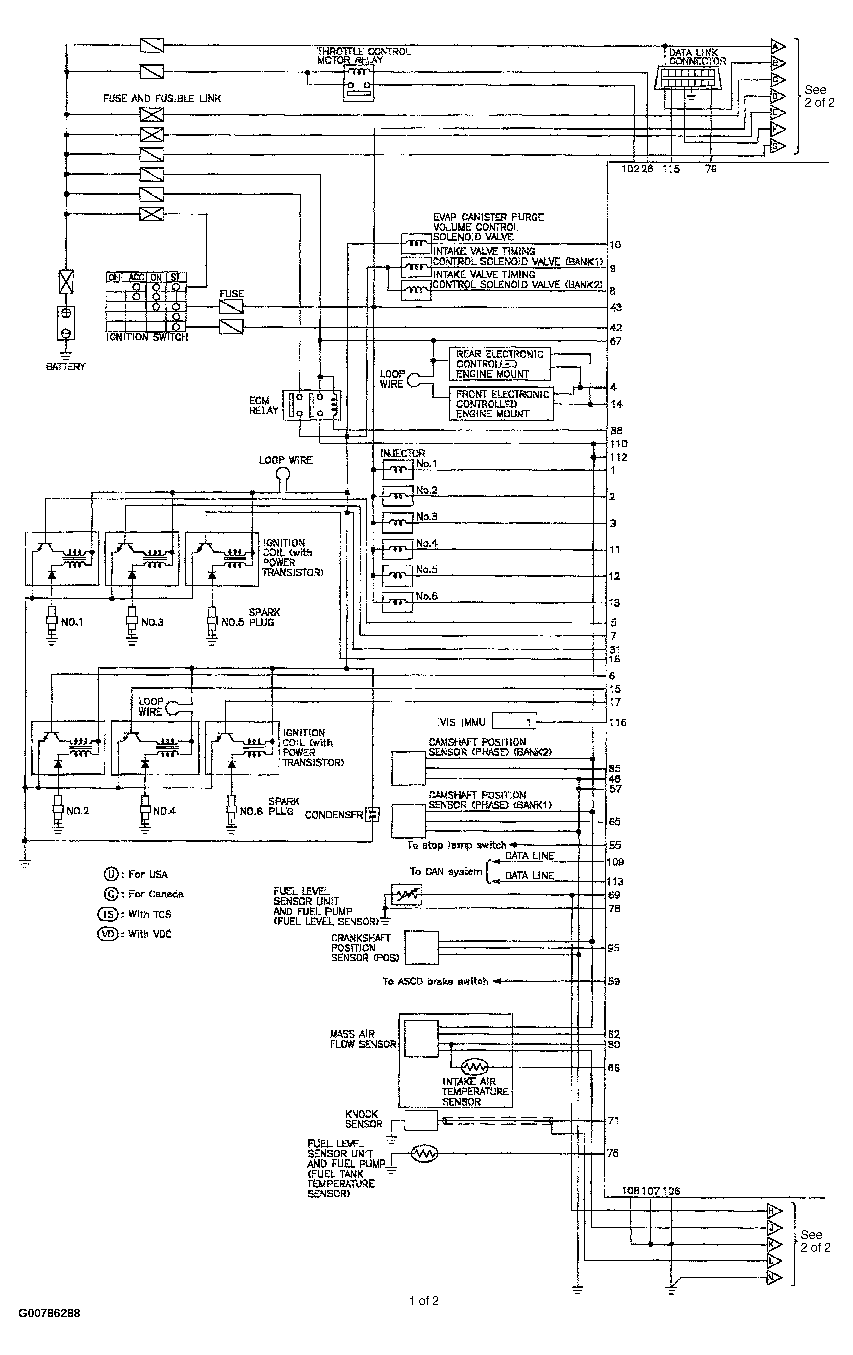
Fig 1: Displaying Circuit Diagram (1 Of 2)
G00786288Courtesy of NISSAN MOTOR CO., U.S.A.
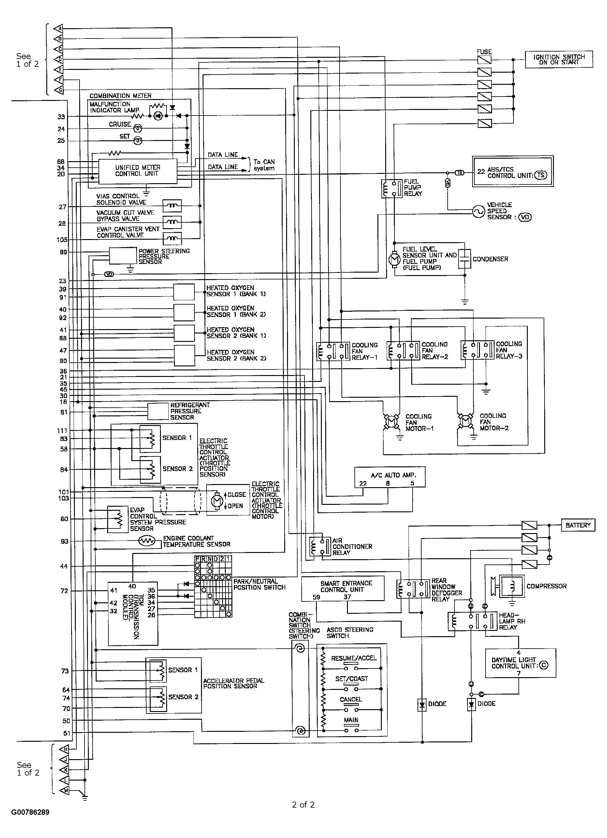
Fig 2: Displaying Circuit Diagram (2 Of 2)
G00786289Courtesy of NISSAN MOTOR CO., U.S.A.