LEMON Manuals: Even more car manuals for everyone
Home >> Infiniti >> 2004 >> I35 >> Repair and Diagnosis >> Engine Performance >> System >> Engine Control System >> Electrical Load Signal >> Wiring Diagram

Electrical Load Signal: Wiring Diagram

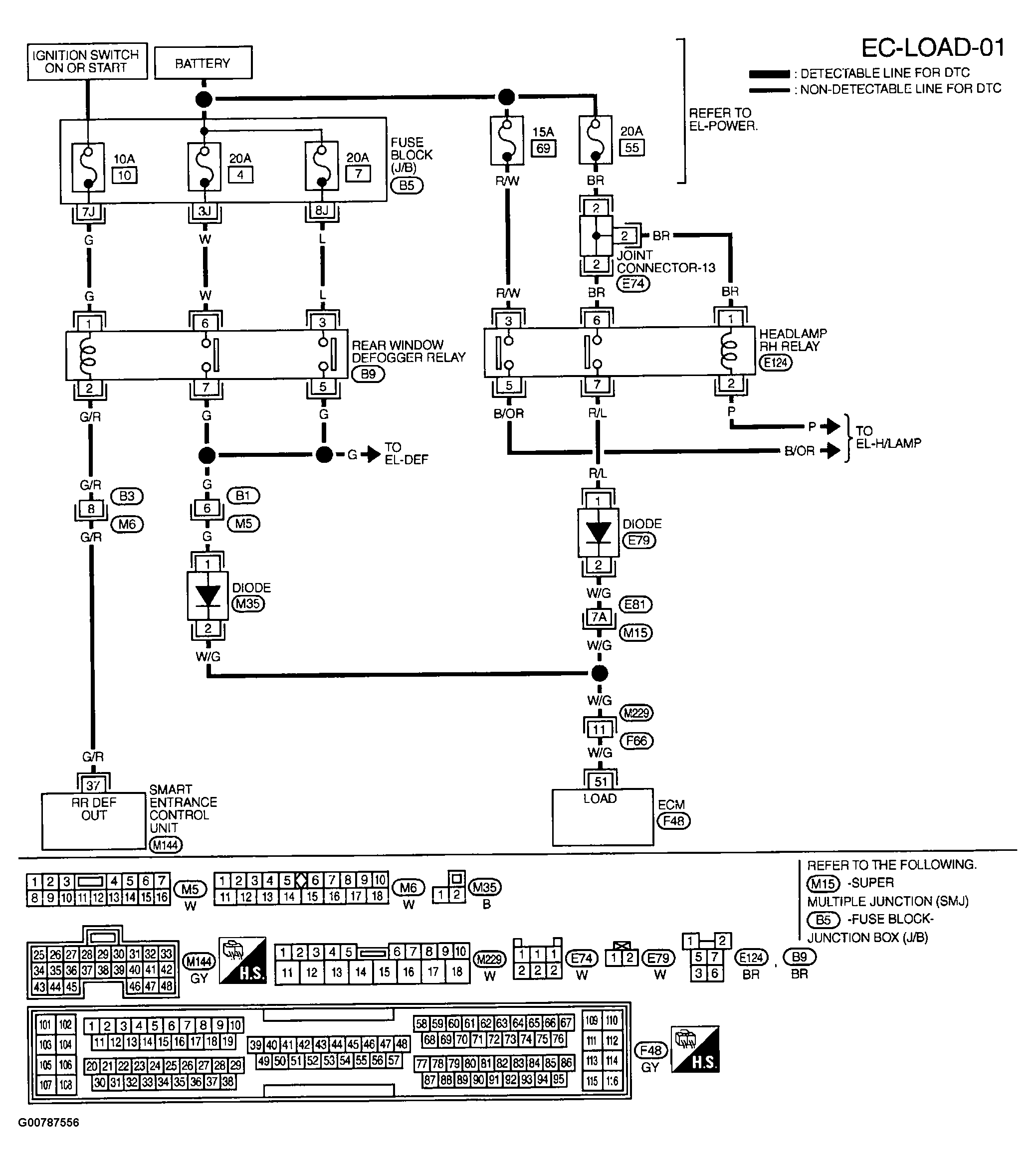
FOR USA 

Fig 1: Displaying Wiring Diagram (EC-LOAD-01)
G00787556Courtesy of NISSAN MOTOR CO., U.S.A.

ECM TERMINALS AND REFERENCE VALUE MEASURED BETWEEN EACH TERMINAL AND GROUND. 

CAUTION: DO NOT USE ECM GROUND TERMINALS WHEN MEASURING INPUT/OUTPUT VOLTAGE. DOING SO MAY RESULT IN DAMAGE TO THE ECM'S TRANSISTOR. USE A GROUND OTHER THAN ECM TERMINALS, SUCH AS THE GROUND.
Fig 2: Displaying ECM Terminal Reference Value
G00787557Courtesy of NISSAN MOTOR CO., U.S.A.

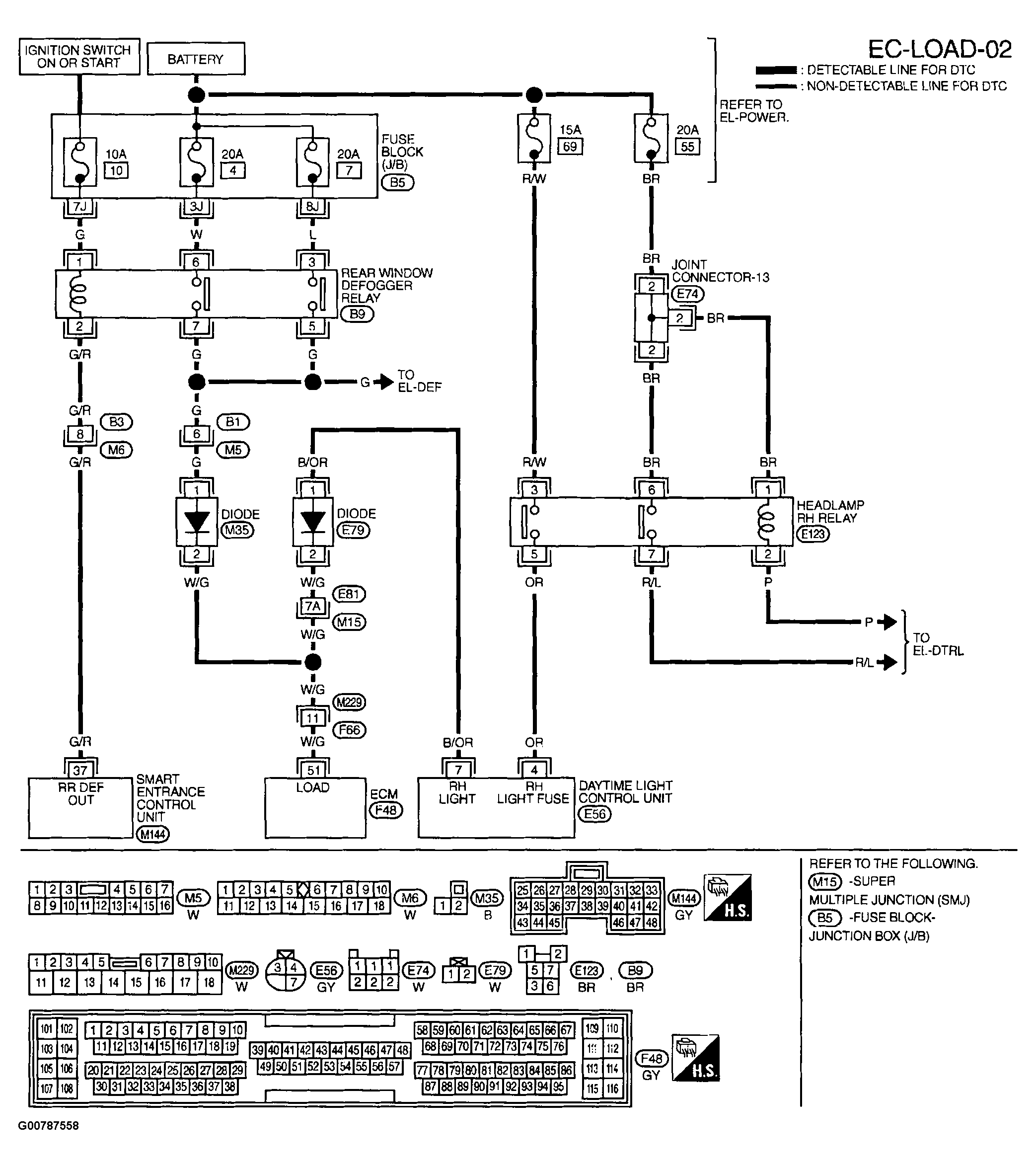
FOR CANADA 

Fig 3: Displaying Wiring Diagram (EC-LOAD-02)
G00787558Courtesy of NISSAN MOTOR CO., U.S.A.

ECM TERMINALS AND REFERENCE VALUE MEASURED BETWEEN EACH TERMINAL AND GROUND. 

CAUTION: DO NOT USE ECM GROUND TERMINALS WHEN MEASURING INPUT/OUTPUT VOLTAGE. DOING SO MAY RESULT IN DAMAGE TO THE ECM'S TRANSISTOR. USE A GROUND OTHER THAN ECM TERMINALS, SUCH AS THE GROUND.
Fig 4: Displaying ECM Terminal Reference Value
G00787559Courtesy of NISSAN MOTOR CO., U.S.A.