LEMON Manuals: Even more car manuals for everyone
Home >> Infiniti >> 2004 >> I35 >> Repair and Diagnosis >> Engine Performance >> System >> Engine Control System >> ASCD Brake Switch >> Wiring Diagram

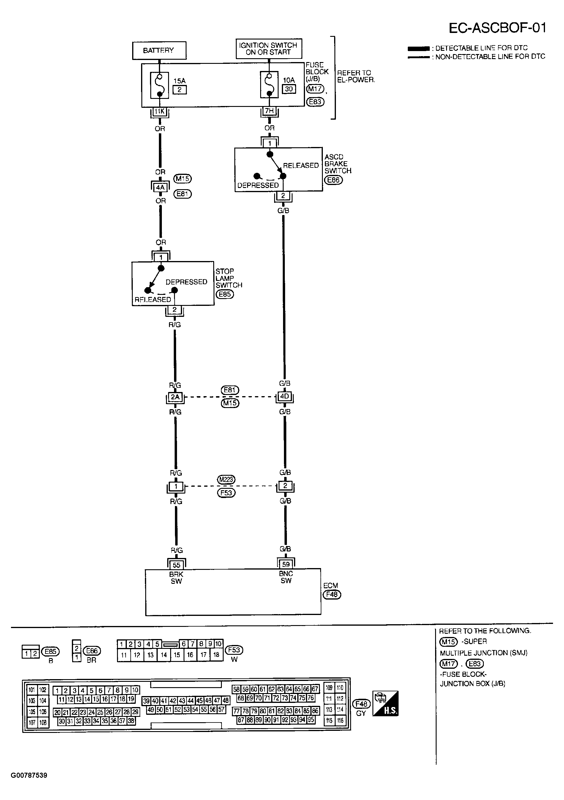
ASCD Brake Switch: Wiring Diagram

Fig 1: Wiring Diagram (EC-ASCBOF-01)
G00787539Courtesy of NISSAN MOTOR CO., U.S.A.

Specification data are reference values and are measured between each terminal and ground.

CAUTION: Do not use ECM ground terminals when measuring input/output voltage. Doing so may result in damage to the ECM's transistor. Use a ground other than ECM terminals, such as the ground.
Fig 2: Displaying ECM Terminals Reference Values
G00787540Courtesy of NISSAN MOTOR CO., U.S.A.